209 А2 ГОСТ 520
| Обозначение | 209 А2 ГОСТ 520 |
|---|---|
| Цена импортная | 80 |
| Новинки | N |
| Хиты продаж | N |
| Скидки | N |
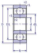
| Внутренний диаметр, d (мм) | 45 |
| Наружный диаметр, D (мм) | 85 |
| Ширина, В (мм) | 19 |
| Масса, m (кг) | 0.41 |
| Грузоподъемность динамическая, C (kN) | 33.2 |
| Грузоподъемность статическая, Co (kN) | 18.6 |
| Ном. частота вращен. при пластич. смазке, n grease (1/min) | 7500 |
| Диаметр шарика, d шарика (мм) | 12.7 |
| Количество шариков, N шариков | 9 |
| Ном. частота вращен. при жидк. смазке, n oil (1/min) | 9000 |
| Диаметр борта наружного кольца, D1(mm) | 72.6 |
| Диаметр борта внутреннего кольца, d1 (mm) | 57.4 |
| Радиус фаски, r1, r2 min (мм) | 1.1 |
Этот подшипник может быть заменен другими:
Подшипник 50209 — Условие отсутствует
Подшипник 60209 — При условии демонтажа одной защитной шайбы
Подшипник 160209 — При условии демонтажа одной защитной шайбы
Подшипник 150209 — При условии демонтажа одной защитной шайбы (п/ш с канавкой)
Подшипник 80209 — При условии демонтажа 2-х защитных шайб
Подшипник 180209 — При условии демонтажа 2-х защитных шайб
Подшипник 450209 — При условии демонтажа 2-х защитных шайб
Подшипник 190209 — Аналог состоит из двух искомых подшипников
| Марка | Модель | Узел | Кол-во на узел |
|---|---|---|---|
| Автопогрузчик | 4014 | Коробка передач | 1 |
| Автопогрузчик | 4016 | Коробка передач | 1 |
| Автопогрузчик | 4017 | Коробка передач | 1 |
| Автопогрузчик | 4043М | Коробка передач | 1 |
| Автопогрузчик | 4045Р | Коробка передач | 1 |
| Автопогрузчик | 4065 | Коробка передач | 1 |
| Подшипники ГАЗ | 2121 Niva | Дифференциал | 1 |
| ГАЗ | 52-01 | Коробка передач | 1 |
| ГАЗ | 52-01 | Коробка передач: вал ведущий | 1 |
| ГАЗ | 52-04 | Коробка передач | 1 |
| ГАЗ | 52-04 | Коробка передач: вал ведущий | 1 |
| ГАЗ | 52-05 | Коробка передач | 1 |
| ГАЗ | 52-05 | Коробка передач: вал ведущий | 1 |
| ЗИЛ | 131М | Мост задний | 1 |
| ЗИЛ | 131М | Мост средний | 1 |
| ЗИЛ | 131МВ | Мост задний | 1 |
| ЗИЛ | 131МВ | Мост средний | 1 |
| ЗИЛ | 133ВЯ | Мост задний | 1 |
| ЗИЛ | 133ВЯ | Мост средний | 1 |
| ЗИЛ | 133Г1 | Мост задний | 1 |
| ЗИЛ | 133Г1 | Мост средний | 1 |
| ЗИЛ | 133ГЯ | Мост задний | 1 |
| ЗИЛ | 133ГЯ | Мост средний | 1 |
| Комбайн | Дон-680 | Редуктор вальцов верхних | 2 |
| Комбайн | Дон-680 | Редуктор цилиндрический | 4 |
| Косилка | КПС-5Г | Коробка главная | - |
| МАЗ | 537 | Компрессор | 1 |
| МАЗ | 537Г | Компрессор | 1 |
| МАЗ | 538 | Коробка передач гидромеханическая | 1 |
| МАЗ | 547 | Двигатель: система охлаждения | 9 |
| МАЗ | 547 | Управление рулевое | 2 |
| МАЗ | 7410 | Двигатель: система охлаждения | 8 |
| МАЗ | 7410 | Управление рулевое | 1 |
| МоАЗ | 546П-Д357П | Коробка отбора мощности | 1 |
| МоАЗ | 6401-9585 | Коробка отбора мощности | 1 |
| МоАЗ | 6401-9585 | Коробка передач гидромеханическая | 1 |
| Мототехника | Днепр-11 | Вал коленчатый: опора передняя | - |
| Мототехника | МТ10-36 Днепр | Вал коленчатый: опора передняя | - |
| САЗ | 4509 | Коробка передач: вал ведущий | 1 |
| Станкостроение | Не указано | Не указано | - |
| Станкостроение | Не указано | Не указано | - |
| Станкостроение | Не указано | Не указано | - |
| Трактор | ДТ-20 | Вал отбора мощности | 1 |
| Трактор | К-701 | Мост ведущий | 4 |
| Трактор | К-701 | Двигатель: вал ведомый гидромуфты | - |
| Трактор | К-701 | Двигатель: вал ведущий гидромуфты | 2 |
| Трактор | МТЗ-2 | Двигатель: привод генератора, опоры передняя и задняя | 2 |
| Трактор | МТЗ-2 | Механизм гидравлический: опора задняя | 1 |
| Трактор | МТЗ-5 | Двигатель: привод генератора, опоры передняя и задняя | 1 |
| Трактор | МТЗ-80 | Вал отбора мощности задний: барабан шестерни солнечной, опоры передняя и задняя | 2 |
| Трактор | МТЗ-80Л | Вал отбора мощности задний: барабан шестерни солнечной, опоры передняя и задняя | 2 |
| Трактор | МТЗ-82 | Вал отбора мощности задний: барабан шестерни солнечной, опоры передняя и задняя | 2 |
| Трактор | МТЗ-82 | Мост передний ведущий: редуктор передачи конечной | 2 |
| Трактор | МТЗ-82Л | Вал отбора мощности задний: барабан шестерни солнечной, опоры передняя и задняя | 2 |
| Трактор | МТЗ-82Л | Мост передний ведущий: редуктор передачи конечной | 2 |
| Трактор | Т-11.01.01Я | Коробка передач планетарная | 1 |
| Трактор | Т-11.01.01ЯМ | Коробка передач планетарная | 1 |
| Трактор | Т-11.01.01ЯМП | Коробка передач планетарная | 1 |
| Трактор | Т-25 | Вал отбора мощности | 1 |
| Трактор | Т-40 | Коробка передач: пара коническая | 1 |
| Трактор | Т-40А | Коробка передач: пара коническая | 1 |
| Трактор | Т-40А | Мост передний ведущий: шестерня ведущая передачи главной | 1 |
| Трактор | Т-40АМ | Коробка передач с дифференциалом | - |
| Трактор | Т-40АМ | Мост передний ведущий: шестерня ведущая | - |
| Трактор | Т-40АНМ | Коробка передач с дифференциалом | - |
| Трактор | Т-40АНМ | Мост передний ведущий: шестерня ведущая | - |
| Трактор | Т-40М | Коробка передач с дифференциалом | - |
| Трактор | Т-4А | Насос топливный: валик | - |
| Трактор | Т-75 | Сцепление: вал муфты главной, опора передняя | 1 |
| Трактор | Т-75 | Двигатель: вал ведомый механизма передаточного двигателя пускового, опора задняя | 1 |
| Трактор | ТТ-4М | Маховик | - |
| Трактор | ТТ-4М | Насос топливный: валик привода | - |
| Трактор | ТТ-4М-01 | Маховик | - |
| Трактор | ТТ-4М-01 | Насос топливный: валик привода | - |