210 К ТУ 37.006.087
| Обозначение | 210 К ТУ 37.006.087 |
|---|---|
| Цена импортная | 88 |
| Новинки | N |
| Хиты продаж | N |
| Скидки | N |
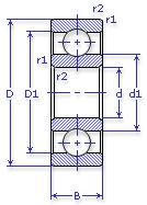
| Внутренний диаметр, d (мм) | 50 |
| Наружный диаметр, D (мм) | 90 |
| Ширина, В (мм) | 20 |
| Масса, m (кг) | 0.44 |
| Грузоподъемность динамическая, C (kN) | 35.1 |
| Грузоподъемность статическая, Co (kN) | 19.8 |
| Ном. частота вращен. при пластич. смазке, n grease (1/min) | 7000 |
| Диаметр шарика, d шарика (мм) | 12.7 |
| Количество шариков, N шариков | 10 |
| Ном. частота вращен. при жидк. смазке, n oil (1/min) | 8500 |
| Диаметр борта наружного кольца, D1(mm) | 77.9 |
| Диаметр борта внутреннего кольца, d1 (mm) | 61.8 |
| Радиус фаски, r1, r2 min (мм) | 1.1 |
Этот подшипник может быть заменен другими:
Подшипник 50210 — Условие отсутствует
Подшипник 60210 — При условии демонтажа одной защитной шайбы
Подшипник 160210 — При условии демонтажа одной защитной шайбы
Подшипник 150210 — При условии демонтажа одной защитной шайбы (п/ш с канавкой)
Подшипник 80210 — При условии демонтажа 2-х защитных шайб
Подшипник 180210 — При условии демонтажа 2-х защитных шайб
Подшипник 450210 — При условии демонтажа 2-х защитных шайб
Подшипник 750210 — При условии демонтажа 2-х защитных шайб
| Марка | Модель | Узел | Кол-во на узел |
|---|---|---|---|
| Автопогрузчик | 4008М | Грузоподъемник | 2 |
| Автопогрузчик | 4014 | Грузоподъемник | 2 |
| Автопогрузчик | 4016 | Грузоподъемник | 2 |
| Автопогрузчик | 4017 | Грузоподъемник | 2 |
| БелАЗ | 540А(27т) | Агрегаты вспомогательные: привод | 1 |
| БелАЗ | 548(40т) | Агрегаты вспомогательные: привод | 1 |
| БелАЗ | 7522(30т) | Агрегаты вспомогательные: привод | 1 |
| БелАЗ | 7523(40т) | Агрегаты вспомогательные: привод | 1 |
| БелАЗ | 7548(42т) | Гидротрансформатор | 2 |
| БелАЗ | 7548(42т) | Передача согласующая | 2 |
| Комбайн | Дон-680 | Редуктор вальцов верхних и стакана вальца верхнего | 2 |
| Комбайн | Дон-680 | Редуктор конический | 2 |
| Комбайн | КПИ-2.4 | Жатка для уборки силосных культур: редуктор | - |
| Комбайн | КСКУ-6 | Коробка переключения диапазонов | - |
| Косилка | КПС-5Г | Вал кривошипа: корпус | - |
| МАЗ | 543 | Передача повышающая | 1 |
| МАЗ | 7310 | Передача повышающая | 1 |
| МАЗ | 73101 | Передача повышающая | 1 |
| МАЗ | 7410 | Передача повышающая | 1 |
| МоАЗ | 6401-9585 | Коробка передач гидромеханическая | 6 |
| МоАЗ | 6507 | Мост управляемый | 2 |
| Погрузчик-экскаватор | ПЭ-0.8 | Редуктор | - |
| Станкостроение | Не указано | Не указано | - |
| Станкостроение | Не указано | Не указано | - |
| Трактор | ДТ-20 | Сцепление: механизм включения | 1 |
| Трактор | К-701 | Двигатель: вал привода агрегатов вспомогательных | 1 |
| Трактор | ЛХТ-55 | Коробка передач: валы | - |
| Трактор | ЛХТ-55 | Лебедка: редуктор привода | - |
| Трактор | МТЗ-100 | Мост задний: вал шестерни коронной заднего ВОМ | - |
| Трактор | МТЗ-100 | Корпус МС: опоры вала привода насосов ГСОМ | - |
| Трактор | МТЗ-100 | Корпус МС: опора передняя вала шестерен привода независимого ВОМ | - |
| Трактор | МТЗ-100 | Привод насоса гидросистемы навесного оборудования | - |
| Трактор | МТЗ-102 | Мост задний: вал шестерни коронной заднего ВОМ | - |
| Трактор | МТЗ-102 | Корпус МС: опоры вала привода насосов ГСОМ | - |
| Трактор | МТЗ-102 | Корпус МС: опора передняя вала шестерен привода независимого ВОМ | - |
| Трактор | МТЗ-102 | Привод насоса гидросистемы навесного оборудования | - |
| Трактор | МТЗ-2 | Вал отбора мощности: опора задняя | 1 |
| Трактор | МТЗ-5 | Привод вала отбора мощности: опоры передняя и задняя вала | 2 |
| Трактор | МТЗ-5 | Вал отбора мощности: опора задняя | 1 |
| Трактор | МТЗ-5 | Вал отбора мощности: привод, передняя и задняя опоры вала | 2 |
| Трактор | МТЗ-50 | Коробка передач: вал первичный, опора передняя | 1 |
| Трактор | МТЗ-50 | Вал отбора мощности задний: шестерня коронная | 1 |
| Трактор | МТЗ-50 | Коробка передач: вал промежуточный, опора передняя | 1 |
| Трактор | МТЗ-50 | Привод вала отбора мощности: опоры передняя и задняя вала | 2 |
| Трактор | МТЗ-50 | Вал отбора мощности: привод, передняя и задняя опоры вала | 2 |
| Трактор | МТЗ-50Л | Коробка передач: вал первичный, опора передняя | 1 |
| Трактор | МТЗ-50Л | Вал отбора мощности задний: шестерня коронная | 1 |
| Трактор | МТЗ-50Л | Коробка передач: вал промежуточный, опора передняя | 1 |
| Трактор | МТЗ-50Л | Привод вала отбора мощности: опоры передняя и задняя вала | 2 |
| Трактор | МТЗ-50Л | Вал отбора мощности: привод, передняя и задняя опоры вала | 2 |
| Трактор | МТЗ-50ПЛ | Коробка передач: вал первичный, опора передняя | 1 |
| Трактор | МТЗ-50ПЛ | Вал отбора мощности задний: шестерня коронная | 1 |
| Трактор | МТЗ-50ПЛ | Коробка передач: вал промежуточный, опора передняя | 1 |
| Трактор | МТЗ-50ПЛ | Привод вала отбора мощности: опоры передняя и задняя вала | 2 |
| Трактор | МТЗ-50ПЛ | Вал отбора мощности: привод, передняя и задняя опоры вала | 2 |
| Трактор | МТЗ-52 | Коробка передач: вал первичный, опора передняя | 1 |
| Трактор | МТЗ-52 | Вал отбора мощности задний: шестерня коронная | 1 |
| Трактор | МТЗ-52 | Коробка передач: вал промежуточный, опора передняя | 1 |
| Трактор | МТЗ-52 | Привод вала отбора мощности: опоры передняя и задняя вала | 2 |
| Трактор | МТЗ-52 | Вал отбора мощности: привод, передняя и задняя опоры вала | 2 |
| Трактор | МТЗ-52Л | Коробка передач: вал первичный, опора передняя | 1 |
| Трактор | МТЗ-52Л | Вал отбора мощности задний: шестерня коронная | 1 |
| Трактор | МТЗ-52Л | Коробка передач: вал промежуточный, опора передняя | 1 |
| Трактор | МТЗ-52Л | Привод вала отбора мощности: опоры передняя и задняя вала | 2 |
| Трактор | МТЗ-52Л | Вал отбора мощности: привод, передняя и задняя опоры вала | 2 |
| Трактор | МТЗ-5К | Привод вала отбора мощности: опоры передняя и задняя вала | 2 |
| Трактор | МТЗ-5К | Вал отбора мощности: опора задняя | 1 |
| Трактор | МТЗ-5К | Вал отбора мощности: привод, передняя и задняя опоры вала | 2 |
| Трактор | МТЗ-5Л | Привод вала отбора мощности: опоры передняя и задняя вала | 2 |
| Трактор | МТЗ-5Л | Вал отбора мощности: опора задняя | 1 |
| Трактор | МТЗ-5Л | Система тормозная: опора наружная вала | 2 |
| Трактор | МТЗ-5Л | Вал отбора мощности: привод, передняя и задняя опоры вала | 2 |
| Трактор | МТЗ-5ЛС | Привод вала отбора мощности: опоры передняя и задняя вала | 2 |
| Трактор | МТЗ-5ЛС | Вал отбора мощности: опора задняя | 1 |
| Трактор | МТЗ-5ЛС | Система тормозная: опора наружная вала | 2 |
| Трактор | МТЗ-5ЛС | Вал отбора мощности: привод, передняя и задняя опоры вала | 2 |
| Трактор | МТЗ-5М | Привод вала отбора мощности: опоры передняя и задняя вала | 2 |
| Трактор | МТЗ-5М | Вал отбора мощности: опора задняя | 1 |
| Трактор | МТЗ-5М | Система тормозная: опора наружная вала | 2 |
| Трактор | МТЗ-5М | Вал отбора мощности: привод, передняя и задняя опоры вала | 2 |
| Трактор | МТЗ-5МС | Привод вала отбора мощности: опоры передняя и задняя вала | 2 |
| Трактор | МТЗ-5МС | Вал отбора мощности: опора задняя | 1 |
| Трактор | МТЗ-5МС | Система тормозная: опора наружная вала | 2 |
| Трактор | МТЗ-5МС | Вал отбора мощности: привод, передняя и задняя опоры вала | 2 |
| Трактор | МТЗ-80 | Коробка передач: вал первичный, опора передняя | 1 |
| Трактор | МТЗ-80 | Вал отбора мощности задний | 2 |
| Трактор | МТЗ-80 | Вал отбора мощности задний: вал ведущий привода | 2 |
| Трактор | МТЗ-80 | Вал отбора мощности задний: шестерня коронная | 1 |
| Трактор | МТЗ-80 | Коробка передач: вал внутренний, опора передняя | 1 |
| Трактор | МТЗ-80 | Насос НШ 32-3: привод | 1 |
| Трактор | МТЗ-80Л | Коробка передач: вал первичный, опора передняя | 1 |
| Трактор | МТЗ-80Л | Вал отбора мощности задний: вал ведущий привода | 2 |
| Трактор | МТЗ-80Л | Вал отбора мощности задний: шестерня коронная | 1 |
| Трактор | МТЗ-80Л | Насос НШ 32-3: привод | 1 |
| Трактор | МТЗ-82 | Коробка передач: вал первичный, опора передняя | 1 |
| Трактор | МТЗ-82 | Вал отбора мощности задний: вал ведущий привода | 2 |
| Трактор | МТЗ-82 | Вал отбора мощности задний: шестерня коронная | 1 |
| Трактор | МТЗ-82 | Насос НШ 32-3: привод | 1 |
| Трактор | МТЗ-82Л | Коробка передач: вал первичный, опора передняя | 1 |
| Трактор | МТЗ-82Л | Вал отбора мощности задний: вал ведущий привода | 2 |
| Трактор | МТЗ-82Л | Вал отбора мощности задний: шестерня коронная | 1 |
| Трактор | МТЗ-82Л | Насос НШ 32-3: привод | 1 |
| Трактор | Т-11.01.01Я | Гидротрансформатор | 1 |
| Трактор | Т-11.01.01Я | Коробка передач планетарная | 1 |
| Трактор | Т-11.01.01ЯМ | Гидротрансформатор | 1 |
| Трактор | Т-11.01.01ЯМ | Коробка передач планетарная | 1 |
| Трактор | Т-11.01.01ЯМП | Гидротрансформатор | 1 |
| Трактор | Т-11.01.01ЯМП | Коробка передач планетарная | 1 |
| Трактор | Т-150 | Вал отбора мощности: вал ведомый редуктора | 1 |
| Трактор | Т-150К | Вал хода заднего | 1 |
| Трактор | Т-150К | Вал отбора мощности: вал ведомый | 1 |
| Трактор | Т-151К с двигателем СМД-62/63 | Вал отбора мощности: вал ведомый | - |
| Трактор | Т-151К с двигателем СМД-62А/63А | Вал отбора мощности: вал ведомый | - |
| Трактор | Т-4А | Вал приводной передний | - |
| Трактор | ТДТ-55 | Коробка передач: валы | - |
| Трактор | ТДТ-55 | Лебедка: редуктор привода | - |
| Трактор | ХТЗ-120 | Вал отбора мощности: вал ведомый | - |
| Трактор | ХТЗ-121 | Вал отбора мощности: вал ведомый | - |
| Трактор | ХТЗ-16131 (кроме двигателя) | Вал отбора мощности: вал ведомый | - |
| Трактор | ЮМЗ-6АЛ | Сцепление | - |
| Трактор | ЮМЗ-6АЛ | Вал отбора мощности | - |
| Трактор | ЮМЗ-6АЛ | Тормоз: вал | - |
| Трактор | ЮМЗ-6АМ | Сцепление | - |
| Трактор | ЮМЗ-6АМ | Вал отбора мощности | - |
| Трактор | ЮМЗ-6АМ | Тормоз: вал | - |
| Трактор | ЮМЗ-6КМ | Сцепление | - |
| Трактор | ЮМЗ-6КМ | Вал отбора мощности | - |
| Трактор | ЮМЗ-6КМ | Тормоз: вал | - |