Подшипники гост
Интернет-магазин
8-800-250-16-58
Обратный звонок

Заказ обратного звонка




Эл. почта:
info@amost.ru
Свои заказы Корзина пуста





Получать прайс-лист на email:

Чтобы отписаться от рассылки, введите e-mail, на который вы получаете наши письма:

 

Поиск подшипников

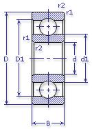
Масса и размеры

Внутренний диаметр d, мм

От  до 

Наружный диаметр D, мм

От  до 

Ширина b, мм

Применяемость

Раздел каталога

Подшипник шариковый радиальный однорядный основного конструктивного исполнения

210 К ГОСТ 520

Отечественный
Импортный
Цена: 120.00 руб

Производитель



под заказ
Обозначение 210 К ГОСТ 520
Цена импортная 88
Новинки N
Хиты продаж N
Скидки N
Внутренний диаметр, d (мм) 50
Наружный диаметр, D (мм) 90
Ширина, В (мм) 20
Масса, m (кг) 0.44
Грузоподъемность динамическая, C (kN) 35.1
Грузоподъемность статическая, Co (kN) 19.8
Ном. частота вращен. при пластич. смазке, n grease (1/min) 7000
Диаметр шарика, d шарика (мм) 12.7
Количество шариков, N шариков 10
Ном. частота вращен. при жидк. смазке, n oil (1/min) 8500
Диаметр борта наружного кольца, D1(mm) 77.9
Диаметр борта внутреннего кольца, d1 (mm) 61.8
Радиус фаски, r1, r2 min (мм) 1.1
210 К ГОСТ 520

Этот подшипник может быть заменен другими:

Подшипник 50210 — Условие отсутствует

Подшипник 60210 — При условии демонтажа одной защитной шайбы

Подшипник 160210 — При условии демонтажа одной защитной шайбы

Подшипник 150210 — При условии демонтажа одной защитной шайбы (п/ш с канавкой)

Подшипник 80210 — При условии демонтажа 2-х защитных шайб

Подшипник 180210 — При условии демонтажа 2-х защитных шайб

Подшипник 450210 — При условии демонтажа 2-х защитных шайб

Подшипник 750210 — При условии демонтажа 2-х защитных шайб

Марка Модель Узел Кол-во на узел
Автопогрузчик 4008М Грузоподъемник 2
Автопогрузчик 4014 Грузоподъемник 2
Автопогрузчик 4016 Грузоподъемник 2
Автопогрузчик 4017 Грузоподъемник 2
БелАЗ 540А(27т) Агрегаты вспомогательные: привод 1
БелАЗ 548(40т) Агрегаты вспомогательные: привод 1
БелАЗ 7522(30т) Агрегаты вспомогательные: привод 1
БелАЗ 7523(40т) Агрегаты вспомогательные: привод 1
БелАЗ 7548(42т) Гидротрансформатор 2
БелАЗ 7548(42т) Передача согласующая 2
Комбайн Дон-680 Редуктор вальцов верхних и стакана вальца верхнего 2
Комбайн Дон-680 Редуктор конический 2
Комбайн КПИ-2.4 Жатка для уборки силосных культур: редуктор -
Комбайн КСКУ-6 Коробка переключения диапазонов -
Косилка КПС-5Г Вал кривошипа: корпус -
МАЗ 543 Передача повышающая 1
МАЗ 7310 Передача повышающая 1
МАЗ 73101 Передача повышающая 1
МАЗ 7410 Передача повышающая 1
МоАЗ 6401-9585 Коробка передач гидромеханическая 6
МоАЗ 6507 Мост управляемый 2
Погрузчик-экскаватор ПЭ-0.8 Редуктор -
Станкостроение Не указано Не указано -
Станкостроение Не указано Не указано -
Трактор ДТ-20 Сцепление: механизм включения 1
Трактор К-701 Двигатель: вал привода агрегатов вспомогательных 1
Трактор ЛХТ-55 Коробка передач: валы -
Трактор ЛХТ-55 Лебедка: редуктор привода -
Трактор МТЗ-100 Мост задний: вал шестерни коронной заднего ВОМ -
Трактор МТЗ-100 Корпус МС: опоры вала привода насосов ГСОМ -
Трактор МТЗ-100 Корпус МС: опора передняя вала шестерен привода независимого ВОМ -
Трактор МТЗ-100 Привод насоса гидросистемы навесного оборудования -
Трактор МТЗ-102 Мост задний: вал шестерни коронной заднего ВОМ -
Трактор МТЗ-102 Корпус МС: опоры вала привода насосов ГСОМ -
Трактор МТЗ-102 Корпус МС: опора передняя вала шестерен привода независимого ВОМ -
Трактор МТЗ-102 Привод насоса гидросистемы навесного оборудования -
Трактор МТЗ-2 Вал отбора мощности: опора задняя 1
Трактор МТЗ-5 Привод вала отбора мощности: опоры передняя и задняя вала 2
Трактор МТЗ-5 Вал отбора мощности: опора задняя 1
Трактор МТЗ-5 Вал отбора мощности: привод, передняя и задняя опоры вала 2
Трактор МТЗ-50 Коробка передач: вал первичный, опора передняя 1
Трактор МТЗ-50 Вал отбора мощности задний: шестерня коронная 1
Трактор МТЗ-50 Коробка передач: вал промежуточный, опора передняя 1
Трактор МТЗ-50 Привод вала отбора мощности: опоры передняя и задняя вала 2
Трактор МТЗ-50 Вал отбора мощности: привод, передняя и задняя опоры вала 2
Трактор МТЗ-50Л Коробка передач: вал первичный, опора передняя 1
Трактор МТЗ-50Л Вал отбора мощности задний: шестерня коронная 1
Трактор МТЗ-50Л Коробка передач: вал промежуточный, опора передняя 1
Трактор МТЗ-50Л Привод вала отбора мощности: опоры передняя и задняя вала 2
Трактор МТЗ-50Л Вал отбора мощности: привод, передняя и задняя опоры вала 2
Трактор МТЗ-50ПЛ Коробка передач: вал первичный, опора передняя 1
Трактор МТЗ-50ПЛ Вал отбора мощности задний: шестерня коронная 1
Трактор МТЗ-50ПЛ Коробка передач: вал промежуточный, опора передняя 1
Трактор МТЗ-50ПЛ Привод вала отбора мощности: опоры передняя и задняя вала 2
Трактор МТЗ-50ПЛ Вал отбора мощности: привод, передняя и задняя опоры вала 2
Трактор МТЗ-52 Коробка передач: вал первичный, опора передняя 1
Трактор МТЗ-52 Вал отбора мощности задний: шестерня коронная 1
Трактор МТЗ-52 Коробка передач: вал промежуточный, опора передняя 1
Трактор МТЗ-52 Привод вала отбора мощности: опоры передняя и задняя вала 2
Трактор МТЗ-52 Вал отбора мощности: привод, передняя и задняя опоры вала 2
Трактор МТЗ-52Л Коробка передач: вал первичный, опора передняя 1
Трактор МТЗ-52Л Вал отбора мощности задний: шестерня коронная 1
Трактор МТЗ-52Л Коробка передач: вал промежуточный, опора передняя 1
Трактор МТЗ-52Л Привод вала отбора мощности: опоры передняя и задняя вала 2
Трактор МТЗ-52Л Вал отбора мощности: привод, передняя и задняя опоры вала 2
Трактор МТЗ-5К Привод вала отбора мощности: опоры передняя и задняя вала 2
Трактор МТЗ-5К Вал отбора мощности: опора задняя 1
Трактор МТЗ-5К Вал отбора мощности: привод, передняя и задняя опоры вала 2
Трактор МТЗ-5Л Привод вала отбора мощности: опоры передняя и задняя вала 2
Трактор МТЗ-5Л Вал отбора мощности: опора задняя 1
Трактор МТЗ-5Л Система тормозная: опора наружная вала 2
Трактор МТЗ-5Л Вал отбора мощности: привод, передняя и задняя опоры вала 2
Трактор МТЗ-5ЛС Привод вала отбора мощности: опоры передняя и задняя вала 2
Трактор МТЗ-5ЛС Вал отбора мощности: опора задняя 1
Трактор МТЗ-5ЛС Система тормозная: опора наружная вала 2
Трактор МТЗ-5ЛС Вал отбора мощности: привод, передняя и задняя опоры вала 2
Трактор МТЗ-5М Привод вала отбора мощности: опоры передняя и задняя вала 2
Трактор МТЗ-5М Вал отбора мощности: опора задняя 1
Трактор МТЗ-5М Система тормозная: опора наружная вала 2
Трактор МТЗ-5М Вал отбора мощности: привод, передняя и задняя опоры вала 2
Трактор МТЗ-5МС Привод вала отбора мощности: опоры передняя и задняя вала 2
Трактор МТЗ-5МС Вал отбора мощности: опора задняя 1
Трактор МТЗ-5МС Система тормозная: опора наружная вала 2
Трактор МТЗ-5МС Вал отбора мощности: привод, передняя и задняя опоры вала 2
Трактор МТЗ-80 Коробка передач: вал первичный, опора передняя 1
Трактор МТЗ-80 Вал отбора мощности задний 2
Трактор МТЗ-80 Вал отбора мощности задний: вал ведущий привода 2
Трактор МТЗ-80 Вал отбора мощности задний: шестерня коронная 1
Трактор МТЗ-80 Коробка передач: вал внутренний, опора передняя 1
Трактор МТЗ-80 Насос НШ 32-3: привод 1
Трактор МТЗ-80Л Коробка передач: вал первичный, опора передняя 1
Трактор МТЗ-80Л Вал отбора мощности задний: вал ведущий привода 2
Трактор МТЗ-80Л Вал отбора мощности задний: шестерня коронная 1
Трактор МТЗ-80Л Насос НШ 32-3: привод 1
Трактор МТЗ-82 Коробка передач: вал первичный, опора передняя 1
Трактор МТЗ-82 Вал отбора мощности задний: вал ведущий привода 2
Трактор МТЗ-82 Вал отбора мощности задний: шестерня коронная 1
Трактор МТЗ-82 Насос НШ 32-3: привод 1
Трактор МТЗ-82Л Коробка передач: вал первичный, опора передняя 1
Трактор МТЗ-82Л Вал отбора мощности задний: вал ведущий привода 2
Трактор МТЗ-82Л Вал отбора мощности задний: шестерня коронная 1
Трактор МТЗ-82Л Насос НШ 32-3: привод 1
Трактор Т-11.01.01Я Гидротрансформатор 1
Трактор Т-11.01.01Я Коробка передач планетарная 1
Трактор Т-11.01.01ЯМ Гидротрансформатор 1
Трактор Т-11.01.01ЯМ Коробка передач планетарная 1
Трактор Т-11.01.01ЯМП Гидротрансформатор 1
Трактор Т-11.01.01ЯМП Коробка передач планетарная 1
Трактор Т-150 Вал отбора мощности: вал ведомый редуктора 1
Трактор Т-150К Вал хода заднего 1
Трактор Т-150К Вал отбора мощности: вал ведомый 1
Трактор Т-151К с двигателем СМД-62/63 Вал отбора мощности: вал ведомый -
Трактор Т-151К с двигателем СМД-62А/63А Вал отбора мощности: вал ведомый -
Трактор Т-4А Вал приводной передний -
Трактор ТДТ-55 Коробка передач: валы -
Трактор ТДТ-55 Лебедка: редуктор привода -
Трактор ХТЗ-120 Вал отбора мощности: вал ведомый -
Трактор ХТЗ-121 Вал отбора мощности: вал ведомый -
Трактор ХТЗ-16131 (кроме двигателя) Вал отбора мощности: вал ведомый -
Трактор ЮМЗ-6АЛ Сцепление -
Трактор ЮМЗ-6АЛ Вал отбора мощности -
Трактор ЮМЗ-6АЛ Тормоз: вал -
Трактор ЮМЗ-6АМ Сцепление -
Трактор ЮМЗ-6АМ Вал отбора мощности -
Трактор ЮМЗ-6АМ Тормоз: вал -
Трактор ЮМЗ-6КМ Сцепление -
Трактор ЮМЗ-6КМ Вал отбора мощности -
Трактор ЮМЗ-6КМ Тормоз: вал -
Бренд Обозначение
ГПЗ 210
SKF 6210
FAG 6210
NSK 6210
Товар добавлен в корзину
Перейти в корзину ×