211 Д1 ГОСТ 520
| Обозначение | 211 Д1 ГОСТ 520 |
|---|---|
| Цена импортная | 110 |
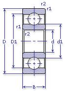
| Внутренний диаметр, d (мм) | 55 |
| Наружный диаметр, D (мм) | 100 |
| Ширина, В (мм) | 21 |
| Масса, m (кг) | 0.6 |
| Грузоподъемность динамическая, C (kN) | 43.6 |
| Грузоподъемность статическая, Co (kN) | 25 |
| Ном. частота вращен. при пластич. смазке, n grease (1/min) | 6300 |
| Диаметр шарика, d шарика (мм) | 14.288 |
| Количество шариков, N шариков | 10 |
| Ном. частота вращен. при жидк. смазке, n oil (1/min) | 7500 |
| Диаметр борта наружного кольца, D1(mm) | 86.1 |
| Диаметр борта внутреннего кольца, d1 (mm) | 68.7 |
| Радиус фаски, r1, r2 min (мм) | 1.5 |
Этот подшипник может быть заменен другими:
Подшипник 50211 — Условие отсутствует
Подшипник 60211 — При условии демонтажа одной защитной шайбы
Подшипник 160211 — При условии демонтажа одной защитной шайбы
Подшипник 150211 — При условии демонтажа одной защитной шайбы (п/ш с канавкой)
Подшипник 80211 — При условии демонтажа 2-х защитных шайб
Подшипник 180211 — При условии демонтажа 2-х защитных шайб
Подшипник 450211 — При условии демонтажа 2-х защитных шайб
| Марка | Модель | Узел | Кол-во на узел |
|---|---|---|---|
| БелАЗ | 540А(27т) | Агрегаты вспомогательные: привод | 1 |
| БелАЗ | 548(40т) | Агрегаты вспомогательные: привод | 1 |
| БелАЗ | 549(75т) | Двигатель | 3 |
| БелАЗ | 7509 | Двигатель | 3 |
| БелАЗ | 75091(75т) | Двигатель | 3 |
| БелАЗ | 7522(30т) | Агрегаты вспомогательные: привод | 1 |
| БелАЗ | 7523(40т) | Агрегаты вспомогательные: привод | 1 |
| Комбайн | Дон-1200 | Привод реверсивный шнека жатки | - |
| Комбайн | Дон-1200 | Редуктор муфты сцепления моста колес ведущих | 4 |
| Комбайн | Дон-1200 | Редуктор сцепления | - |
| Комбайн | Дон-1200 | Коробка диапазонов скоростей | - |
| Комбайн | Дон-1500 | Привод реверсивный шнека жатки | - |
| Комбайн | Дон-1500 | Редуктор сцепления | - |
| Комбайн | Дон-1500 | Коробка диапазонов скоростей | - |
| Комбайн | Дон-1500А | Привод реверсивный шнека жатки | 1 |
| Комбайн | Дон-680 | Опоры вала-шестерни редуктора питателя | 1 |
| Комбайн | Дон-680 | Стакан редуктора левого конического | 2 |
| Комбайн | Енисей-1200 | Сцепление ходовой части | - |
| Комбайн | КЗС-3 | Сцепление: вал муфты | - |
| Комбайн | Колос | Двигатель: муфта сцепления | - |
| Комбайн | КОП-1.4 | Передача карданная | - |
| Комбайн | Нива | Муфта сцепления | 1 |
| Комбайн | Нива | Подшипник выжимной муфты сцепления ходовой части | - |
| Косилка | КПС-5Г | Дифференциал с тормозами | - |
| КрАЗ | 260 | Тросоукладчик | 2 |
| КрАЗ | 260А | Тросоукладчик | 2 |
| КрАЗ | 260Г | Тросоукладчик | 2 |
| КрАЗ | 260С | Тросоукладчик | 2 |
| Станкостроение | Не указано | Не указано | - |
| Станкостроение | Не указано | Не указано | - |
| Трактор | К-701 | Двигатель: вал привода агрегатов вспомогательных | 1 |
| Трактор | МТЗ-2 | Коробка передач: вал промежуточный, опора передняя | 1 |
| Трактор | МТЗ-5 | Коробка передач: вал промежуточный, опора передняя | 1 |
| Трактор | МТЗ-50 | Шкив приводной: вал ведущий, опора передняя | 1 |
| Трактор | МТЗ-50 | Сцепление: вал силовой передачи муфты, опора задняя | 1 |
| Трактор | МТЗ-50Л | Шкив приводной: вал ведущий, опора передняя | 1 |
| Трактор | МТЗ-50Л | Сцепление: вал силовой передачи муфты, опора задняя | 1 |
| Трактор | МТЗ-50ПЛ | Шкив приводной: вал ведущий, опора передняя | 1 |
| Трактор | МТЗ-50ПЛ | Сцепление: вал силовой передачи муфты, опора задняя | 1 |
| Трактор | МТЗ-52 | Шкив приводной: вал ведущий, опора передняя | 1 |
| Трактор | МТЗ-52 | Сцепление: вал силовой передачи муфты, опора задняя | 1 |
| Трактор | МТЗ-52Л | Шкив приводной: вал ведущий, опора передняя | 1 |
| Трактор | МТЗ-52Л | Сцепление: вал силовой передачи муфты, опора задняя | 1 |
| Трактор | МТЗ-5К | Коробка передач: вал промежуточный, опора передняя | 1 |
| Трактор | МТЗ-5Л | Коробка передач: вал промежуточный, опора передняя | 1 |
| Трактор | МТЗ-5Л | Шкив приводной: вал ведущий, опора передняя | 1 |
| Трактор | МТЗ-5ЛС | Коробка передач: вал промежуточный, опора передняя | 1 |
| Трактор | МТЗ-5ЛС | Шкив приводной: вал ведущий, опора передняя | 1 |
| Трактор | МТЗ-5М | Коробка передач: вал промежуточный, опора передняя | 1 |
| Трактор | МТЗ-5М | Шкив приводной: вал ведущий, опора передняя | 1 |
| Трактор | МТЗ-5МС | Коробка передач: вал промежуточный, опора передняя | 1 |
| Трактор | МТЗ-5МС | Шкив приводной: вал ведущий, опора передняя | 1 |
| Трактор | МТЗ-80 | Передача силовая: вал | 1 |
| Трактор | МТЗ-80 | Шкив приводной: вал ведущий, опора | 2 |
| Трактор | МТЗ-80Л | Передача силовая: вал | 1 |
| Трактор | МТЗ-80Л | Шкив приводной: вал ведущий, опора | 2 |
| Трактор | МТЗ-82 | Передача силовая: вал | 1 |
| Трактор | МТЗ-82 | Шкив приводной: вал ведущий, опора | 2 |
| Трактор | МТЗ-82Л | Передача силовая: вал | 1 |
| Трактор | МТЗ-82Л | Шкив приводной: вал ведущий, опора | 2 |
| Трактор | Т-15.01Я | Гидротрансформатор | 1 |
| Трактор | Т-15.01Я | Коробка передач планетарная | 1 |
| Трактор | Т-15.01ЯМ | Гидротрансформатор | 1 |
| Трактор | Т-15.01ЯМ | Коробка передач планетарная | 1 |
| Трактор | Т-150 | Вал отбора мощности: шестерни ведомые редуктора | 2 |
| Трактор | Т-150К | Вал отбора мощности: вал ведомый | 2 |
| Трактор | Т-151К с двигателем СМД-62/63 | Вал отбора мощности: вал ведомый | - |
| Трактор | Т-151К с двигателем СМД-62А/63А | Вал отбора мощности: вал ведомый | - |
| Трактор | Т-16 | Стакан подшипника | 1 |
| Трактор | Т-20.01Я | Гидротрансформатор | 1 |
| Трактор | Т-20.01Я | Коробка передач планетарная | 1 |
| Трактор | Т-40 | Вал отбора мощности: привод синхронный | 2 |
| Трактор | Т-40А | Вал отбора мощности: привод синхронный | 2 |
| Трактор | Т-40АМ | Вал отбора мощности независимый синхронный | - |
| Трактор | Т-40АНМ | Вал отбора мощности независимый синхронный | - |
| Трактор | Т-40М | Вал отбора мощности независимый синхронный | - |
| Трактор | ХТЗ-120 | Вал отбора мощности: вал ведомый | - |
| Трактор | ХТЗ-121 | Вал отбора мощности: вал ведомый | - |
| Трактор | ХТЗ-16131 (кроме двигателя) | Вал отбора мощности: вал ведущий | - |
| Трактор | ЮМЗ-6АЛ | Коробка передач | - |
| Трактор | ЮМЗ-6АМ | Коробка передач | - |
| Трактор | ЮМЗ-6КМ | Коробка передач | - |
| УРАЛ | 375Д | Коробка отбора мощности | 1 |
| УРАЛ | 375ДМ | Коробка отбора мощности | 1 |
| УРАЛ | 4320 | Коробка отбора мощности | 1 |
| УРАЛ | 5557 | Коробка отбора мощности | 1 |
| УРАЛ | 5920 | Вал карданный | 2 |
| УРАЛ | 5920 | Коробка отбора мощности | 3 |