Подшипники гост
Интернет-магазин
8-800-250-16-58
Обратный звонок

Заказ обратного звонка




Эл. почта:
info@amost.ru
Свои заказы Корзина пуста





Получать прайс-лист на email:

Чтобы отписаться от рассылки, введите e-mail, на который вы получаете наши письма:

 

Поиск подшипников

Масса и размеры

Внутренний диаметр d, мм

От  до 

Наружный диаметр D, мм

От  до 

Ширина b, мм

Применяемость

Раздел каталога

Подшипник шариковый радиальный однорядный основного конструктивного исполнения

211 Р ЕТУ ВНИПП.100/3

Отечественный
Импортный
Цена: 138.00 руб

Производитель



под заказ
Обозначение 211 Р ЕТУ ВНИПП.100/3
Цена импортная 110
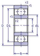
Внутренний диаметр, d (мм) 55
Наружный диаметр, D (мм) 100
Ширина, В (мм) 21
Масса, m (кг) 0.6
Грузоподъемность динамическая, C (kN) 43.6
Грузоподъемность статическая, Co (kN) 25
Ном. частота вращен. при пластич. смазке, n grease (1/min) 6300
Диаметр шарика, d шарика (мм) 14.288
Количество шариков, N шариков 10
Ном. частота вращен. при жидк. смазке, n oil (1/min) 7500
Диаметр борта наружного кольца, D1(mm) 86.1
Диаметр борта внутреннего кольца, d1 (mm) 68.7
Радиус фаски, r1, r2 min (мм) 1.5
211 Р ЕТУ ВНИПП.100/3

Этот подшипник может быть заменен другими:

Подшипник 50211 — Условие отсутствует

Подшипник 60211 — При условии демонтажа одной защитной шайбы

Подшипник 160211 — При условии демонтажа одной защитной шайбы

Подшипник 150211 — При условии демонтажа одной защитной шайбы (п/ш с канавкой)

Подшипник 80211 — При условии демонтажа 2-х защитных шайб

Подшипник 180211 — При условии демонтажа 2-х защитных шайб

Подшипник 450211 — При условии демонтажа 2-х защитных шайб

Марка Модель Узел Кол-во на узел
БелАЗ 540А(27т) Агрегаты вспомогательные: привод 1
БелАЗ 548(40т) Агрегаты вспомогательные: привод 1
БелАЗ 549(75т) Двигатель 3
БелАЗ 7509 Двигатель 3
БелАЗ 75091(75т) Двигатель 3
БелАЗ 7522(30т) Агрегаты вспомогательные: привод 1
БелАЗ 7523(40т) Агрегаты вспомогательные: привод 1
Комбайн Дон-1200 Привод реверсивный шнека жатки -
Комбайн Дон-1200 Редуктор муфты сцепления моста колес ведущих 4
Комбайн Дон-1200 Редуктор сцепления -
Комбайн Дон-1200 Коробка диапазонов скоростей -
Комбайн Дон-1500 Привод реверсивный шнека жатки -
Комбайн Дон-1500 Редуктор сцепления -
Комбайн Дон-1500 Коробка диапазонов скоростей -
Комбайн Дон-1500А Привод реверсивный шнека жатки 1
Комбайн Дон-680 Опоры вала-шестерни редуктора питателя 1
Комбайн Дон-680 Стакан редуктора левого конического 2
Комбайн Енисей-1200 Сцепление ходовой части -
Комбайн КЗС-3 Сцепление: вал муфты -
Комбайн Колос Двигатель: муфта сцепления -
Комбайн КОП-1.4 Передача карданная -
Комбайн Нива Муфта сцепления 1
Комбайн Нива Подшипник выжимной муфты сцепления ходовой части -
Косилка КПС-5Г Дифференциал с тормозами -
КрАЗ 260 Тросоукладчик 2
КрАЗ 260А Тросоукладчик 2
КрАЗ 260Г Тросоукладчик 2
КрАЗ 260С Тросоукладчик 2
Станкостроение Не указано Не указано -
Станкостроение Не указано Не указано -
Трактор К-701 Двигатель: вал привода агрегатов вспомогательных 1
Трактор МТЗ-2 Коробка передач: вал промежуточный, опора передняя 1
Трактор МТЗ-5 Коробка передач: вал промежуточный, опора передняя 1
Трактор МТЗ-50 Шкив приводной: вал ведущий, опора передняя 1
Трактор МТЗ-50 Сцепление: вал силовой передачи муфты, опора задняя 1
Трактор МТЗ-50Л Шкив приводной: вал ведущий, опора передняя 1
Трактор МТЗ-50Л Сцепление: вал силовой передачи муфты, опора задняя 1
Трактор МТЗ-50ПЛ Шкив приводной: вал ведущий, опора передняя 1
Трактор МТЗ-50ПЛ Сцепление: вал силовой передачи муфты, опора задняя 1
Трактор МТЗ-52 Шкив приводной: вал ведущий, опора передняя 1
Трактор МТЗ-52 Сцепление: вал силовой передачи муфты, опора задняя 1
Трактор МТЗ-52Л Шкив приводной: вал ведущий, опора передняя 1
Трактор МТЗ-52Л Сцепление: вал силовой передачи муфты, опора задняя 1
Трактор МТЗ-5К Коробка передач: вал промежуточный, опора передняя 1
Трактор МТЗ-5Л Коробка передач: вал промежуточный, опора передняя 1
Трактор МТЗ-5Л Шкив приводной: вал ведущий, опора передняя 1
Трактор МТЗ-5ЛС Коробка передач: вал промежуточный, опора передняя 1
Трактор МТЗ-5ЛС Шкив приводной: вал ведущий, опора передняя 1
Трактор МТЗ-5М Коробка передач: вал промежуточный, опора передняя 1
Трактор МТЗ-5М Шкив приводной: вал ведущий, опора передняя 1
Трактор МТЗ-5МС Коробка передач: вал промежуточный, опора передняя 1
Трактор МТЗ-5МС Шкив приводной: вал ведущий, опора передняя 1
Трактор МТЗ-80 Передача силовая: вал 1
Трактор МТЗ-80 Шкив приводной: вал ведущий, опора 2
Трактор МТЗ-80Л Передача силовая: вал 1
Трактор МТЗ-80Л Шкив приводной: вал ведущий, опора 2
Трактор МТЗ-82 Передача силовая: вал 1
Трактор МТЗ-82 Шкив приводной: вал ведущий, опора 2
Трактор МТЗ-82Л Передача силовая: вал 1
Трактор МТЗ-82Л Шкив приводной: вал ведущий, опора 2
Трактор Т-15.01Я Гидротрансформатор 1
Трактор Т-15.01Я Коробка передач планетарная 1
Трактор Т-15.01ЯМ Гидротрансформатор 1
Трактор Т-15.01ЯМ Коробка передач планетарная 1
Трактор Т-150 Вал отбора мощности: шестерни ведомые редуктора 2
Трактор Т-150К Вал отбора мощности: вал ведомый 2
Трактор Т-151К с двигателем СМД-62/63 Вал отбора мощности: вал ведомый -
Трактор Т-151К с двигателем СМД-62А/63А Вал отбора мощности: вал ведомый -
Трактор Т-16 Стакан подшипника 1
Трактор Т-20.01Я Гидротрансформатор 1
Трактор Т-20.01Я Коробка передач планетарная 1
Трактор Т-40 Вал отбора мощности: привод синхронный 2
Трактор Т-40А Вал отбора мощности: привод синхронный 2
Трактор Т-40АМ Вал отбора мощности независимый синхронный -
Трактор Т-40АНМ Вал отбора мощности независимый синхронный -
Трактор Т-40М Вал отбора мощности независимый синхронный -
Трактор ХТЗ-120 Вал отбора мощности: вал ведомый -
Трактор ХТЗ-121 Вал отбора мощности: вал ведомый -
Трактор ХТЗ-16131 (кроме двигателя) Вал отбора мощности: вал ведущий -
Трактор ЮМЗ-6АЛ Коробка передач -
Трактор ЮМЗ-6АМ Коробка передач -
Трактор ЮМЗ-6КМ Коробка передач -
УРАЛ 375Д Коробка отбора мощности 1
УРАЛ 375ДМ Коробка отбора мощности 1
УРАЛ 4320 Коробка отбора мощности 1
УРАЛ 5557 Коробка отбора мощности 1
УРАЛ 5920 Вал карданный 2
УРАЛ 5920 Коробка отбора мощности 3
Бренд Обозначение
ГПЗ 211
SKF 6211
FAG 6211
NSK 6211
Товар добавлен в корзину
Перейти в корзину ×