Подшипники гост
Интернет-магазин
8-800-250-16-58
Обратный звонок

Заказ обратного звонка




Эл. почта:
info@amost.ru
Свои заказы Корзина пуста





Получать прайс-лист на email:

Чтобы отписаться от рассылки, введите e-mail, на который вы получаете наши письма:

 

Поиск подшипников

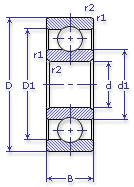
Масса и размеры

Внутренний диаметр d, мм

От  до 

Наружный диаметр D, мм

От  до 

Ширина b, мм

Применяемость

Раздел каталога

Подшипник шариковый радиальный однорядный основного конструктивного исполнения

211 ТУ 37.006.153

Отечественный
Импортный
Цена: 138.00 руб

Производитель



под заказ
Обозначение 211 ТУ 37.006.153
Цена импортная 110
Внутренний диаметр, d (мм) 55
Наружный диаметр, D (мм) 100
Ширина, В (мм) 21
Масса, m (кг) 0.6
Грузоподъемность динамическая, C (kN) 43.6
Грузоподъемность статическая, Co (kN) 25
Ном. частота вращен. при пластич. смазке, n grease (1/min) 6300
Диаметр шарика, d шарика (мм) 14.288
Количество шариков, N шариков 10
Ном. частота вращен. при жидк. смазке, n oil (1/min) 7500
Диаметр борта наружного кольца, D1(mm) 86.1
Диаметр борта внутреннего кольца, d1 (mm) 68.7
Радиус фаски, r1, r2 min (мм) 1.5
211 ТУ 37.006.153

Этот подшипник может быть заменен другими:

Подшипник 50211 — Условие отсутствует

Подшипник 60211 — При условии демонтажа одной защитной шайбы

Подшипник 160211 — При условии демонтажа одной защитной шайбы

Подшипник 150211 — При условии демонтажа одной защитной шайбы (п/ш с канавкой)

Подшипник 80211 — При условии демонтажа 2-х защитных шайб

Подшипник 180211 — При условии демонтажа 2-х защитных шайб

Подшипник 450211 — При условии демонтажа 2-х защитных шайб

Марка Модель Узел Кол-во на узел
БелАЗ 540А(27т) Агрегаты вспомогательные: привод 1
БелАЗ 548(40т) Агрегаты вспомогательные: привод 1
БелАЗ 549(75т) Двигатель 3
БелАЗ 7509 Двигатель 3
БелАЗ 75091(75т) Двигатель 3
БелАЗ 7522(30т) Агрегаты вспомогательные: привод 1
БелАЗ 7523(40т) Агрегаты вспомогательные: привод 1
Комбайн Дон-1200 Привод реверсивный шнека жатки -
Комбайн Дон-1200 Редуктор муфты сцепления моста колес ведущих 4
Комбайн Дон-1200 Редуктор сцепления -
Комбайн Дон-1200 Коробка диапазонов скоростей -
Комбайн Дон-1500 Привод реверсивный шнека жатки -
Комбайн Дон-1500 Редуктор сцепления -
Комбайн Дон-1500 Коробка диапазонов скоростей -
Комбайн Дон-1500А Привод реверсивный шнека жатки 1
Комбайн Дон-680 Опоры вала-шестерни редуктора питателя 1
Комбайн Дон-680 Стакан редуктора левого конического 2
Комбайн Енисей-1200 Сцепление ходовой части -
Комбайн КЗС-3 Сцепление: вал муфты -
Комбайн Колос Двигатель: муфта сцепления -
Комбайн КОП-1.4 Передача карданная -
Комбайн Нива Муфта сцепления 1
Комбайн Нива Подшипник выжимной муфты сцепления ходовой части -
Косилка КПС-5Г Дифференциал с тормозами -
КрАЗ 260 Тросоукладчик 2
КрАЗ 260А Тросоукладчик 2
КрАЗ 260Г Тросоукладчик 2
КрАЗ 260С Тросоукладчик 2
Станкостроение Не указано Не указано -
Станкостроение Не указано Не указано -
Трактор К-701 Двигатель: вал привода агрегатов вспомогательных 1
Трактор МТЗ-2 Коробка передач: вал промежуточный, опора передняя 1
Трактор МТЗ-5 Коробка передач: вал промежуточный, опора передняя 1
Трактор МТЗ-50 Шкив приводной: вал ведущий, опора передняя 1
Трактор МТЗ-50 Сцепление: вал силовой передачи муфты, опора задняя 1
Трактор МТЗ-50Л Шкив приводной: вал ведущий, опора передняя 1
Трактор МТЗ-50Л Сцепление: вал силовой передачи муфты, опора задняя 1
Трактор МТЗ-50ПЛ Шкив приводной: вал ведущий, опора передняя 1
Трактор МТЗ-50ПЛ Сцепление: вал силовой передачи муфты, опора задняя 1
Трактор МТЗ-52 Шкив приводной: вал ведущий, опора передняя 1
Трактор МТЗ-52 Сцепление: вал силовой передачи муфты, опора задняя 1
Трактор МТЗ-52Л Шкив приводной: вал ведущий, опора передняя 1
Трактор МТЗ-52Л Сцепление: вал силовой передачи муфты, опора задняя 1
Трактор МТЗ-5К Коробка передач: вал промежуточный, опора передняя 1
Трактор МТЗ-5Л Коробка передач: вал промежуточный, опора передняя 1
Трактор МТЗ-5Л Шкив приводной: вал ведущий, опора передняя 1
Трактор МТЗ-5ЛС Коробка передач: вал промежуточный, опора передняя 1
Трактор МТЗ-5ЛС Шкив приводной: вал ведущий, опора передняя 1
Трактор МТЗ-5М Коробка передач: вал промежуточный, опора передняя 1
Трактор МТЗ-5М Шкив приводной: вал ведущий, опора передняя 1
Трактор МТЗ-5МС Коробка передач: вал промежуточный, опора передняя 1
Трактор МТЗ-5МС Шкив приводной: вал ведущий, опора передняя 1
Трактор МТЗ-80 Передача силовая: вал 1
Трактор МТЗ-80 Шкив приводной: вал ведущий, опора 2
Трактор МТЗ-80Л Передача силовая: вал 1
Трактор МТЗ-80Л Шкив приводной: вал ведущий, опора 2
Трактор МТЗ-82 Передача силовая: вал 1
Трактор МТЗ-82 Шкив приводной: вал ведущий, опора 2
Трактор МТЗ-82Л Передача силовая: вал 1
Трактор МТЗ-82Л Шкив приводной: вал ведущий, опора 2
Трактор Т-15.01Я Гидротрансформатор 1
Трактор Т-15.01Я Коробка передач планетарная 1
Трактор Т-15.01ЯМ Гидротрансформатор 1
Трактор Т-15.01ЯМ Коробка передач планетарная 1
Трактор Т-150 Вал отбора мощности: шестерни ведомые редуктора 2
Трактор Т-150К Вал отбора мощности: вал ведомый 2
Трактор Т-151К с двигателем СМД-62/63 Вал отбора мощности: вал ведомый -
Трактор Т-151К с двигателем СМД-62А/63А Вал отбора мощности: вал ведомый -
Трактор Т-16 Стакан подшипника 1
Трактор Т-20.01Я Гидротрансформатор 1
Трактор Т-20.01Я Коробка передач планетарная 1
Трактор Т-40 Вал отбора мощности: привод синхронный 2
Трактор Т-40А Вал отбора мощности: привод синхронный 2
Трактор Т-40АМ Вал отбора мощности независимый синхронный -
Трактор Т-40АНМ Вал отбора мощности независимый синхронный -
Трактор Т-40М Вал отбора мощности независимый синхронный -
Трактор ХТЗ-120 Вал отбора мощности: вал ведомый -
Трактор ХТЗ-121 Вал отбора мощности: вал ведомый -
Трактор ХТЗ-16131 (кроме двигателя) Вал отбора мощности: вал ведущий -
Трактор ЮМЗ-6АЛ Коробка передач -
Трактор ЮМЗ-6АМ Коробка передач -
Трактор ЮМЗ-6КМ Коробка передач -
УРАЛ 375Д Коробка отбора мощности 1
УРАЛ 375ДМ Коробка отбора мощности 1
УРАЛ 4320 Коробка отбора мощности 1
УРАЛ 5557 Коробка отбора мощности 1
УРАЛ 5920 Вал карданный 2
УРАЛ 5920 Коробка отбора мощности 3
Бренд Обозначение
ГПЗ 211
SKF 6211
FAG 6211
NSK 6211
Товар добавлен в корзину
Перейти в корзину ×