213 АШ2 ГОСТ 520
| Обозначение | 213 АШ2 ГОСТ 520 |
|---|---|
| Цена импортная | 180 |
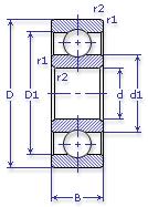
| Внутренний диаметр, d (мм) | 65 |
| Наружный диаметр, D (мм) | 120 |
| Ширина, В (мм) | 23 |
| Масса, m (кг) | 0.98 |
| Грузоподъемность динамическая, C (kN) | 56 |
| Грузоподъемность статическая, Co (kN) | 34 |
| Ном. частота вращен. при пластич. смазке, n grease (1/min) | 5300 |
| Диаметр шарика, d шарика (мм) | 16.669 |
| Количество шариков, N шариков | 10 |
| Ном. частота вращен. при жидк. смазке, n oil (1/min) | 6300 |
| Диаметр борта наружного кольца, D1(mm) | 102.5 |
| Диаметр борта внутреннего кольца, d1 (mm) | 82.5 |
| Радиус фаски, r1, r2 min (мм) | 1.5 |
Этот подшипник может быть заменен другими:
Подшипник 50213 — Условие отсутствует
Подшипник 60213 — При условии демонтажа одной защитной шайбы
Подшипник 150213 — При условии демонтажа одной защитной шайбы (п/ш с канавкой)
Подшипник 80213 — При условии демонтажа 2-х защитных шайб
Подшипник 180213 — При условии демонтажа 2-х защитных шайб
Подшипник 450213 — При условии демонтажа 2-х защитных шайб
| Марка | Модель | Узел | Кол-во на узел |
|---|---|---|---|
| БелАЗ | 549(75т) | Коробка отбора мощности | 2 |
| БелАЗ | 7420-9590 | Коробка отбора мощности | 4 |
| БелАЗ | 7509 | Коробка отбора мощности | 2 |
| БелАЗ | 75091(75т) | Коробка отбора мощности | 2 |
| БелАЗ | 75211(180т) | Вентилятор: редуктор привода | 2 |
| МАЗ | 509А | Мост передний | 4 |
| МАЗ | 537 | Мост задний: полуось | 12 |
| МАЗ | 537Г | Мост задний: полуось | 12 |
| МАЗ | 538 | Ступица колес | 2 |
| МАЗ | 543 | Редуктор 2-го заднего моста | 16 |
| МАЗ | 547 | Мост задний: полуось | 18 |
| МАЗ | 7310 | Редуктор 2-го заднего моста | 16 |
| МАЗ | 73101 | Редуктор 2-го заднего моста | 16 |
| МАЗ | 7410 | Дифференциал | 4 |
| МАЗ | 7410 | Мост задний: полуось | 4 |
| МАЗ | 7410 | Редуктор 1-го переднего моста | 4 |
| Трактор | ДТ-75МВ | Реверс-редуктор: вал ведомый, опора задняя | 1 |
| Трактор | ДТ-75МВ | Ходоуменьшитель: вал ведомый, опора задняя | 1 |
| Трактор | Т-11.01.01Я | Лебедка | 2 |
| Трактор | Т-11.01.01ЯМ | Лебедка | 2 |
| Трактор | Т-11.01.01ЯМП | Лебедка | 2 |
| Трактор | Т-151К с двигателем СМД-62/63 | Коробка раздаточная: шестерня | - |
| Трактор | Т-151К с двигателем СМД-62А/63А | Коробка раздаточная: шестерня | - |
| Трактор | Т-40 | Коробка передач: пара коническая | 1 |
| Трактор | Т-40А | Коробка передач: пара коническая | 1 |
| Трактор | Т-40А | Мост передний ведущий: дифференциал | 2 |
| Трактор | Т-40АМ | Мост передний ведущий | - |
| Трактор | Т-40АМ | Коробка передач с дифференциалом | - |
| Трактор | Т-40АНМ | Мост передний ведущий | - |
| Трактор | Т-40АНМ | Коробка передач с дифференциалом | - |
| Трактор | Т-40М | Мост передний ведущий | - |
| Трактор | Т-40М | Коробка передач с дифференциалом | - |
| Трактор | Т-75МВ с двигателем А-41 | Реверс-редуктор: вал ведомый, опора задняя | - |
| Трактор | Т-75МВ с двигателем А-41 | Ходоуменьшитель: вал ведомый, опора задняя | - |
| Трактор | ХТЗ-120 | Ряд транспортный: колесо зубчатое | - |
| Трактор | ХТЗ-121 | Ряд транспортный: колесо зубчатое | - |
| Трактор | ХТЗ-16131 (кроме двигателя) | Мост передний | - |
| Трактор | ХТЗ-16131 (кроме двигателя) | Вал отбора мощности: вал ведомый | - |
| Трактор | ХТЗ-16131 (кроме двигателя) | Вал отбора мощности: вал ведущий | - |
| Трактор | ХТЗ-16131 (кроме двигателя) | Ряд транспортный: колесо зубчатое | - |