Подшипники гост
Интернет-магазин
8-800-250-16-58
Обратный звонок

Заказ обратного звонка




Эл. почта:
info@amost.ru
Свои заказы Корзина пуста





Получать прайс-лист на email:

Чтобы отписаться от рассылки, введите e-mail, на который вы получаете наши письма:

 

Поиск подшипников

Масса и размеры

Внутренний диаметр d, мм

От  до 

Наружный диаметр D, мм

От  до 

Ширина b, мм

Применяемость

Раздел каталога

Подшипник шариковый радиальный однорядный основного конструктивного исполнения

213 Ю1 ТУ 3706

Отечественный
Импортный
Цена: 230.00 руб

Производитель



под заказ
Обозначение 213 Ю1 ТУ 3706
Цена импортная 180
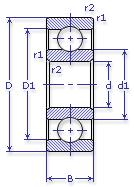
Внутренний диаметр, d (мм) 65
Наружный диаметр, D (мм) 120
Ширина, В (мм) 23
Масса, m (кг) 0.98
Грузоподъемность динамическая, C (kN) 56
Грузоподъемность статическая, Co (kN) 34
Ном. частота вращен. при пластич. смазке, n grease (1/min) 5300
Диаметр шарика, d шарика (мм) 16.669
Количество шариков, N шариков 10
Ном. частота вращен. при жидк. смазке, n oil (1/min) 6300
Диаметр борта наружного кольца, D1(mm) 102.5
Диаметр борта внутреннего кольца, d1 (mm) 82.5
Радиус фаски, r1, r2 min (мм) 1.5
213 Ю1 ТУ 3706

Этот подшипник может быть заменен другими:

Подшипник 50213 — Условие отсутствует

Подшипник 60213 — При условии демонтажа одной защитной шайбы

Подшипник 150213 — При условии демонтажа одной защитной шайбы (п/ш с канавкой)

Подшипник 80213 — При условии демонтажа 2-х защитных шайб

Подшипник 180213 — При условии демонтажа 2-х защитных шайб

Подшипник 450213 — При условии демонтажа 2-х защитных шайб

Марка Модель Узел Кол-во на узел
БелАЗ 549(75т) Коробка отбора мощности 2
БелАЗ 7420-9590 Коробка отбора мощности 4
БелАЗ 7509 Коробка отбора мощности 2
БелАЗ 75091(75т) Коробка отбора мощности 2
БелАЗ 75211(180т) Вентилятор: редуктор привода 2
МАЗ 509А Мост передний 4
МАЗ 537 Мост задний: полуось 12
МАЗ 537Г Мост задний: полуось 12
МАЗ 538 Ступица колес 2
МАЗ 543 Редуктор 2-го заднего моста 16
МАЗ 547 Мост задний: полуось 18
МАЗ 7310 Редуктор 2-го заднего моста 16
МАЗ 73101 Редуктор 2-го заднего моста 16
МАЗ 7410 Дифференциал 4
МАЗ 7410 Мост задний: полуось 4
МАЗ 7410 Редуктор 1-го переднего моста 4
Трактор ДТ-75МВ Реверс-редуктор: вал ведомый, опора задняя 1
Трактор ДТ-75МВ Ходоуменьшитель: вал ведомый, опора задняя 1
Трактор Т-11.01.01Я Лебедка 2
Трактор Т-11.01.01ЯМ Лебедка 2
Трактор Т-11.01.01ЯМП Лебедка 2
Трактор Т-151К с двигателем СМД-62/63 Коробка раздаточная: шестерня -
Трактор Т-151К с двигателем СМД-62А/63А Коробка раздаточная: шестерня -
Трактор Т-40 Коробка передач: пара коническая 1
Трактор Т-40А Коробка передач: пара коническая 1
Трактор Т-40А Мост передний ведущий: дифференциал 2
Трактор Т-40АМ Мост передний ведущий -
Трактор Т-40АМ Коробка передач с дифференциалом -
Трактор Т-40АНМ Мост передний ведущий -
Трактор Т-40АНМ Коробка передач с дифференциалом -
Трактор Т-40М Мост передний ведущий -
Трактор Т-40М Коробка передач с дифференциалом -
Трактор Т-75МВ с двигателем А-41 Реверс-редуктор: вал ведомый, опора задняя -
Трактор Т-75МВ с двигателем А-41 Ходоуменьшитель: вал ведомый, опора задняя -
Трактор ХТЗ-120 Ряд транспортный: колесо зубчатое -
Трактор ХТЗ-121 Ряд транспортный: колесо зубчатое -
Трактор ХТЗ-16131 (кроме двигателя) Мост передний -
Трактор ХТЗ-16131 (кроме двигателя) Вал отбора мощности: вал ведомый -
Трактор ХТЗ-16131 (кроме двигателя) Вал отбора мощности: вал ведущий -
Трактор ХТЗ-16131 (кроме двигателя) Ряд транспортный: колесо зубчатое -
Бренд Обозначение
ГПЗ 213
SKF 6213
FAG 6213
NSK 6213
Товар добавлен в корзину
Перейти в корзину ×