Подшипники гост
Интернет-магазин
8-800-250-16-58
Обратный звонок

Заказ обратного звонка




Эл. почта:
info@amost.ru
Свои заказы Корзина пуста





Получать прайс-лист на email:

Чтобы отписаться от рассылки, введите e-mail, на который вы получаете наши письма:

 

Поиск подшипников

Масса и размеры

Внутренний диаметр d, мм

От  до 

Наружный диаметр D, мм

От  до 

Ширина b, мм

Применяемость

Раздел каталога

Подшипник шариковый радиальный однорядный основного конструктивного исполнения

213 Е ГОСТ 520

Отечественный
Импортный
Цена: 230.00 руб

Производитель



под заказ
Обозначение 213 Е ГОСТ 520
Цена импортная 180
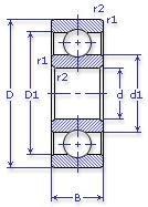
Внутренний диаметр, d (мм) 65
Наружный диаметр, D (мм) 120
Ширина, В (мм) 23
Масса, m (кг) 0.98
Грузоподъемность динамическая, C (kN) 56
Грузоподъемность статическая, Co (kN) 34
Ном. частота вращен. при пластич. смазке, n grease (1/min) 5300
Диаметр шарика, d шарика (мм) 16.669
Количество шариков, N шариков 10
Ном. частота вращен. при жидк. смазке, n oil (1/min) 6300
Диаметр борта наружного кольца, D1(mm) 102.5
Диаметр борта внутреннего кольца, d1 (mm) 82.5
Радиус фаски, r1, r2 min (мм) 1.5
213 Е ГОСТ 520

Этот подшипник может быть заменен другими:

Подшипник 50213 — Условие отсутствует

Подшипник 60213 — При условии демонтажа одной защитной шайбы

Подшипник 150213 — При условии демонтажа одной защитной шайбы (п/ш с канавкой)

Подшипник 80213 — При условии демонтажа 2-х защитных шайб

Подшипник 180213 — При условии демонтажа 2-х защитных шайб

Подшипник 450213 — При условии демонтажа 2-х защитных шайб

Марка Модель Узел Кол-во на узел
БелАЗ 549(75т) Коробка отбора мощности 2
БелАЗ 7420-9590 Коробка отбора мощности 4
БелАЗ 7509 Коробка отбора мощности 2
БелАЗ 75091(75т) Коробка отбора мощности 2
БелАЗ 75211(180т) Вентилятор: редуктор привода 2
МАЗ 509А Мост передний 4
МАЗ 537 Мост задний: полуось 12
МАЗ 537Г Мост задний: полуось 12
МАЗ 538 Ступица колес 2
МАЗ 543 Редуктор 2-го заднего моста 16
МАЗ 547 Мост задний: полуось 18
МАЗ 7310 Редуктор 2-го заднего моста 16
МАЗ 73101 Редуктор 2-го заднего моста 16
МАЗ 7410 Дифференциал 4
МАЗ 7410 Мост задний: полуось 4
МАЗ 7410 Редуктор 1-го переднего моста 4
Трактор ДТ-75МВ Реверс-редуктор: вал ведомый, опора задняя 1
Трактор ДТ-75МВ Ходоуменьшитель: вал ведомый, опора задняя 1
Трактор Т-11.01.01Я Лебедка 2
Трактор Т-11.01.01ЯМ Лебедка 2
Трактор Т-11.01.01ЯМП Лебедка 2
Трактор Т-151К с двигателем СМД-62/63 Коробка раздаточная: шестерня -
Трактор Т-151К с двигателем СМД-62А/63А Коробка раздаточная: шестерня -
Трактор Т-40 Коробка передач: пара коническая 1
Трактор Т-40А Коробка передач: пара коническая 1
Трактор Т-40А Мост передний ведущий: дифференциал 2
Трактор Т-40АМ Мост передний ведущий -
Трактор Т-40АМ Коробка передач с дифференциалом -
Трактор Т-40АНМ Мост передний ведущий -
Трактор Т-40АНМ Коробка передач с дифференциалом -
Трактор Т-40М Мост передний ведущий -
Трактор Т-40М Коробка передач с дифференциалом -
Трактор Т-75МВ с двигателем А-41 Реверс-редуктор: вал ведомый, опора задняя -
Трактор Т-75МВ с двигателем А-41 Ходоуменьшитель: вал ведомый, опора задняя -
Трактор ХТЗ-120 Ряд транспортный: колесо зубчатое -
Трактор ХТЗ-121 Ряд транспортный: колесо зубчатое -
Трактор ХТЗ-16131 (кроме двигателя) Мост передний -
Трактор ХТЗ-16131 (кроме двигателя) Вал отбора мощности: вал ведомый -
Трактор ХТЗ-16131 (кроме двигателя) Вал отбора мощности: вал ведущий -
Трактор ХТЗ-16131 (кроме двигателя) Ряд транспортный: колесо зубчатое -
Бренд Обозначение
ГПЗ 213
SKF 6213
FAG 6213
NSK 6213
Товар добавлен в корзину
Перейти в корзину ×