Подшипники гост
Интернет-магазин
8-800-250-16-58
Обратный звонок

Заказ обратного звонка




Эл. почта:
info@amost.ru
Свои заказы Корзина пуста





Получать прайс-лист на email:

Чтобы отписаться от рассылки, введите e-mail, на который вы получаете наши письма:

 

Поиск подшипников

Масса и размеры

Внутренний диаметр d, мм

От  до 

Наружный диаметр D, мм

От  до 

Ширина b, мм

Применяемость

Раздел каталога

Подшипник шариковый радиальный однорядный основного конструктивного исполнения

214 Ю2 ТУ 3706

Отечественный
Импортный

Производитель



уточнять наличие
Обозначение 214 Ю2 ТУ 3706
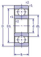
Внутренний диаметр, d (мм) 70
Наружный диаметр, D (мм) 125
Ширина, В (мм) 24
Масса, m (кг) 1.02
Грузоподъемность динамическая, C (kN) 61.8
Грузоподъемность статическая, Co (kN) 37.5
Ном. частота вращен. при пластич. смазке, n grease (1/min) 5000
Диаметр шарика, d шарика (мм) 17.462
Количество шариков, N шариков 10
Ном. частота вращен. при жидк. смазке, n oil (1/min) 6000
Диаметр борта наружного кольца, D1(mm) 108
Диаметр борта внутреннего кольца, d1 (mm) 87
Радиус фаски, r1, r2 min (мм) 1.5
214 Ю2 ТУ 3706

Этот подшипник может быть заменен другими:

Подшипник 50214 — Условие отсутствует

Подшипник 60214 — При условии демонтажа одной защитной шайбы

Подшипник 160214 — При условии демонтажа одной защитной шайбы

Подшипник 150214 — При условии демонтажа одной защитной шайбы (п/ш с канавкой)

Подшипник 80214 — При условии демонтажа 2-х защитных шайб

Подшипник 180214 — При условии демонтажа 2-х защитных шайб

Подшипник 450214 — При условии демонтажа 2-х защитных шайб

Подшипник 190214 — Аналог состоит из двух искомых подшипников

Марка Модель Узел Кол-во на узел
ЗИЛ 131М Мост задний 1
ЗИЛ 131М Мост средний 1
ЗИЛ 131МВ Мост задний 1
ЗИЛ 131МВ Мост средний 1
ЗИЛ 133ВЯ Мост задний 1
ЗИЛ 133ВЯ Мост средний 1
ЗИЛ 133Г1 Мост задний 1
ЗИЛ 133Г1 Мост средний 1
ЗИЛ 133ГЯ Мост задний 1
ЗИЛ 133ГЯ Мост средний 1
Машина зерноочистительная ОС-4.5 Механизм приводной -
МоАЗ 6401-9585 Коробка передач гидромеханическая 8
МоАЗ 6507 Коробка передач гидромеханическая 6
МоАЗ 7405-9586 Коробка передач гидромеханическая 8
Станкостроение Не указано Не указано -
Трактор ДТ-20 Шкив 2
Трактор ДТ-20 Дифференциал: корпус 1
Трактор К-701 Коробка передач 2
Трактор ЛХТ-55 Коробка передач: вал грузовой -
Трактор Т-16 Передача главная: корпус 1
Трактор Т-16 Стакан подшипника 1
Трактор Т-25 Передача главная 2
Трактор Т-25 Шкив 2
Трактор Т-25.01Я Коробка передач планетарная 1
Трактор Т-25А Передача главная -
Трактор Т-25А Шкив -
Трактор Т-35.01 ЯБЛ Коробка передач планетарная 1
Трактор Т-35.01Я Коробка передач планетарная 1
Трактор ТДТ-55 Коробка передач: вал грузовой -
Трактор ТМ-25.01Я Коробка передач планетарная 1
Бренд Обозначение
ГПЗ 214
SKF 6214
FAG 6214
NSK 6214
Товар добавлен в корзину
Перейти в корзину ×