214 Ю2 ТУ 3706
| Обозначение | 214 Ю2 ТУ 3706 |
|---|---|
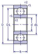
| Внутренний диаметр, d (мм) | 70 |
| Наружный диаметр, D (мм) | 125 |
| Ширина, В (мм) | 24 |
| Масса, m (кг) | 1.02 |
| Грузоподъемность динамическая, C (kN) | 61.8 |
| Грузоподъемность статическая, Co (kN) | 37.5 |
| Ном. частота вращен. при пластич. смазке, n grease (1/min) | 5000 |
| Диаметр шарика, d шарика (мм) | 17.462 |
| Количество шариков, N шариков | 10 |
| Ном. частота вращен. при жидк. смазке, n oil (1/min) | 6000 |
| Диаметр борта наружного кольца, D1(mm) | 108 |
| Диаметр борта внутреннего кольца, d1 (mm) | 87 |
| Радиус фаски, r1, r2 min (мм) | 1.5 |
Этот подшипник может быть заменен другими:
Подшипник 50214 — Условие отсутствует
Подшипник 60214 — При условии демонтажа одной защитной шайбы
Подшипник 160214 — При условии демонтажа одной защитной шайбы
Подшипник 150214 — При условии демонтажа одной защитной шайбы (п/ш с канавкой)
Подшипник 80214 — При условии демонтажа 2-х защитных шайб
Подшипник 180214 — При условии демонтажа 2-х защитных шайб
Подшипник 450214 — При условии демонтажа 2-х защитных шайб
Подшипник 190214 — Аналог состоит из двух искомых подшипников
| Марка | Модель | Узел | Кол-во на узел |
|---|---|---|---|
| ЗИЛ | 131М | Мост задний | 1 |
| ЗИЛ | 131М | Мост средний | 1 |
| ЗИЛ | 131МВ | Мост задний | 1 |
| ЗИЛ | 131МВ | Мост средний | 1 |
| ЗИЛ | 133ВЯ | Мост задний | 1 |
| ЗИЛ | 133ВЯ | Мост средний | 1 |
| ЗИЛ | 133Г1 | Мост задний | 1 |
| ЗИЛ | 133Г1 | Мост средний | 1 |
| ЗИЛ | 133ГЯ | Мост задний | 1 |
| ЗИЛ | 133ГЯ | Мост средний | 1 |
| Машина зерноочистительная | ОС-4.5 | Механизм приводной | - |
| МоАЗ | 6401-9585 | Коробка передач гидромеханическая | 8 |
| МоАЗ | 6507 | Коробка передач гидромеханическая | 6 |
| МоАЗ | 7405-9586 | Коробка передач гидромеханическая | 8 |
| Станкостроение | Не указано | Не указано | - |
| Трактор | ДТ-20 | Шкив | 2 |
| Трактор | ДТ-20 | Дифференциал: корпус | 1 |
| Трактор | К-701 | Коробка передач | 2 |
| Трактор | ЛХТ-55 | Коробка передач: вал грузовой | - |
| Трактор | Т-16 | Передача главная: корпус | 1 |
| Трактор | Т-16 | Стакан подшипника | 1 |
| Трактор | Т-25 | Передача главная | 2 |
| Трактор | Т-25 | Шкив | 2 |
| Трактор | Т-25.01Я | Коробка передач планетарная | 1 |
| Трактор | Т-25А | Передача главная | - |
| Трактор | Т-25А | Шкив | - |
| Трактор | Т-35.01 ЯБЛ | Коробка передач планетарная | 1 |
| Трактор | Т-35.01Я | Коробка передач планетарная | 1 |
| Трактор | ТДТ-55 | Коробка передач: вал грузовой | - |
| Трактор | ТМ-25.01Я | Коробка передач планетарная | 1 |