Подшипники гост
Интернет-магазин
8-800-250-16-58
Обратный звонок

Заказ обратного звонка




Эл. почта:
info@amost.ru
Свои заказы Корзина пуста





Получать прайс-лист на email:

Чтобы отписаться от рассылки, введите e-mail, на который вы получаете наши письма:

 

Поиск подшипников

Масса и размеры

Внутренний диаметр d, мм

От  до 

Наружный диаметр D, мм

От  до 

Ширина b, мм

Применяемость

Раздел каталога

Подшипник шариковый радиальный однорядный основного конструктивного исполнения

214 Ш ТУ ВНИПП.153

Отечественный
Импортный

Производитель



уточнять наличие
Обозначение 214 Ш ТУ ВНИПП.153
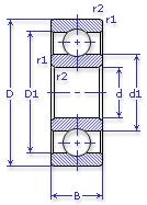
Внутренний диаметр, d (мм) 70
Наружный диаметр, D (мм) 125
Ширина, В (мм) 24
Масса, m (кг) 1.02
Грузоподъемность динамическая, C (kN) 61.8
Грузоподъемность статическая, Co (kN) 37.5
Ном. частота вращен. при пластич. смазке, n grease (1/min) 5000
Диаметр шарика, d шарика (мм) 17.462
Количество шариков, N шариков 10
Ном. частота вращен. при жидк. смазке, n oil (1/min) 6000
Диаметр борта наружного кольца, D1(mm) 108
Диаметр борта внутреннего кольца, d1 (mm) 87
Радиус фаски, r1, r2 min (мм) 1.5
214 Ш ТУ ВНИПП.153

Этот подшипник может быть заменен другими:

Подшипник 50214 — Условие отсутствует

Подшипник 60214 — При условии демонтажа одной защитной шайбы

Подшипник 160214 — При условии демонтажа одной защитной шайбы

Подшипник 150214 — При условии демонтажа одной защитной шайбы (п/ш с канавкой)

Подшипник 80214 — При условии демонтажа 2-х защитных шайб

Подшипник 180214 — При условии демонтажа 2-х защитных шайб

Подшипник 450214 — При условии демонтажа 2-х защитных шайб

Подшипник 190214 — Аналог состоит из двух искомых подшипников

Марка Модель Узел Кол-во на узел
ЗИЛ 131М Мост задний 1
ЗИЛ 131М Мост средний 1
ЗИЛ 131МВ Мост задний 1
ЗИЛ 131МВ Мост средний 1
ЗИЛ 133ВЯ Мост задний 1
ЗИЛ 133ВЯ Мост средний 1
ЗИЛ 133Г1 Мост задний 1
ЗИЛ 133Г1 Мост средний 1
ЗИЛ 133ГЯ Мост задний 1
ЗИЛ 133ГЯ Мост средний 1
Машина зерноочистительная ОС-4.5 Механизм приводной -
МоАЗ 6401-9585 Коробка передач гидромеханическая 8
МоАЗ 6507 Коробка передач гидромеханическая 6
МоАЗ 7405-9586 Коробка передач гидромеханическая 8
Станкостроение Не указано Не указано -
Трактор ДТ-20 Шкив 2
Трактор ДТ-20 Дифференциал: корпус 1
Трактор К-701 Коробка передач 2
Трактор ЛХТ-55 Коробка передач: вал грузовой -
Трактор Т-16 Передача главная: корпус 1
Трактор Т-16 Стакан подшипника 1
Трактор Т-25 Передача главная 2
Трактор Т-25 Шкив 2
Трактор Т-25.01Я Коробка передач планетарная 1
Трактор Т-25А Передача главная -
Трактор Т-25А Шкив -
Трактор Т-35.01 ЯБЛ Коробка передач планетарная 1
Трактор Т-35.01Я Коробка передач планетарная 1
Трактор ТДТ-55 Коробка передач: вал грузовой -
Трактор ТМ-25.01Я Коробка передач планетарная 1
Бренд Обозначение
ГПЗ 214
SKF 6214
FAG 6214
NSK 6214
Товар добавлен в корзину
Перейти в корзину ×