Подшипники гост
Интернет-магазин
8-800-250-16-58
Обратный звонок

Заказ обратного звонка




Эл. почта:
info@amost.ru
Свои заказы Корзина пуста





Получать прайс-лист на email:

Чтобы отписаться от рассылки, введите e-mail, на который вы получаете наши письма:

 

Поиск подшипников

Масса и размеры

Внутренний диаметр d, мм

От  до 

Наружный диаметр D, мм

От  до 

Ширина b, мм

Применяемость

Раздел каталога

Подшипник шариковый радиальный однорядный основного конструктивного исполнения

216 АК1Ш ГОСТ 520

Отечественный
Импортный

Производитель



уточнять наличие
Обозначение 216 АК1Ш ГОСТ 520
Цена импортная 305
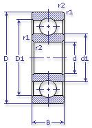
Внутренний диаметр, d (мм) 80
Наружный диаметр, D (мм) 140
Ширина, В (мм) 26
Масса, m (кг) 1.4
Грузоподъемность динамическая, C (kN) 70.2
Грузоподъемность статическая, Co (kN) 45
Ном. частота вращен. при пластич. смазке, n grease (1/min) 4500
Марка стали, Материал ШХ-15
Диаметр шарика, d шарика (мм) 19.05
Количество шариков, N шариков 10
Ном. частота вращен. при жидк. смазке, n oil (1/min) 5300
Диаметр борта наружного кольца, D1(mm) 121.4
Диаметр борта внутреннего кольца, d1 (mm) 98.6
Радиус фаски, r1, r2 min (мм) 2
216 АК1Ш ГОСТ 520

Этот подшипник может быть заменен другими:

Подшипник 50216 — Условие отсутствует

Подшипник 60216 — При условии демонтажа одной защитной шайбы

Подшипник 150216 — При условии демонтажа одной защитной шайбы (п/ш с канавкой)

Подшипник 80216 — При условии демонтажа 2-х защитных шайб

Подшипник 180216 — При условии демонтажа 2-х защитных шайб

Подшипник 450216 — При условии демонтажа 2-х защитных шайб

Марка Модель Узел Кол-во на узел
БелАЗ 549(75т) Двигатель 1
БелАЗ 7509 Двигатель 1
БелАЗ 75091(75т) Двигатель 1
МАЗ 509А Мост передний 4
МАЗ 537 Коробка передач планетарная 1
МАЗ 537Г Коробка передач планетарная 1
МАЗ 538 Коробка передач планетарная 1
МАЗ 543 Коробка передач планетарная 1
МАЗ 543 Редуктор 1-го переднего моста 8
МАЗ 547 Коробка передач планетарная 1
МАЗ 7310 Коробка передач планетарная 1
МАЗ 7310 Редуктор 1-го переднего моста 8
МАЗ 73101 Коробка передач планетарная 1
МАЗ 73101 Редуктор 1-го переднего моста 8
МАЗ 7410 Кулак поворотный 8
МАЗ 7410 Редуктор 1-го переднего моста 8
Трактор К-701 Коробка передач 2
Трактор МТЗ-5 Сцепление: опора задняя муфты 1
Трактор МТЗ-5К Сцепление: опора задняя муфты 1
Трактор МТЗ-5Л Сцепление: опора задняя муфты 1
Трактор МТЗ-5ЛС Сцепление: опора задняя муфты 1
Трактор МТЗ-5М Сцепление: опора задняя муфты 1
Трактор МТЗ-5МС Сцепление: опора задняя муфты 1
Трактор ТТ-4М Реверс-редуктор: вал промежуточный -
Трактор ТТ-4М Коробка раздаточная: кронштейн опорный барабана -
Трактор ТТ-4М-01 Реверс-редуктор: вал промежуточный -
Трактор ТТ-4М-01 Коробка раздаточная: кронштейн опорный барабана -
Трактор ЮМЗ-6АЛ Сцепление -
Трактор ЮМЗ-6АМ Сцепление -
Трактор ЮМЗ-6КМ Сцепление -
Бренд Обозначение
ГПЗ 216
SKF 6216
FAG 6216
NSK 6216
Товар добавлен в корзину
Перейти в корзину ×