Подшипники гост
Интернет-магазин
8-800-250-16-58
Обратный звонок

Заказ обратного звонка




Эл. почта:
info@amost.ru
Свои заказы Корзина пуста





Получать прайс-лист на email:

Чтобы отписаться от рассылки, введите e-mail, на который вы получаете наши письма:

 

Поиск подшипников

Масса и размеры

Внутренний диаметр d, мм

От  до 

Наружный диаметр D, мм

От  до 

Ширина b, мм

Применяемость

Раздел каталога

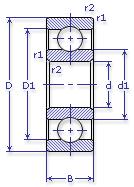
Подшипник шариковый радиальный однорядный основного конструктивного исполнения

217 Б1Т2 ЕТУ ВНИПП.100/1

Отечественный
Импортный

Производитель



уточнять наличие
Обозначение 217 Б1Т2 ЕТУ ВНИПП.100/1
Цена импортная 335
Внутренний диаметр, d (мм) 85
Наружный диаметр, D (мм) 150
Ширина, В (мм) 28
Масса, m (кг) 1.7800
Грузоподъемность динамическая, C (kN) 83.2
Грузоподъемность статическая, Co (kN) 53
Ном. частота вращен. при пластич. смазке, n grease (1/min) 4300
Марка стали, Материал ШХ-15
Количество шариков, N шариков 11
Ном. частота вращен. при жидк. смазке, n oil (1/min) 5000
217 Б1Т2 ЕТУ ВНИПП.100/1

Этот подшипник может быть заменен другими:

Подшипник 50217 — Условие отсутствует

Подшипник 60217 — При условии демонтажа одной защитной шайбы

Подшипник 150217 — При условии демонтажа одной защитной шайбы (п/ш с канавкой)

Подшипник 80217 — При условии демонтажа 2-х защитных шайб

Подшипник 180217 — При условии демонтажа 2-х защитных шайб

Подшипник 450217 — При условии демонтажа 2-х защитных шайб

Марка Модель Узел Кол-во на узел
МАЗ 547 Кулак поворотный 6
МоАЗ 6507 Коробка передач гидромеханическая 1
МоАЗ 7405-9586 Коробка передач гидромеханическая 1
Станкостроение Не указано Не указано -
Трактор ЛХТ-55 Лебедка: ось барабана -
Трактор МТЗ-100 Мост задний: полуось, опора наружная -
Трактор МТЗ-102 Мост задний: полуось, опора наружная -
Трактор МТЗ-50 Передача конечная: полуось задняя, опора наружная 2
Трактор МТЗ-50 Передача конечная: втулка шлицевая шестерни ведомой, опоры правая и левая 4
Трактор МТЗ-50Л Передача конечная: полуось задняя, опора наружная 2
Трактор МТЗ-50Л Передача конечная: втулка шлицевая шестерни ведомой, опоры правая и левая 4
Трактор МТЗ-50ПЛ Передача конечная: полуось задняя, опора наружная 2
Трактор МТЗ-50ПЛ Передача конечная: втулка шлицевая шестерни ведомой, опоры правая и левая 4
Трактор МТЗ-52 Передача конечная: полуось задняя, опора наружная 2
Трактор МТЗ-52 Передача конечная: втулка шлицевая шестерни ведомой, опоры правая и левая 4
Трактор МТЗ-52Л Передача конечная: полуось задняя, опора наружная 2
Трактор МТЗ-52Л Передача конечная: втулка шлицевая шестерни ведомой, опоры правая и левая 4
Трактор МТЗ-80 Полуось: рукав 4
Трактор МТЗ-80Л Полуось: рукав 4
Трактор МТЗ-82 Полуось: рукав 4
Трактор МТЗ-82Л Полуось: рукав 4
Трактор ТДТ-55 Лебедка: ось барабана -
Бренд Обозначение
ГПЗ 217
SKF 6217
FAG 6217
NSK 6217
Товар добавлен в корзину
Перейти в корзину ×