Подшипники гост
Интернет-магазин
8-800-250-16-58
Обратный звонок

Заказ обратного звонка




Эл. почта:
info@amost.ru
Свои заказы Корзина пуста





Получать прайс-лист на email:

Чтобы отписаться от рассылки, введите e-mail, на который вы получаете наши письма:

 

Поиск подшипников

Масса и размеры

Внутренний диаметр d, мм

От  до 

Наружный диаметр D, мм

От  до 

Ширина b, мм

Применяемость

Раздел каталога

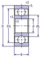
Подшипник шариковый радиальный однорядный основного конструктивного исполнения

217 К5 ГОСТ 520

Отечественный
Импортный

Производитель



уточнять наличие
Обозначение 217 К5 ГОСТ 520
Цена импортная 335
Внутренний диаметр, d (мм) 85
Наружный диаметр, D (мм) 150
Ширина, В (мм) 28
Масса, m (кг) 1.7800
Грузоподъемность динамическая, C (kN) 83.2
Грузоподъемность статическая, Co (kN) 53
Ном. частота вращен. при пластич. смазке, n grease (1/min) 4300
Марка стали, Материал ШХ-15
Количество шариков, N шариков 11
Ном. частота вращен. при жидк. смазке, n oil (1/min) 5000
217 К5 ГОСТ 520

Этот подшипник может быть заменен другими:

Подшипник 50217 — Условие отсутствует

Подшипник 60217 — При условии демонтажа одной защитной шайбы

Подшипник 150217 — При условии демонтажа одной защитной шайбы (п/ш с канавкой)

Подшипник 80217 — При условии демонтажа 2-х защитных шайб

Подшипник 180217 — При условии демонтажа 2-х защитных шайб

Подшипник 450217 — При условии демонтажа 2-х защитных шайб

Марка Модель Узел Кол-во на узел
МАЗ 547 Кулак поворотный 6
МоАЗ 6507 Коробка передач гидромеханическая 1
МоАЗ 7405-9586 Коробка передач гидромеханическая 1
Станкостроение Не указано Не указано -
Трактор ЛХТ-55 Лебедка: ось барабана -
Трактор МТЗ-100 Мост задний: полуось, опора наружная -
Трактор МТЗ-102 Мост задний: полуось, опора наружная -
Трактор МТЗ-50 Передача конечная: полуось задняя, опора наружная 2
Трактор МТЗ-50 Передача конечная: втулка шлицевая шестерни ведомой, опоры правая и левая 4
Трактор МТЗ-50Л Передача конечная: полуось задняя, опора наружная 2
Трактор МТЗ-50Л Передача конечная: втулка шлицевая шестерни ведомой, опоры правая и левая 4
Трактор МТЗ-50ПЛ Передача конечная: полуось задняя, опора наружная 2
Трактор МТЗ-50ПЛ Передача конечная: втулка шлицевая шестерни ведомой, опоры правая и левая 4
Трактор МТЗ-52 Передача конечная: полуось задняя, опора наружная 2
Трактор МТЗ-52 Передача конечная: втулка шлицевая шестерни ведомой, опоры правая и левая 4
Трактор МТЗ-52Л Передача конечная: полуось задняя, опора наружная 2
Трактор МТЗ-52Л Передача конечная: втулка шлицевая шестерни ведомой, опоры правая и левая 4
Трактор МТЗ-80 Полуось: рукав 4
Трактор МТЗ-80Л Полуось: рукав 4
Трактор МТЗ-82 Полуось: рукав 4
Трактор МТЗ-82Л Полуось: рукав 4
Трактор ТДТ-55 Лебедка: ось барабана -
Бренд Обозначение
ГПЗ 217
SKF 6217
FAG 6217
NSK 6217
Товар добавлен в корзину
Перейти в корзину ×