Подшипники гост
Интернет-магазин
8-800-250-16-58
Обратный звонок

Заказ обратного звонка




Эл. почта:
info@amost.ru
Свои заказы Корзина пуста





Получать прайс-лист на email:

Чтобы отписаться от рассылки, введите e-mail, на который вы получаете наши письма:

 

Поиск подшипников

Масса и размеры

Внутренний диаметр d, мм

От  до 

Наружный диаметр D, мм

От  до 

Ширина b, мм

Применяемость

Раздел каталога

Подшипник шариковый радиальный однорядный основного конструктивного исполнения

218 А ГОСТ 520

Отечественный
Импортный
Цена: 450.00 руб

Производитель



под заказ
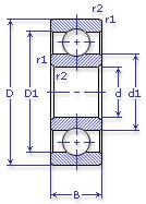
Обозначение 218 А ГОСТ 520
Внутренний диаметр, d (мм) 90
Наружный диаметр, D (мм) 160
Ширина, В (мм) 30
Масса, m (кг) 2.15
Грузоподъемность динамическая, C (kN) 95.6
Грузоподъемность статическая, Co (kN) 62
Ном. частота вращен. при пластич. смазке, n grease (1/min) 3800
Диаметр шарика, d шарика (мм) 22.225
Количество шариков, N шариков 10
Ном. частота вращен. при жидк. смазке, n oil (1/min) 4500
Диаметр борта наружного кольца, D1(mm) 139
Диаметр борта внутреннего кольца, d1 (mm) 112.25
Радиус фаски, r1, r2 min (мм) 2
218 А ГОСТ 520

Этот подшипник может быть заменен другими:

Подшипник 50218 — Условие отсутствует

Подшипник 60218 — При условии демонтажа одной защитной шайбы

Подшипник 150218 — При условии демонтажа одной защитной шайбы (п/ш с канавкой)

Подшипник 80218 — При условии демонтажа 2-х защитных шайб

Подшипник 180218 — При условии демонтажа 2-х защитных шайб

Подшипник 450218 — При условии демонтажа 2-х защитных шайб

Марка Модель Узел Кол-во на узел
КАЗ 4540 Коробка раздаточная 4
МАЗ 547 Редуктор 3-го переднего моста 1
МоАЗ 6401-9585 Коробка передач гидромеханическая 2
МоАЗ 6507 Коробка передач гидромеханическая 2
МоАЗ 7405-9586 Коробка передач гидромеханическая 2
Трактор К-701 Коробка передач 1
Трактор К-701 Опора промежуточная 2
УРАЛ 375Д Коробка раздаточная 1
УРАЛ 375ДМ Коробка раздаточная 1
УРАЛ 377 Коробка раздаточная 1
УРАЛ 4320 Коробка раздаточная 1
УРАЛ 5557 Коробка раздаточная 1
УРАЛ 5920 Коробка раздаточная 1
Бренд Обозначение
ГПЗ 218
SKF 6218
FAG 6218
NSK 6218
Товар добавлен в корзину
Перейти в корзину ×