Подшипники гост
Интернет-магазин
8-800-250-16-58
Обратный звонок

Заказ обратного звонка




Эл. почта:
info@amost.ru
Свои заказы Корзина пуста





Получать прайс-лист на email:

Чтобы отписаться от рассылки, введите e-mail, на который вы получаете наши письма:

 

Поиск подшипников

Масса и размеры

Внутренний диаметр d, мм

От  до 

Наружный диаметр D, мм

От  до 

Ширина b, мм

Применяемость

Раздел каталога

Подшипник шариковый радиальный однорядный основного конструктивного исполнения

218 ТУ ВНИПП.154

Отечественный
Импортный
Цена: 450.00 руб

Производитель



под заказ
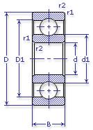
Обозначение 218 ТУ ВНИПП.154
Внутренний диаметр, d (мм) 90
Наружный диаметр, D (мм) 160
Ширина, В (мм) 30
Масса, m (кг) 2.15
Грузоподъемность динамическая, C (kN) 95.6
Грузоподъемность статическая, Co (kN) 62
Ном. частота вращен. при пластич. смазке, n grease (1/min) 3800
Диаметр шарика, d шарика (мм) 22.225
Количество шариков, N шариков 10
Ном. частота вращен. при жидк. смазке, n oil (1/min) 4500
Диаметр борта наружного кольца, D1(mm) 139
Диаметр борта внутреннего кольца, d1 (mm) 112.25
Радиус фаски, r1, r2 min (мм) 2
218 ТУ ВНИПП.154

Этот подшипник может быть заменен другими:

Подшипник 50218 — Условие отсутствует

Подшипник 60218 — При условии демонтажа одной защитной шайбы

Подшипник 150218 — При условии демонтажа одной защитной шайбы (п/ш с канавкой)

Подшипник 80218 — При условии демонтажа 2-х защитных шайб

Подшипник 180218 — При условии демонтажа 2-х защитных шайб

Подшипник 450218 — При условии демонтажа 2-х защитных шайб

Марка Модель Узел Кол-во на узел
КАЗ 4540 Коробка раздаточная 4
МАЗ 547 Редуктор 3-го переднего моста 1
МоАЗ 6401-9585 Коробка передач гидромеханическая 2
МоАЗ 6507 Коробка передач гидромеханическая 2
МоАЗ 7405-9586 Коробка передач гидромеханическая 2
Трактор К-701 Коробка передач 1
Трактор К-701 Опора промежуточная 2
УРАЛ 375Д Коробка раздаточная 1
УРАЛ 375ДМ Коробка раздаточная 1
УРАЛ 377 Коробка раздаточная 1
УРАЛ 4320 Коробка раздаточная 1
УРАЛ 5557 Коробка раздаточная 1
УРАЛ 5920 Коробка раздаточная 1
Бренд Обозначение
ГПЗ 218
SKF 6218
FAG 6218
NSK 6218
Товар добавлен в корзину
Перейти в корзину ×