Подшипники гост
Интернет-магазин
8-800-250-16-58
Обратный звонок

Заказ обратного звонка




Эл. почта:
info@amost.ru
Свои заказы Корзина пуста





Получать прайс-лист на email:

Чтобы отписаться от рассылки, введите e-mail, на который вы получаете наши письма:

 

Поиск подшипников

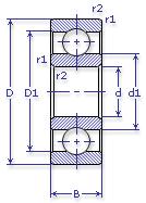
Масса и размеры

Внутренний диаметр d, мм

От  до 

Наружный диаметр D, мм

От  до 

Ширина b, мм

Применяемость

Раздел каталога

Подшипник шариковый радиальный однорядный основного конструктивного исполнения

219 АК5 ГОСТ 520

Отечественный
Импортный

Производитель



уточнять наличие
Обозначение 219 АК5 ГОСТ 520
Внутренний диаметр, d (мм) 95
Наружный диаметр, D (мм) 170
Ширина, В (мм) 32
Масса, m (кг) 2.7
Грузоподъемность динамическая, C (kN) 108
Грузоподъемность статическая, Co (kN) 75
Ном. частота вращен. при пластич. смазке, n grease (1/min) 3000
Марка стали, Материал ШХ-15
Диаметр шарика, d шарика (мм) 23.823
Количество шариков, N шариков 10
Ном. частота вращен. при жидк. смазке, n oil (1/min) 4300
Диаметр борта наружного кольца, D1(mm) 146.8
Диаметр борта внутреннего кольца, d1 (mm) 118.2
Радиус фаски, r1, r2 min (мм) 2.1
219 АК5 ГОСТ 520

Этот подшипник может быть заменен другими:

Подшипник 80219 — При условии демонтажа 2-х защитных шайб

Марка Модель Узел Кол-во на узел
МАЗ 7410 Коробка передач планетарная 1
Станкостроение Не указано Не указано -
Бренд Обозначение
ГПЗ 219
SKF 6219
FAG 6219
NSK 6219
Товар добавлен в корзину
Перейти в корзину ×