Подшипники гост
Интернет-магазин
8-800-250-16-58
Обратный звонок

Заказ обратного звонка




Эл. почта:
info@amost.ru
Свои заказы Корзина пуста





Получать прайс-лист на email:

Чтобы отписаться от рассылки, введите e-mail, на который вы получаете наши письма:

 

Поиск подшипников

Масса и размеры

Внутренний диаметр d, мм

От  до 

Наружный диаметр D, мм

От  до 

Ширина b, мм

Применяемость

Раздел каталога

Подшипник шариковый радиальный однорядный основного конструктивного исполнения

222 ТУ 37.006.154

Отечественный
Импортный

Производитель



уточнять наличие
Обозначение 222 ТУ 37.006.154
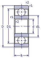
Внутренний диаметр, d (мм) 110
Наружный диаметр, D (мм) 200
Ширина, В (мм) 38
Масса, m (кг) 4.42
Грузоподъемность динамическая, C (kN) 146
Грузоподъемность статическая, Co (kN) 105
Ном. частота вращен. при пластич. смазке, n grease (1/min) 3000
Марка стали, Материал ШХ-15
Диаметр шарика, d шарика (мм) 28.575
Количество шариков, N шариков 10
Ном. частота вращен. при жидк. смазке, n oil (1/min) 3600
Диаметр борта наружного кольца, D1(mm) 172.1
Диаметр борта внутреннего кольца, d1 (mm) 137.9
Радиус фаски, r1, r2 min (мм) 2.1
222 ТУ 37.006.154

Этот подшипник может быть заменен другими:

Подшипник 80222 — При условии демонтажа 2-х защитных шайб

Марка Модель Узел Кол-во на узел
ЛиАЗ 677 Ступица колес 2
ЛиАЗ 677Б Ступица колес 2
ЛиАЗ 677В Ступица колес 2
ЛиАЗ 677М Ступица колес 2
ЛиАЗ 677П Ступица колес 2
Трактор ЛХТ-55 Передача бортовая -
Трактор Т 330 Коробка передач с механизмами реверса 3
Трактор Т 330Г Коробка передач с механизмами реверса 3
Трактор Т-11.01.01Я Лебедка 1
Трактор Т-11.01.01ЯМ Лебедка 1
Трактор Т-11.01.01ЯМП Лебедка 1
Трактор Т-25.01Я Редуктор привода насосов 1
Трактор Т-35.01 ЯБЛ Редуктор привода насосов 1
Трактор Т-35.01Я Редуктор привода насосов 1
Трактор ТДТ-55 Передача бортовая -
Трактор ТМ-25.01Я Редуктор привода насосов 1
Трактор ТТ-4М Передача конечная: вал ведомый -
Трактор ТТ-4М-01 Передача конечная: вал ведомый -
Трамвайный вагон Т-2 Пара колесная 12
Трамвайный вагон Т-3 Пара колесная 12
Бренд Обозначение
ГПЗ 222
SKF 6222
FAG 6222
NSK 6222
Товар добавлен в корзину
Перейти в корзину ×