Подшипники гост
Интернет-магазин
8-800-250-16-58
Обратный звонок

Заказ обратного звонка




Эл. почта:
info@amost.ru
Свои заказы Корзина пуста





Получать прайс-лист на email:

Чтобы отписаться от рассылки, введите e-mail, на который вы получаете наши письма:

 

Поиск подшипников

Масса и размеры

Внутренний диаметр d, мм

От  до 

Наружный диаметр D, мм

От  до 

Ширина b, мм

Применяемость

Раздел каталога

Подшипник шариковый радиальный однорядный основного конструктивного исполнения

224 Л ТУ 37.006.154

Отечественный
Импортный

Производитель



уточнять наличие
Обозначение 224 Л ТУ 37.006.154
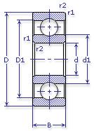
Внутренний диаметр, d (мм) 120
Наружный диаметр, D (мм) 215
Ширина, В (мм) 40
Масса, m (кг) 5.2
Грузоподъемность динамическая, C (kN) 156
Грузоподъемность статическая, Co (kN) 112
Ном. частота вращен. при пластич. смазке, n grease (1/min) 2800
Марка стали, Материал ШХ-15
Диаметр шарика, d шарика (мм) 30.162
Количество шариков, N шариков 10
Ном. частота вращен. при жидк. смазке, n oil (1/min) 3400
Диаметр борта наружного кольца, D1(mm) 188.5
Диаметр борта внутреннего кольца, d1 (mm) 149.5
Радиус фаски, r1, r2 min (мм) 2.1
224 Л ТУ 37.006.154

Этот подшипник может быть заменен другими:

Подшипник 60224 — При условии демонтажа одной защитной шайбы

Подшипник 80224 — При условии демонтажа 2-х защитных шайб

Марка Модель Узел Кол-во на узел
МАЗ 537 Коробка раздаточная 1
МАЗ 537Г Коробка раздаточная 1
МАЗ 543 Коробка раздаточная 2
МАЗ 547 Коробка передач планетарная 2
МАЗ 7310 Коробка раздаточная 2
МАЗ 73101 Коробка раздаточная 2
МАЗ 7410 Коробка раздаточная 1
Бренд Обозначение
ГПЗ 224
SKF 6224
FAG 6224
NSK 6224
Товар добавлен в корзину
Перейти в корзину ×