Подшипники гост
Интернет-магазин
8-800-250-16-58
Обратный звонок

Заказ обратного звонка




Эл. почта:
info@amost.ru
Свои заказы Корзина пуста





Получать прайс-лист на email:

Чтобы отписаться от рассылки, введите e-mail, на который вы получаете наши письма:

 

Поиск подшипников

Масса и размеры

Внутренний диаметр d, мм

От  до 

Наружный диаметр D, мм

От  до 

Ширина b, мм

Применяемость

Раздел каталога

Подшипник шариковый радиальный однорядный основного конструктивного исполнения

224 ТУ 37.006.154

Отечественный
Импортный

Производитель



уточнять наличие
Обозначение 224 ТУ 37.006.154
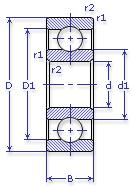
Внутренний диаметр, d (мм) 120
Наружный диаметр, D (мм) 215
Ширина, В (мм) 40
Масса, m (кг) 5.2
Грузоподъемность динамическая, C (kN) 156
Грузоподъемность статическая, Co (kN) 112
Ном. частота вращен. при пластич. смазке, n grease (1/min) 2800
Марка стали, Материал ШХ-15
Диаметр шарика, d шарика (мм) 30.162
Количество шариков, N шариков 10
Ном. частота вращен. при жидк. смазке, n oil (1/min) 3400
Диаметр борта наружного кольца, D1(mm) 188.5
Диаметр борта внутреннего кольца, d1 (mm) 149.5
Радиус фаски, r1, r2 min (мм) 2.1
224 ТУ 37.006.154

Этот подшипник может быть заменен другими:

Подшипник 60224 — При условии демонтажа одной защитной шайбы

Подшипник 80224 — При условии демонтажа 2-х защитных шайб

Марка Модель Узел Кол-во на узел
МАЗ 537 Коробка раздаточная 1
МАЗ 537Г Коробка раздаточная 1
МАЗ 543 Коробка раздаточная 2
МАЗ 547 Коробка передач планетарная 2
МАЗ 7310 Коробка раздаточная 2
МАЗ 73101 Коробка раздаточная 2
МАЗ 7410 Коробка раздаточная 1
Бренд Обозначение
ГПЗ 224
SKF 6224
FAG 6224
NSK 6224
Товар добавлен в корзину
Перейти в корзину ×