Подшипники гост
Интернет-магазин
8-800-250-16-58
Обратный звонок

Заказ обратного звонка




Эл. почта:
info@amost.ru
Свои заказы Корзина пуста





Получать прайс-лист на email:

Чтобы отписаться от рассылки, введите e-mail, на который вы получаете наши письма:

 

Поиск подшипников

Масса и размеры

Внутренний диаметр d, мм

От  до 

Наружный диаметр D, мм

От  до 

Ширина b, мм

Применяемость

Раздел каталога

Подшипник шариковый радиальный однорядный основного конструктивного исполнения

1000811 ГОСТ 520

Отечественный
Импортный

Производитель



уточнять наличие
Обозначение 1000811 ГОСТ 520
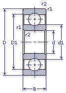
Внутренний диаметр, d (мм) 55
Наружный диаметр, D (мм) 72
Ширина, В (мм) 9
Масса, m (кг) 0.0771
Марка стали, Материал ШХ-15
1000811 ГОСТ 520
Бренд Обозначение
ГПЗ 1000811
SKF 61811
FAG 61811
NSK 6811
Товар добавлен в корзину
Перейти в корзину ×