Подшипники гост
Интернет-магазин
8-800-250-16-58
Обратный звонок

Заказ обратного звонка




Эл. почта:
info@amost.ru
Свои заказы Корзина пуста





Получать прайс-лист на email:

Чтобы отписаться от рассылки, введите e-mail, на который вы получаете наши письма:

 

Поиск подшипников

Масса и размеры

Внутренний диаметр d, мм

От  до 

Наружный диаметр D, мм

От  до 

Ширина b, мм

Применяемость

Раздел каталога

Подшипник шариковый радиальный однорядный основного конструктивного исполнения

1000814 К ГОСТ 520

Отечественный
Импортный

Производитель



уточнять наличие
Обозначение 1000814 К ГОСТ 520
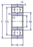
Внутренний диаметр, d (мм) 70
Наружный диаметр, D (мм) 90
Ширина, В (мм) 10
Масса, m (кг) 0.1700
Грузоподъемность динамическая, C (kN) 12.1
Грузоподъемность статическая, Co (kN) 9.15
Ном. частота вращен. при пластич. смазке, n grease (1/min) 7000
Диаметр шарика, d шарика (мм) 5.556
Количество шариков, N шариков 24
Ном. частота вращен. при жидк. смазке, n oil (1/min) 8500
1000814 К ГОСТ 520
Марка Модель Узел Кол-во на узел
КАЗ 4540 Мост задний 1
Бренд Обозначение
ГПЗ 1000814
SKF 61814
FAG 61814
NSK 6814
Товар добавлен в корзину
Перейти в корзину ×