Подшипники гост
Интернет-магазин
8-800-250-16-58
Обратный звонок

Заказ обратного звонка




Эл. почта:
info@amost.ru
Свои заказы Корзина пуста





Получать прайс-лист на email:

Чтобы отписаться от рассылки, введите e-mail, на который вы получаете наши письма:

 

Поиск подшипников

Масса и размеры

Внутренний диаметр d, мм

От  до 

Наружный диаметр D, мм

От  до 

Ширина b, мм

Применяемость

Раздел каталога

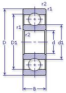
Подшипник шариковый радиальный однорядный основного конструктивного исполнения

1000848 ГОСТ 520

Отечественный
Импортный

Производитель



уточнять наличие
Обозначение 1000848 ГОСТ 520
Внутренний диаметр, d (мм) 280
Наружный диаметр, D (мм) 300
Масса, m (кг) 4.75
Марка стали, Материал ШХ-15
Ширина, b (мм) 28
1000848 ГОСТ 520
Бренд Обозначение
ГПЗ 1000848
SKF 61848
FAG 61848
NSK 6848
Товар добавлен в корзину
Перейти в корзину ×