Подшипники гост
Интернет-магазин
8-800-250-16-58
Обратный звонок

Заказ обратного звонка




Эл. почта:
info@amost.ru
Свои заказы Корзина пуста





Получать прайс-лист на email:

Чтобы отписаться от рассылки, введите e-mail, на который вы получаете наши письма:

 

Поиск подшипников

Масса и размеры

Внутренний диаметр d, мм

От  до 

Наружный диаметр D, мм

От  до 

Ширина b, мм

Применяемость

Раздел каталога

Подшипник шариковый радиальный однорядный основного конструктивного исполнения

1000911 ГОСТ 520

Отечественный
Импортный

Производитель



уточнять наличие
Обозначение 1000911 ГОСТ 520
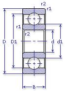
Внутренний диаметр, d (мм) 55
Наружный диаметр, D (мм) 80
Ширина, В (мм) 13
Масса, m (кг) 0.193
Грузоподъемность динамическая, C (kN) 16
Грузоподъемность статическая, Co (kN) 10
Ном. частота вращен. при пластич. смазке, n grease (1/min) 7500
Марка стали, Материал ШХ-15
Диаметр шарика, d шарика (мм) 5.0
Количество шариков, N шариков 21
Ном. частота вращен. при жидк. смазке, n oil (1/min) 9500
1000911 ГОСТ 520
Бренд Обозначение
ГПЗ 1000911
SKF 61911
FAG 61911
NSK 6911
Товар добавлен в корзину
Перейти в корзину ×