104 ГОСТ 520
| Обозначение | 104 ГОСТ 520 |
|---|---|
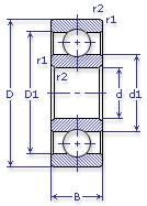
| Внутренний диаметр, d (мм) | 20 |
| Наружный диаметр, D (мм) | 42 |
| Ширина, В (мм) | 12 |
| Масса, m (кг) | 0.07 |
| Грузоподъемность динамическая, C (kN) | 9.36 |
| Грузоподъемность статическая, Co (kN) | 4.5 |
| Ном. частота вращен. при пластич. смазке, n grease (1/min) | 17000 |
| Диаметр шарика, d шарика (мм) | 6.35 |
| Количество шариков, N шариков | 9 |
| Ном. частота вращен. при жидк. смазке, n oil (1/min) | 20000 |
Этот подшипник может быть заменен другими:
Подшипник 50104 — Условие отсутствует
Подшипник 60104 — При условии демонтажа одной защитной шайбы
Подшипник 160104 — При условии демонтажа одной защитной шайбы
Подшипник 150104 — При условии демонтажа одной защитной шайбы (п/ш с канавкой)
Подшипник 80104 — При условии демонтажа 2-х защитных шайб
Подшипник 180104 — При условии демонтажа 2-х защитных шайб
Подшипник 450104 — При условии демонтажа 2-х защитных шайб
| Марка | Модель | Узел | Кол-во на узел |
|---|---|---|---|
| Подшипники ГАЗ | 2110 | Управление рулевое: шестерня | 1 |
| Подшипники ГАЗ | 2111 | Управление рулевое: шестерня | 1 |
| Подшипники ГАЗ | 2112 | Управление рулевое: опора шестерни | 1 |
| Подшипники ГАЗ | 2112 | Управление рулевое: шестерня | 1 |
| Подшипники ГАЗ | 3301 | Двигатель | 1 |
| Подшипники ГАЗ | 3306 | Двигатель: муфта опережения впрыска топлива | 1 |
| ГАЗ | 3309 | Двигатель: привод насоса топливного высокого давления | 1 |
| ГАЗ | 4301 | Двигатель | 1 |
| ГАЗ | 4301 | Двигатель: муфта опережения впрыска топлива | 1 |
| ГАЗ | 4509 | Двигатель: муфта опережения впрыска топлива | 1 |
| ГАЗ | САЗ 4509 | Двигатель | 1 |
| МАЗ | 547 | Двигатель: система охлаждения | 1 |
| МАЗ | 7410 | Насос водяной | 1 |
| Мототехника | ИЖ-П3 | Коробка передач: вал первичный | - |
| Мототехника | ИЖ-П4 | Коробка передач: вал первичный | - |
| Мототехника | ИЖ-П5 | Коробка передач: вал первичный | - |
| Мототехника | ИЖ-ПС | Коробка передач: вал первичный | - |
| Мототехника | ИЖ-Ю | Коробка передач: вал первичный | - |
| Мототехника | ИЖ-Ю2 | Коробка передач: вал первичный | - |
| Мототехника | ИЖ-Ю3 | Коробка передач: вал первичный | - |
| Мототехника | ИЖ-Ю5 | Коробка передач: вал первичный | - |
| Мототехника | Минск ММВЗ-3.11211 | Коробка передач: вал вторичный | - |
| Мототехника | Минск ММВЗ-3.1135 | Коробка передач: вал вторичный | - |
| Мототехника | Мокик ИЖ2.673 | Коробка передач: вал вторичный | - |
| Трактор | Т-25 | Гидронасос: привод | 2 |
| Трактор | Т-25А | Гидронасос: привод | - |