Подшипники гост
Интернет-магазин
8-800-250-16-58
Обратный звонок

Заказ обратного звонка




Эл. почта:
info@amost.ru
Свои заказы Корзина пуста





Получать прайс-лист на email:

Чтобы отписаться от рассылки, введите e-mail, на который вы получаете наши письма:

 

Поиск подшипников

Масса и размеры

Внутренний диаметр d, мм

От  до 

Наружный диаметр D, мм

От  до 

Ширина b, мм

Применяемость

Раздел каталога

Подшипник шариковый радиальный однорядный основного конструктивного исполнения

109 ТУ 003

Отечественный
Импортный

Производитель



уточнять наличие
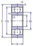
Обозначение 109 ТУ 003
Внутренний диаметр, d (мм) 45
Наружный диаметр, D (мм) 75
Ширина, В (мм) 16
Масса, m (кг) 0.253
Грузоподъемность динамическая, C (kN) 21.2
Грузоподъемность статическая, Co (kN) 12.2
Ном. частота вращен. при пластич. смазке, n grease (1/min) 9000
Диаметр шарика, d шарика (мм) 8.731
Количество шариков, N шариков 13
Ном. частота вращен. при жидк. смазке, n oil (1/min) 11000
109 ТУ 003

Этот подшипник может быть заменен другими:

Подшипник 50109 — Условие отсутствует

Подшипник 60109 — При условии демонтажа одной защитной шайбы

Подшипник 160109 — При условии демонтажа одной защитной шайбы

Подшипник 150109 — При условии демонтажа одной защитной шайбы (п/ш с канавкой)

Подшипник 80109 — При условии демонтажа 2-х защитных шайб

Подшипник 180109 — При условии демонтажа 2-х защитных шайб

Подшипник 450109 — При условии демонтажа 2-х защитных шайб

Подшипник 750109 — При условии демонтажа 2-х защитных шайб

Марка Модель Узел Кол-во на узел
БелАЗ 75211(180т) Генератор-дизель 4
Бренд Обозначение
ГПЗ 109
SKF 6009
FAG 6009
NSK 6009
Товар добавлен в корзину
Перейти в корзину ×