Подшипники гост
Интернет-магазин
8-800-250-16-58
Обратный звонок

Заказ обратного звонка




Эл. почта:
info@amost.ru
Свои заказы Корзина пуста





Получать прайс-лист на email:

Чтобы отписаться от рассылки, введите e-mail, на который вы получаете наши письма:

 

Поиск подшипников

Масса и размеры

Внутренний диаметр d, мм

От  до 

Наружный диаметр D, мм

От  до 

Ширина b, мм

Применяемость

Раздел каталога

Подшипник шариковый радиальный однорядный основного конструктивного исполнения

113 ТУ 003

Отечественный
Импортный
Цена: 110.00 руб

Производитель



под заказ
Обозначение 113 ТУ 003
Новинки 0
Хиты продаж 0
Скидки 0
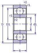
Внутренний диаметр, d (мм) 65
Наружный диаметр, D (мм) 100
Ширина, В (мм) 18
Масса, m (кг) 0.45
Грузоподъемность динамическая, C (kN) 30.7
Грузоподъемность статическая, Co (kN) 19.6
Ном. частота вращен. при пластич. смазке, n grease (1/min) 6300
Марка стали, Материал ШХ-15
Диаметр шарика, d шарика (мм) 10.319
Количество шариков, N шариков 15
Ном. частота вращен. при жидк. смазке, n oil (1/min) 7500
Диаметр борта наружного кольца, D1(mm) 89.4
Диаметр борта внутреннего кольца, d1 (mm) 76.7
Радиус фаски, r1, r2 min (мм) 1.1
113 ТУ 003

Этот подшипник может быть заменен другими:

Подшипник 50113 — Условие отсутствует

Подшипник 60113 — При условии демонтажа одной защитной шайбы

Подшипник 160113 — При условии демонтажа одной защитной шайбы

Подшипник 150113 — При условии демонтажа одной защитной шайбы (п/ш с канавкой)

Подшипник 80113 — При условии демонтажа 2-х защитных шайб

Подшипник 180113 — При условии демонтажа 2-х защитных шайб

Подшипник 450113 — При условии демонтажа 2-х защитных шайб

Подшипник 750113 — При условии демонтажа 2-х защитных шайб

Марка Модель Узел Кол-во на узел
КЗКТ Э538ДК Коробка раздаточная 2
МАЗ 538 Коробка передач гидромеханическая 2
Трактор ЛХТ-55 Лебедка: муфта свободного хода -
Трактор Т-150К Шестерня транспортного ряда 2
Трактор ТДТ-55 Лебедка: муфта свободного хода -
Бренд Обозначение
ГПЗ 113
SKF 6013
FAG 6013
NSK 6013
Товар добавлен в корзину
Перейти в корзину ×