Подшипники гост
Интернет-магазин
8-800-250-16-58
Обратный звонок

Заказ обратного звонка




Эл. почта:
info@amost.ru
Свои заказы Корзина пуста





Получать прайс-лист на email:

Чтобы отписаться от рассылки, введите e-mail, на который вы получаете наши письма:

 

Поиск подшипников

Масса и размеры

Внутренний диаметр d, мм

От  до 

Наружный диаметр D, мм

От  до 

Ширина b, мм

Применяемость

Раздел каталога

Подшипник шариковый радиальный однорядный основного конструктивного исполнения

116 А ГОСТ 520

Отечественный
Импортный
Цена: 362.00 руб

Производитель



под заказ
Обозначение 116 А ГОСТ 520
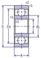
Внутренний диаметр, d (мм) 80
Наружный диаметр, D (мм) 125
Ширина, В (мм) 22
Масса, m (кг) 0.8600
Грузоподъемность динамическая, C (kN) 47.7
Грузоподъемность статическая, Co (kN) 31.5
Ном. частота вращен. при пластич. смазке, n grease (1/min) 5300
Диаметр шарика, d шарика (мм) 13.494
Количество шариков, N шариков 14
Ном. частота вращен. при жидк. смазке, n oil (1/min) 6300
116 А ГОСТ 520

Этот подшипник может быть заменен другими:

Подшипник 50116 — Условие отсутствует

Подшипник 60116 — При условии демонтажа одной защитной шайбы

Подшипник 150116 — При условии демонтажа одной защитной шайбы (п/ш с канавкой)

Подшипник 80116 — При условии демонтажа 2-х защитных шайб

Подшипник 180116 — При условии демонтажа 2-х защитных шайб

Подшипник 450116 — При условии демонтажа 2-х защитных шайб

Марка Модель Узел Кол-во на узел
БелАЗ 540А(27т) Коробка передач 13
БелАЗ 548(40т) Коробка передач 13
БелАЗ 7522(30т) Коробка передач 9
БелАЗ 7523(40т) Коробка передач 13
БелАЗ 7548(42т) Гидротрансформатор 2
БелАЗ 7548(42т) Коробка передач 13
Трактор Т-11.01.01Я Гидротрансформатор 4
Трактор Т-11.01.01Я Лебедка 1
Трактор Т-11.01.01ЯМ Гидротрансформатор 4
Трактор Т-11.01.01ЯМ Лебедка 1
Трактор Т-11.01.01ЯМП Гидротрансформатор 4
Трактор Т-11.01.01ЯМП Лебедка 1
Трактор Т-25.01Я Редуктор привода насосов 6
Трактор Т-35.01 ЯБЛ Редуктор привода насосов 6
Трактор Т-35.01Я Редуктор привода насосов 6
Трактор ТМ-25.01Я Редуктор привода насосов 6
Трамвайный вагон Т-2 Пантограф 2
Трамвайный вагон Т-3 Пантограф 2
Бренд Обозначение
ГПЗ 116
SKF 6016
FAG 6016
NSK 6016
Товар добавлен в корзину
Перейти в корзину ×