Подшипники гост
Интернет-магазин
8-800-250-16-58
Обратный звонок

Заказ обратного звонка




Эл. почта:
info@amost.ru
Свои заказы Корзина пуста





Получать прайс-лист на email:

Чтобы отписаться от рассылки, введите e-mail, на который вы получаете наши письма:

 

Поиск подшипников

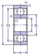
Масса и размеры

Внутренний диаметр d, мм

От  до 

Наружный диаметр D, мм

От  до 

Ширина b, мм

Применяемость

Раздел каталога

Подшипник шариковый радиальный однорядный основного конструктивного исполнения

234 ГОСТ 520

Отечественный
Импортный

Производитель



уточнять наличие
Обозначение 234 ГОСТ 520
Внутренний диаметр, d (мм) 170
Наружный диаметр, D (мм) 310
Ширина, В (мм) 52
Масса, m (кг) 15.0
Грузоподъемность динамическая, C (kN) 240
Грузоподъемность статическая, Co (kN) 210
Ном. частота вращен. при пластич. смазке, n grease (1/min) 1900
Марка стали, Материал ШХ-15
Диаметр шарика, d шарика (мм) 41.275
Количество шариков, N шариков 10
Ном. частота вращен. при жидк. смазке, n oil (1/min) 2400
234 ГОСТ 520
Марка Модель Узел Кол-во на узел
Станкостроение Не указано Не указано -
Бренд Обозначение
ГПЗ 234
SKF 6234
FAG 6234
NSK 6234
Товар добавлен в корзину
Перейти в корзину ×