Подшипники гост
Интернет-магазин
8-800-250-16-58
Обратный звонок

Заказ обратного звонка




Эл. почта:
info@amost.ru
Свои заказы Корзина пуста





Получать прайс-лист на email:

Чтобы отписаться от рассылки, введите e-mail, на который вы получаете наши письма:

 

Поиск подшипников

Масса и размеры

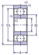
Внутренний диаметр d, мм

От  до 

Наружный диаметр D, мм

От  до 

Ширина b, мм

Применяемость

Раздел каталога

Подшипник шариковый радиальный однорядный основного конструктивного исполнения

117 АКШ ГОСТ 520

Отечественный
Импортный

Производитель



уточнять наличие
Обозначение 117 АКШ ГОСТ 520
Внутренний диаметр, d (мм) 85
Наружный диаметр, D (мм) 130
Ширина, В (мм) 22
Масса, m (кг) 0.91
Грузоподъемность динамическая, C (kN) 49.4
Грузоподъемность статическая, Co (kN) 33.5
Ном. частота вращен. при пластич. смазке, n grease (1/min) 5000
Диаметр шарика, d шарика (мм) 13.494
Количество шариков, N шариков 14
Ном. частота вращен. при жидк. смазке, n oil (1/min) 6000
117 АКШ ГОСТ 520

Этот подшипник может быть заменен другими:

Подшипник 60117 — При условии демонтажа одной защитной шайбы

Подшипник 80117 — При условии демонтажа 2-х защитных шайб

Подшипник 180117 — При условии демонтажа 2-х защитных шайб

Марка Модель Узел Кол-во на узел
Комбайн Нива Барабан молотильный: редуктор привода -
ЛиАЗ 5256 Двигатель: система охлаждения 1
МоАЗ 6507 Коробка передач гидромеханическая 1
Бренд Обозначение
ГПЗ 117
SKF 6017
FAG 6017
NSK 6017
Товар добавлен в корзину
Перейти в корзину ×