Подшипники гост
Интернет-магазин
8-800-250-16-58
Обратный звонок

Заказ обратного звонка




Эл. почта:
info@amost.ru
Свои заказы Корзина пуста





Получать прайс-лист на email:

Чтобы отписаться от рассылки, введите e-mail, на который вы получаете наши письма:

 

Поиск подшипников

Масса и размеры

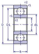
Внутренний диаметр d, мм

От  до 

Наружный диаметр D, мм

От  до 

Ширина b, мм

Применяемость

Раздел каталога

Подшипник шариковый радиальный однорядный основного конструктивного исполнения

407 АК ГОСТ 520

Отечественный
Импортный

Производитель



уточнять наличие
Обозначение 407 АК ГОСТ 520
Внутренний диаметр, d (мм) 35
Наружный диаметр, D (мм) 100
Ширина, В (мм) 25
Масса, m (кг) 0.9500
Грузоподъемность динамическая, C (kN) 55.3
Грузоподъемность статическая, Co (kN) 31
Ном. частота вращен. при пластич. смазке, n grease (1/min) 7000
Марка стали, Материал ШХ-15
Диаметр шарика, d шарика (мм) 20.638
Количество шариков, N шариков 6
Ном. частота вращен. при жидк. смазке, n oil (1/min) 8500
407 АК ГОСТ 520

Этот подшипник может быть заменен другими:

Подшипник 50407 — Условие отсутствует

Марка Модель Узел Кол-во на узел
Комбайн Дон-1200 Коробка диапазонов 5
Комбайн Дон-1200 Коробка диапазонов скоростей -
Комбайн Дон-1500 Коробка диапазонов 5
Комбайн Дон-1500 Коробка диапазонов скоростей -
Комбайн Дон-1500А Коробка диапазонов 5
Комбайн Дон-680 Коробка диапазонов 5
Комбайн Дон-680 Редуктор питателя 8
Комбайн КСКУ-6 Коробка переключения диапазонов -
МАЗ 509А Спецоборудование 1
МАЗ 5434 Спецоборудование 3
МАЗ 5491 Спецоборудование -
Станкостроение Не указано Не указано -
Трактор ДТ-20 Вал промежуточный 1
Трактор ДТ-75 Коробка передач: вал дополнительный, опора передняя 1
Трактор ДТ-75 Ролик поддерживающий 4
Трактор ДТ-75МВ Коробка передач: вал дополнительный, опора передняя 1
Трактор ДТ-75МВ Реверс-редуктор: вал реверса, опора передняя 1
Трактор ДТ-75МВ Ролик поддерживающий 4
Трактор ДТ-75МВ Ходоуменьшитель: вал пониженных скоростей, опора передняя 1
Трактор ДТ-75МВ Ходоуменьшитель: вал резервных скоростей, опора задняя 1
Трактор Т-150 Ролик поддерживающий: ось 4
Трактор Т-25 Передача главная 1
Трактор Т-40 Коробка передач: вал первичный 1
Трактор Т-40А Коробка передач: вал первичный 1
Трактор Т-40АМ Коробка передач с дифференциалом -
Трактор Т-40АНМ Коробка передач с дифференциалом -
Трактор Т-40М Коробка передач с дифференциалом -
Трактор Т-75 Ролик поддерживающий: ось 8
Трактор Т-75 с двигателем СМД-14Г Коробка передач: вал дополнительный, опора передняя -
Трактор Т-75 с двигателем СМД-14Г Ролик поддерживающий -
Бренд Обозначение
ГПЗ 407
SKF 6407
FAG 6407
NSK 6407
Товар добавлен в корзину
Перейти в корзину ×