Подшипники гост
Интернет-магазин
8-800-250-16-58
Обратный звонок

Заказ обратного звонка




Эл. почта:
info@amost.ru
Свои заказы Корзина пуста





Получать прайс-лист на email:

Чтобы отписаться от рассылки, введите e-mail, на который вы получаете наши письма:

 

Поиск подшипников

Масса и размеры

Внутренний диаметр d, мм

От  до 

Наружный диаметр D, мм

От  до 

Ширина b, мм

Применяемость

Раздел каталога

Подшипник шариковый радиальный однорядный основного конструктивного исполнения

326 ГОСТ 520

Отечественный
Импортный
Цена: 3 341.00 руб

Производитель



под заказ
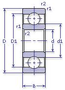
Обозначение 326 ГОСТ 520
Внутренний диаметр, d (мм) 130
Наружный диаметр, D (мм) 280
Ширина, В (мм) 58
Масса, m (кг) 15.2
Грузоподъемность динамическая, C (kN) 228
Грузоподъемность статическая, Co (kN) 216
Ном. частота вращен. при пластич. смазке, n grease (1/min) 2200
Марка стали, Материал ШХ-15
Диаметр шарика, d шарика (мм) 44.45
Количество шариков, N шариков 8
Ном. частота вращен. при жидк. смазке, n oil (1/min) 2800
326 ГОСТ 520
Бренд Обозначение
ГПЗ 326
SKF 6326
FAG 6326
NSK 6326
Товар добавлен в корзину
Перейти в корзину ×