Подшипники гост
Интернет-магазин
8-800-250-16-58
Обратный звонок

Заказ обратного звонка




Эл. почта:
info@amost.ru
Свои заказы Корзина пуста





Получать прайс-лист на email:

Чтобы отписаться от рассылки, введите e-mail, на который вы получаете наши письма:

 

Поиск подшипников

Масса и размеры

Внутренний диаметр d, мм

От  до 

Наружный диаметр D, мм

От  до 

Ширина b, мм

Применяемость

Раздел каталога

Подшипник шариковый радиальный однорядный основного конструктивного исполнения

332 ГОСТ 520

Отечественный
Импортный

Производитель



уточнять наличие
Обозначение 332 ГОСТ 520
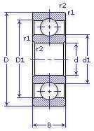
Внутренний диаметр, d (мм) 160
Наружный диаметр, D (мм) 340
Ширина, В (мм) 68
Масса, m (кг) 31.5
Грузоподъемность динамическая, C (kN) 276
Грузоподъемность статическая, Co (kN) 280
Ном. частота вращен. при пластич. смазке, n grease (1/min) 1800
Марка стали, Материал ШХ-15
Ном. частота вращен. при жидк. смазке, n oil (1/min) 2200
332 ГОСТ 520
Бренд Обозначение
ГПЗ 332
SKF 6332
FAG 6332
NSK 6332
Товар добавлен в корзину
Перейти в корзину ×