Подшипники гост
Интернет-магазин
8-800-250-16-58
Обратный звонок

Заказ обратного звонка




Эл. почта:
info@amost.ru
Свои заказы Корзина пуста





Получать прайс-лист на email:

Чтобы отписаться от рассылки, введите e-mail, на который вы получаете наши письма:

 

Поиск подшипников

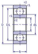
Масса и размеры

Внутренний диаметр d, мм

От  до 

Наружный диаметр D, мм

От  до 

Ширина b, мм

Применяемость

Раздел каталога

Подшипник шариковый радиальный однорядный основного конструктивного исполнения

410 ГОСТ 520

Отечественный
Импортный

Производитель



уточнять наличие
Обозначение 410 ГОСТ 520
Внутренний диаметр, d (мм) 50
Наружный диаметр, D (мм) 130
Ширина, В (мм) 31
Масса, m (кг) 1.91
Грузоподъемность динамическая, C (kN) 87
Грузоподъемность статическая, Co (kN) 52
Ном. частота вращен. при пластич. смазке, n grease (1/min) 5300
Марка стали, Материал ШХ-15
Диаметр шарика, d шарика (мм) 24.606
Количество шариков, N шариков 7
Ном. частота вращен. при жидк. смазке, n oil (1/min) 6300
410 ГОСТ 520

Этот подшипник может быть заменен другими:

Подшипник 50410 — Условие отсутствует

Марка Модель Узел Кол-во на узел
КЗКТ Э538ДК Коробка передач гидромеханическая 1
КЗКТ Э538ДП Коробка передач гидромеханическая 1
Комбайн Дон-680 Редуктор ускорителя 1
МАЗ 538 Коробка дополнительная 1
МАЗ 538 Коробка передач гидромеханическая 1
Трамвайный вагон КТМ-5М3 Двигатель ДК-259Г3 4
Трамвайный вагон РВ3-6М2 Пара колесная 8
Трамвайный вагон РВ3-6М2 Электродвигатель ДК-250Г 4
Бренд Обозначение
ГПЗ 410
SKF 6410
FAG 6410
NSK 6410
Товар добавлен в корзину
Перейти в корзину ×