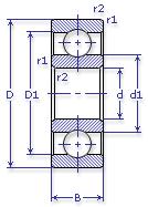
206 АШ2 ГОСТ 520
| Обозначение | 206 АШ2 ГОСТ 520 |
|---|---|
| Внутренний диаметр, d (мм) | 30 |
| Наружный диаметр, D (мм) | 62 |
| Ширина, В (мм) | 16 |
| Масса, m (кг) | 0.2 |
| Грузоподъемность динамическая, C (kN) | 19.5 |
| Грузоподъемность статическая, Co (kN) | 10 |
| Ном. частота вращен. при пластич. смазке, n grease (1/min) | 10000 |
| Диаметр шарика, d шарика (мм) | 9.525 |
| Количество шариков, N шариков | 9 |
| Ном. частота вращен. при жидк. смазке, n oil (1/min) | 13000 |
| Диаметр борта наружного кольца, D1(mm) | 51.7 |
| Диаметр борта внутреннего кольца, d1 (mm) | 40.3 |
| Радиус фаски, r1, r2 min (мм) | 1 |
Этот подшипник может быть заменен другими:
Подшипник 50206 — Условие отсутствует
Подшипник 60206 — При условии демонтажа одной защитной шайбы
Подшипник 160206 — При условии демонтажа одной защитной шайбы
Подшипник 150206 — При условии демонтажа одной защитной шайбы (п/ш с канавкой)
Подшипник 80206 — При условии демонтажа 2-х защитных шайб
Подшипник 180206 — При условии демонтажа 2-х защитных шайб
Подшипник 450206 — При условии демонтажа 2-х защитных шайб
Подшипник 190206 — Аналог состоит из двух искомых подшипников
| Марка | Модель | Узел | Кол-во на узел |
|---|---|---|---|
| Пункт картофелесортировальный с переборочными столами | КСП-25 | Бункер-накопитель 2-х секционный 3614010-12.000: мотор-барабан | - |
| Пункт картофелесортировальный с переборочными столами | КСП-25 | Бункер-накопитель 3-х секционный 3614010-11.000: мотор-барабан | - |
| Пункт картофелесортировальный с переборочными столами | КСП-25 | Транспортер основной ПСШ.03.000: мотор-барабан, блок шестерен | - |
| Пункт картофелесортировальный с переборочными столами | КСП-25 | Транспортер переносной ПСШ.01.000: мотор-барабан, блок шестерен | - |
| Пункт картофелесортировальный с переборочными столами | КСП-25 | Транспортер переносной ПСШ.18.000: мотор-барабан, блок шестерен | - |
| Пункт картофелесортировальный с переборочными столами | КСП-25 | Транспортер распределительный ПСШ.02.000-01: ролик верхний | - |
| Пункт картофелесортировальный с переборочными столами | КСП-25 | Транспортер загрузочный ПСШ.08.000: блок шестерен | - |
| Пункт картофелесортировальный с переборочными столами | КСП-25 | Транспортер загрузочный ПСШ.08.000-01: блок шестерен | - |
| Автопогрузчик | 4022 | Грузоподъемник | 2 |
| БелАЗ | 540А(27т) | Генератор | 1 |
| БелАЗ | 548(40т) | Генератор | 1 |
| БелАЗ | 549(75т) | Коробка отбора мощности | 4 |
| БелАЗ | 7420-9590 | Генератор | 1 |
| БелАЗ | 75211(180т) | Генератор | 1 |
| БелАЗ | 7522(30т) | Генератор | 1 |
| БелАЗ | 7523(40т) | Генератор | 1 |
| БелАЗ | 7548(42т) | Генератор | 1 |
| ЗАЗ | 965А | Коробка передач | 1 |
| ЗАЗ | 965АР | Коробка передач | - |
| ЗАЗ | 965Б | Коробка передач | 1 |
| ЗАЗ | 965Р | Коробка передач | 1 |
| ЗИУ | 9 | Генератор Г-108А | 3 |
| ЗИУ | 9 | Генератор Г-263А | 1 |
| ЗИУ | 9 | Генератор Г-732В | 1 |
| ЗИУ | 9В(682В) | Генератор | 3 |
| КАвЗ | 3100 | Двигатель: система охлаждения | - |
| КАвЗ | 3100 | Двигатель: система охлаждения | 2 |
| КАвЗ | 3100 | Двигатель: система охлаждения | 2 |
| КамАЗ | 6410 | Двигатель: система питания | 2 |
| Комбайн | Дон-680 | Редуктор цилиндрический | 4 |
| ЛАЗ | 695Е | Двигатель: система охлаждения | 6 |
| ЛАЗ | 695Н | Двигатель: система охлаждения | 6 |
| ЛАЗ | 695Н | Двигатель: система охлаждения | 6 |
| ЛАЗ | 697Р | Двигатель: система охлаждения | 6 |
| ЛАЗ | 697Р | Двигатель: система охлаждения | 6 |
| ЛАЗ | 699Н | Двигатель: система охлаждения | 4 |
| ЛАЗ | 699Р | Двигатель: система охлаждения | 4 |
| ЛАЗ | 699Р | Двигатель: система охлаждения | 4 |
| ЛиАЗ | 5256 | Двигатель: система охлаждения | 4 |
| ЛиАЗ | 5256 | Двигатель: система охлаждения | 4 |
| ЛиАЗ | 677 | Двигатель: система охлаждения | 2 |
| ЛиАЗ | 677 | Двигатель: система охлаждения | 2 |
| ЛиАЗ | 677Б | Двигатель: система охлаждения | 2 |
| ЛиАЗ | 677Б | Двигатель: система охлаждения | 2 |
| ЛиАЗ | 677В | Двигатель: система охлаждения | 2 |
| ЛиАЗ | 677В | Двигатель: система охлаждения | 2 |
| ЛиАЗ | 677М | Двигатель: система охлаждения | 2 |
| ЛиАЗ | 677М | Двигатель: система охлаждения | 2 |
| ЛиАЗ | 677П | Двигатель: система охлаждения | 2 |
| ЛиАЗ | 677П | Двигатель: система охлаждения | 2 |
| ЛуАЗ | 1302 | Мост задний: вал приводной, опоры крайние | - |
| ЛуАЗ | 969 | Вал приводной | 2 |
| ЛуАЗ | 969М | Вал приводной | 2 |
| ЛуАЗ | 969М | Вал приводной: опоры крайние | 2 |
| МАЗ | 504В | Управление рулевое | 1 |
| МАЗ | 509А | Управление рулевое | 1 |
| МАЗ | 5322 | Спецоборудование | 2 |
| МАЗ | 5334 | Управление рулевое | 1 |
| МАЗ | 5335 | Управление рулевое | 1 |
| МАЗ | 5336 | Спецоборудование | 2 |
| МАЗ | 5336 | Спецоборудование | - |
| МАЗ | 5338 | Управление рулевое | 1 |
| МАЗ | 537 | Вентилятор | 12 |
| МАЗ | 537 | Двигатель: система охлаждения | 12 |
| МАЗ | 537Г | Вентилятор | 12 |
| МАЗ | 537Г | Двигатель: система охлаждения | 12 |
| МАЗ | 538 | Вентилятор | 2 |
| МАЗ | 538 | Двигатель: система охлаждения | 6 |
| МАЗ | 538 | Коробка дополнительная | 2 |
| МАЗ | 5429 | Управление рулевое | 1 |
| МАЗ | 5429 | Спецоборудование | 2 |
| МАЗ | 5430 | Управление рулевое | 1 |
| МАЗ | 54321 | Спецоборудование | 2 |
| МАЗ | 5433 | Спецоборудование | 2 |
| МАЗ | 54365 | Спецоборудование | - |
| МАЗ | 547 | Двигатель: система охлаждения | 2 |
| МАЗ | 5549 | Управление рулевое | 1 |
| МАЗ | 5549 | Спецоборудование | 2 |
| МАЗ | 5551 | Спецоборудование | 2 |
| МАЗ | 55512 | Спецоборудование | 2 |
| МАЗ | 55555 | Спецоборудование | - |
| МАЗ | 5558 | Управление рулевое | 1 |
| МАЗ | 5577 | Управление рулевое | - |
| МАЗ | 5582 | Спецоборудование | - |
| МАЗ | 5586 | Управление рулевое | - |
| МАЗ | 7410 | Двигатель: система охлаждения | 2 |
| Мототехника | Днепр-12 | Редуктор: крышка левая | - |
| Мототехника | Днепр-16 | Редуктор: крышка левая | - |
| ПАЗ | 3205 | Двигатель: система охлаждения | 2 |
| ПАЗ | 3205 | Двигатель: вал промежуточный вентилятора | 2 |
| ПАЗ | 672 | Двигатель: система охлаждения | 2 |
| Свеклопогрузчик навесной тракторный | СНТ-2.1А | Механизм рычажно-кривошипный правый и левый: привод цепной | - |
| Трактор | ДТ-20 | Насос водяной | 2 |
| Трактор | ДТ-20 | Насос топливный | 1 |
| Трактор | ДТ-20 | Валик приводной | 2 |
| Трактор | МТЗ-2 | Коробка передач: шестерня хода заднего | 2 |
| Трактор | МТЗ-5 | Коробка передач: шестерня хода заднего | 2 |
| Трактор | МТЗ-50 | Управление рулевое: привод насоса гидроусилителя, опора задняя | 1 |
| Трактор | МТЗ-50Л | Управление рулевое: привод насоса гидроусилителя, опора задняя | 1 |
| Трактор | МТЗ-50ПЛ | Управление рулевое: привод насоса гидроусилителя, опора задняя | 1 |
| Трактор | МТЗ-52 | Управление рулевое: привод насоса гидроусилителя, опора задняя | 1 |
| Трактор | МТЗ-52Л | Управление рулевое: привод насоса гидроусилителя, опора задняя | 1 |
| Трактор | МТЗ-5К | Двигатель: привод гидронасоса, опора задняя | 1 |
| Трактор | МТЗ-5К | Коробка передач: шестерня хода заднего | 2 |
| Трактор | МТЗ-5Л | Двигатель: привод гидронасоса, опора задняя | 1 |
| Трактор | МТЗ-5Л | Коробка передач: шестерня хода заднего | 2 |
| Трактор | МТЗ-5ЛС | Двигатель: привод гидронасоса, опора задняя | 1 |
| Трактор | МТЗ-5ЛС | Коробка передач: шестерня хода заднего | 2 |
| Трактор | МТЗ-5М | Двигатель: привод гидронасоса, опора задняя | 1 |
| Трактор | МТЗ-5М | Коробка передач: шестерня хода заднего | 2 |
| Трактор | МТЗ-5МС | Двигатель: привод гидронасоса, опора задняя | 1 |
| Трактор | МТЗ-5МС | Коробка передач: шестерня хода заднего | 2 |
| Трактор | Т-150 | Управление рулевое: колонка рулевая | 1 |
| Трактор | Т-150К | Коробка передач: привод насоса | 2 |
| Трактор | Т-151К с двигателем СМД-62/63 | Коробка передач: привод насоса, колесо зубчатое | - |
| Трактор | Т-151К с двигателем СМД-62А/63А | Коробка передач: привод насоса, колесо зубчатое | - |
| Трактор | Т-16 | Стакан подшипника | 1 |
| Трактор | Т-25 | Передача главная | 1 |
| Трактор | Т-25А | Передача главная | - |
| Трактор | Т-40 | Вал отбора мощности: привод независимый | 2 |
| Трактор | Т-40А | Вал отбора мощности: привод независимый | 2 |
| Трактор | ТТ-4М | Механизм поворота сиденья | - |
| Трактор | ТТ-4М-01 | Механизм поворота сиденья | - |
| Трактор | ХТЗ-120 | Коробка передач: привод насоса, колесо зубчатое | - |
| Трактор | ХТЗ-121 | Коробка передач: привод насоса, колесо зубчатое | - |
| Трактор | ХТЗ-16131 (кроме двигателя) | Коробка раздаточная: вал привода насоса КП | - |
| Трактор | ЮМЗ-6АЛ | Коробка передач | - |
| Трактор | ЮМЗ-6АЛ | Гидронасос: привод системы | - |
| Трактор | ЮМЗ-6АМ | Коробка передач | - |
| Трактор | ЮМЗ-6АМ | Гидронасос: привод системы | - |
| Трактор | ЮМЗ-6КМ | Коробка передач | - |
| Трактор | ЮМЗ-6КМ | Гидронасос: привод системы | - |
| Трамвайный вагон | КТМ-5М3 | Генератор Г-731А | 1 |
| УРАЛ | 5920 | Коробка отбора мощности | 2 |