Подшипники гост
Интернет-магазин
8-800-250-16-58
Обратный звонок

Заказ обратного звонка




Эл. почта:
info@amost.ru
Свои заказы Корзина пуста





Получать прайс-лист на email:

Чтобы отписаться от рассылки, введите e-mail, на который вы получаете наши письма:

 

Поиск подшипников

Масса и размеры

Внутренний диаметр d, мм

От  до 

Наружный диаметр D, мм

От  до 

Ширина b, мм

Применяемость

Раздел каталога

Подшипник шариковый радиальный однорядный основного конструктивного исполнения

313 АШ2 ГОСТ 520

Отечественный
Импортный
Цена: 806.00 руб

Производитель



под заказ
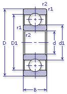
Обозначение 313 АШ2 ГОСТ 520
Внутренний диаметр, d (мм) 65
Наружный диаметр, D (мм) 140
Ширина, В (мм) 33
Масса, m (кг) 2.11
Грузоподъемность динамическая, C (kN) 92.3
Грузоподъемность статическая, Co (kN) 56
Ном. частота вращен. при пластич. смазке, n grease (1/min) 4800
Диаметр шарика, d шарика (мм) 23.812
Количество шариков, N шариков 8
Ном. частота вращен. при жидк. смазке, n oil (1/min) 5600
Диаметр борта наружного кольца, D1(mm) 116.8
Диаметр борта внутреннего кольца, d1 (mm) 88.2
Радиус фаски, r1, r2 min (мм) 2.1
313 АШ2 ГОСТ 520

Этот подшипник может быть заменен другими:

Подшипник 50313 — Условие отсутствует

Подшипник 60313 — При условии демонтажа одной защитной шайбы

Подшипник 80313 — При условии демонтажа 2-х защитных шайб

Подшипник 180313 — При условии демонтажа 2-х защитных шайб

Марка Модель Узел Кол-во на узел
МАЗ 538 Коробка передач гидромеханическая 1
Станкостроение Не указано Не указано -
Трактор К-701 Коробка передач 1
Трактор Т-150 Коробка передач: вал вторичный 1
Трактор Т-150 Коробка передач: вал первичный 1
Трактор Т-150К Коробка передач: вал вторичный 1
Трактор Т-150К Коробка передач: вал первичный 1
Трактор Т-150К Мост задний: вал привода 1
Трактор Т-150К Мост передний: вал привода 1
Трактор Т-150К Коробка раздаточная: вал первичный 1
Трактор Т-151К с двигателем СМД-62/63 Коробка передач: вал вторичный -
Трактор Т-151К с двигателем СМД-62/63 Коробка передач: вал первичный -
Трактор Т-151К с двигателем СМД-62/63 Коробка раздаточная: вал первичный -
Трактор Т-151К с двигателем СМД-62/63 Коробка раздаточная: вал привода моста заднего -
Трактор Т-151К с двигателем СМД-62/63 Коробка раздаточная: вал привода моста переднего -
Трактор Т-151К с двигателем СМД-62А/63А Коробка передач: вал вторичный -
Трактор Т-151К с двигателем СМД-62А/63А Коробка передач: вал первичный -
Трактор Т-151К с двигателем СМД-62А/63А Коробка раздаточная: вал первичный -
Трактор Т-151К с двигателем СМД-62А/63А Коробка раздаточная: вал привода моста заднего -
Трактор Т-151К с двигателем СМД-62А/63А Коробка раздаточная: вал привода моста переднего -
Трактор Т-4А Шестерня ведущая -
Трактор Т-4А Реверс: вал промежуточный -
Трактор ТТ-4М Вал отбора мощности: шестерня ведущая -
Трактор ТТ-4М-01 Вал отбора мощности: шестерня ведущая -
Трактор ХТЗ-120 Коробка передач: вал вторичный -
Трактор ХТЗ-120 Коробка передач: вал первичный -
Трактор ХТЗ-120 Коробка раздаточная: вал привода моста заднего -
Трактор ХТЗ-120 Коробка раздаточная: вал привода моста переднего -
Трактор ХТЗ-121 Коробка передач: вал вторичный -
Трактор ХТЗ-121 Коробка передач: вал первичный -
Трактор ХТЗ-121 Коробка раздаточная: вал привода моста заднего -
Трактор ХТЗ-121 Коробка раздаточная: вал привода моста переднего -
Трактор ХТЗ-16131 (кроме двигателя) Коробка передач: вал вторичный -
Трактор ХТЗ-16131 (кроме двигателя) Коробка передач: вал первичный -
Трактор ХТЗ-16131 (кроме двигателя) Коробка раздаточная: вал привода моста заднего -
Трактор ХТЗ-16131 (кроме двигателя) Коробка раздаточная: вал привода моста переднего -
Бренд Обозначение
ГПЗ 313
SKF 6313
FAG 6313
NSK 6313
Товар добавлен в корзину
Перейти в корзину ×