Подшипники гост
Интернет-магазин
8-800-250-16-58
Обратный звонок

Заказ обратного звонка




Эл. почта:
info@amost.ru
Свои заказы Корзина пуста





Получать прайс-лист на email:

Чтобы отписаться от рассылки, введите e-mail, на который вы получаете наши письма:

 

Поиск подшипников

Масса и размеры

Внутренний диаметр d, мм

От  до 

Наружный диаметр D, мм

От  до 

Ширина b, мм

Применяемость

Раздел каталога

Подшипник шариковый радиальный однорядный основного конструктивного исполнения

1000824 АЛШ ГОСТ 520

Отечественный
Импортный

Производитель



уточнять наличие
Обозначение 1000824 АЛШ ГОСТ 520
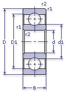
Внутренний диаметр, d (мм) 120
Наружный диаметр, D (мм) 150
Ширина, В (мм) 16
Масса, m (кг) 0.69
Грузоподъемность динамическая, C (kN) 29.1
Грузоподъемность статическая, Co (kN) 25.5
Ном. частота вращен. при пластич. смазке, n grease (1/min) 3800
Диаметр шарика, d шарика (мм) 9.128
Количество шариков, N шариков 25
Ном. частота вращен. при жидк. смазке, n oil (1/min) 4500
1000824 АЛШ ГОСТ 520
Бренд Обозначение
ГПЗ 1000824
SKF 61824
FAG 61824
NSK 6824
Товар добавлен в корзину
Перейти в корзину ×