Подшипники гост
Интернет-магазин
8-800-250-16-58
Обратный звонок

Заказ обратного звонка




Эл. почта:
info@amost.ru
Свои заказы Корзина пуста





Получать прайс-лист на email:

Чтобы отписаться от рассылки, введите e-mail, на который вы получаете наши письма:

 

Поиск подшипников

Масса и размеры

Внутренний диаметр d, мм

От  до 

Наружный диаметр D, мм

От  до 

Ширина b, мм

Применяемость

Раздел каталога

Подшипник шариковый радиальный однорядный основного конструктивного исполнения

1000912 АЕШ1 ГОСТ 520

Отечественный
Импортный
Цена: 300.00 руб

Производитель



под заказ
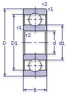
Обозначение 1000912 АЕШ1 ГОСТ 520
Внутренний диаметр, d (мм) 60
Наружный диаметр, D (мм) 85
Ширина, В (мм) 13
Масса, m (кг) 0.237
Грузоподъемность динамическая, C (kN) 16.4
Грузоподъемность статическая, Co (kN) 10.6
Ном. частота вращен. при пластич. смазке, n grease (1/min) 6900
Диаметр шарика, d шарика (мм) 7.144
Количество шариков, N шариков 17
Ном. частота вращен. при жидк. смазке, n oil (1/min) 9600
1000912 АЕШ1 ГОСТ 520
Бренд Обозначение
ГПЗ 1000912
SKF 61912
FAG 61912
NSK 6912
Товар добавлен в корзину
Перейти в корзину ×