Подшипники гост
Интернет-магазин
8-800-250-16-58
Обратный звонок

Заказ обратного звонка




Эл. почта:
info@amost.ru
Свои заказы Корзина пуста





Получать прайс-лист на email:

Чтобы отписаться от рассылки, введите e-mail, на который вы получаете наши письма:

 

Поиск подшипников

Масса и размеры

Внутренний диаметр d, мм

От  до 

Наружный диаметр D, мм

От  до 

Ширина b, мм

Применяемость

Раздел каталога

Подшипник шариковый радиальный однорядный основного конструктивного исполнения

102 Ш ГОСТ 520

Отечественный
Импортный
Цена: 12.00 руб

Производитель



под заказ
Обозначение 102 Ш ГОСТ 520
Новинки 0
Хиты продаж 0
Скидки 0
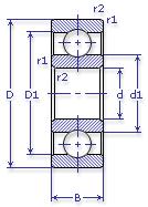
Внутренний диаметр, d (мм) 15
Наружный диаметр, D (мм) 32
Ширина, В (мм) 9
Масса, m (кг) 0.0272
Грузоподъемность динамическая, C (kN) 5.59
Грузоподъемность статическая, Co (kN) 2.85
Ном. частота вращен. при пластич. смазке, n grease (1/min) 22000
Марка стали, Материал ШХ-15
Диаметр шарика, d шарика (мм) 4.763
Количество шариков, N шариков 8
Ном. частота вращен. при жидк. смазке, n oil (1/min) 28000
102 Ш ГОСТ 520

Этот подшипник может быть заменен другими:

Подшипник 50102 — Условие отсутствует

Подшипник 60102 — При условии демонтажа одной защитной шайбы

Подшипник 160102 — При условии демонтажа одной защитной шайбы

Подшипник 150102 — При условии демонтажа одной защитной шайбы (п/ш с канавкой)

Подшипник 80102 — При условии демонтажа 2-х защитных шайб

Подшипник 180102 — При условии демонтажа 2-х защитных шайб

Марка Модель Узел Кол-во на узел
Трамвайный вагон Т-2 Пантограф 8
Трамвайный вагон Т-3 Пантограф 8
Бренд Обозначение
ГПЗ 102
SKF 6002
FAG 6002
NSK 6002
Товар добавлен в корзину
Перейти в корзину ×