Подшипники гост
Интернет-магазин
8-800-250-16-58
Обратный звонок

Заказ обратного звонка




Эл. почта:
info@amost.ru
Свои заказы Корзина пуста





Получать прайс-лист на email:

Чтобы отписаться от рассылки, введите e-mail, на который вы получаете наши письма:

 

Поиск подшипников

Масса и размеры

Внутренний диаметр d, мм

От  до 

Наружный диаметр D, мм

От  до 

Ширина b, мм

Применяемость

Раздел каталога

Подшипник шариковый радиальный однорядный основного конструктивного исполнения

301 АШ2 ГОСТ 520

Отечественный
Импортный

Производитель



уточнять наличие
Обозначение 301 АШ2 ГОСТ 520
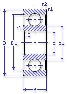
Внутренний диаметр, d (мм) 12
Наружный диаметр, D (мм) 37
Ширина, В (мм) 12
Масса, m (кг) 0.064
Грузоподъемность динамическая, C (kN) 9.75
Грузоподъемность статическая, Co (kN) 4.65
Ном. частота вращен. при пластич. смазке, n grease (1/min) 20000
Диаметр шарика, d шарика (мм) 7.938
Количество шариков, N шариков 6
Ном. частота вращен. при жидк. смазке, n oil (1/min) 26000
301 АШ2 ГОСТ 520

Этот подшипник может быть заменен другими:

Подшипник 60301 — При условии демонтажа одной защитной шайбы

Подшипник 160301 — При условии демонтажа одной защитной шайбы

Подшипник 80301 — При условии демонтажа 2-х защитных шайб

Подшипник 180301 — При условии демонтажа 2-х защитных шайб

Марка Модель Узел Кол-во на узел
ЗАЗ 966 Двигатель 1
ЗАЗ 968А Двигатель 1
ЗАЗ 968Б Двигатель 1
ЗАЗ 968М Вал балансирный 1
КрАЗ 214Б Двигатель: валик грузов регулятора -
ЛуАЗ 969 Двигатель 1
ЛуАЗ 969М Двигатель 1
ЛуАЗ 969М Вал балансирный 1
Трактор ХТЗ-120 Управление рулевое: гидроруль -
Трактор ХТЗ-121 Управление рулевое: гидроруль -
Трамвайный вагон Т-2 Двери 3
Трамвайный вагон Т-2 Ускоритель 3
Трамвайный вагон Т-3 Двери 3
Трамвайный вагон Т-3 Ускоритель 3
Бренд Обозначение
ГПЗ 301
SKF 6301
FAG 6301
NSK 6301
Товар добавлен в корзину
Перейти в корзину ×