Подшипники гост
Интернет-магазин
8-800-250-16-58
Обратный звонок

Заказ обратного звонка




Эл. почта:
info@amost.ru
Свои заказы Корзина пуста





Получать прайс-лист на email:

Чтобы отписаться от рассылки, введите e-mail, на который вы получаете наши письма:

 

Поиск подшипников

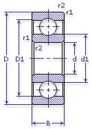
Масса и размеры

Внутренний диаметр d, мм

От  до 

Наружный диаметр D, мм

От  до 

Ширина b, мм

Применяемость

Раздел каталога

Подшипник шариковый радиальный однорядный основного конструктивного исполнения

302 Ю ГОСТ 520

Отечественный
Импортный

Производитель



уточнять наличие
Обозначение 302 Ю ГОСТ 520
Внутренний диаметр, d (мм) 15
Наружный диаметр, D (мм) 42
Ширина, В (мм) 13
Масса, m (кг) 0.08
Грузоподъемность динамическая, C (kN) 11.4
Грузоподъемность статическая, Co (kN) 5.4
Ном. частота вращен. при пластич. смазке, n grease (1/min) 17000
Диаметр шарика, d шарика (мм) 7.938
Количество шариков, N шариков 7
Ном. частота вращен. при жидк. смазке, n oil (1/min) 20000
302 Ю ГОСТ 520

Этот подшипник может быть заменен другими:

Подшипник 60302 — При условии демонтажа одной защитной шайбы

Подшипник 160302 — При условии демонтажа одной защитной шайбы

Подшипник 80302 — При условии демонтажа 2-х защитных шайб

Подшипник 180302 — При условии демонтажа 2-х защитных шайб

Марка Модель Узел Кол-во на узел
Мототехника Ява-250 Ступица колес -
Мототехника Ява-350 Ступица колес -
Трактор ДТ-20 Генератор: опора передняя 1
Трактор Т-012 Вал отбора мощности задний: вал ведущий -
Трамвайный вагон Т-2 Ускоритель 1
Трамвайный вагон Т-3 Ускоритель 1
Бренд Обозначение
ГПЗ 302
SKF 6302
FAG 6302
NSK 6302
Товар добавлен в корзину
Перейти в корзину ×