303 Р ЕТУ ВНИПП.100
| Обозначение | 303 Р ЕТУ ВНИПП.100 |
|---|---|
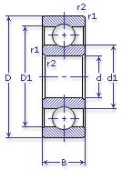
| Внутренний диаметр, d (мм) | 17 |
| Наружный диаметр, D (мм) | 47 |
| Ширина, В (мм) | 14 |
| Масса, m (кг) | 0.112 |
| Грузоподъемность динамическая, C (kN) | 13.5 |
| Грузоподъемность статическая, Co (kN) | 6.65 |
| Ном. частота вращен. при пластич. смазке, n grease (1/min) | 16000 |
| Диаметр шарика, d шарика (мм) | 9.525 |
| Количество шариков, N шариков | 6 |
| Ном. частота вращен. при жидк. смазке, n oil (1/min) | 19000 |
Этот подшипник может быть заменен другими:
Подшипник 50303 — Условие отсутствует
Подшипник 60303 — При условии демонтажа одной защитной шайбы
Подшипник 160303 — При условии демонтажа одной защитной шайбы
Подшипник 150303 — При условии демонтажа одной защитной шайбы (п/ш с канавкой)
Подшипник 80303 — При условии демонтажа 2-х защитных шайб
Подшипник 180303 — При условии демонтажа 2-х защитных шайб
Подшипник 450303 — При условии демонтажа 2-х защитных шайб
| Марка | Модель | Узел | Кол-во на узел |
|---|---|---|---|
| Автопогрузчик | 4008М | Электрооборудование | 1 |
| Автопогрузчик | 4014 | Электрооборудование | 1 |
| Автопогрузчик | 4016 | Электрооборудование | 1 |
| Автопогрузчик | 4017 | Электрооборудование | 1 |
| Автопогрузчик | 4043М | Электрооборудование | 1 |
| Автопогрузчик | 4045Р | Электрооборудование | 1 |
| Автопогрузчик | 4065 | Электрооборудование | 1 |
| БелАЗ | 7548(42т) | Генератор: приспособление натяжное | 2 |
| Подшипники ГАЗ | 3301 | Двигатель | 1 |
| Подшипники ГАЗ | 3306 | Вентилятор: гидромуфта привода | 1 |
| ГАЗ | 3309 | Система охлаждения: гидромуфта | 1 |
| ГАЗ | 4301 | Двигатель | 1 |
| ГАЗ | 4509 | Двигатель | 1 |
| ГАЗ | САЗ 4509 | Двигатель | 1 |
| ЗИУ | 9 | Генератор Г-108А | 3 |
| КАЗ | 608В | Электрооборудование | 1 |
| КЗКТ | Э538ДК | Двигатель | 2 |
| КЗКТ | Э538ДП | Двигатель | 2 |
| КрАЗ | 214Б | Генератор: якорь, опора передняя | - |
| КрАЗ | 255 | Двигатель: система охлаждения | 1 |
| КрАЗ | 255 | Двигатель: система охлаждения | 1 |
| КрАЗ | 255Б1 | Двигатель: система охлаждения | 1 |
| КрАЗ | 255Б1 | Двигатель: система охлаждения | 1 |
| КрАЗ | 255Б1А | Двигатель: система охлаждения | 1 |
| КрАЗ | 255Б1А | Двигатель: система охлаждения | 1 |
| КрАЗ | 255В1 | Двигатель: система охлаждения | 1 |
| КрАЗ | 255В1 | Двигатель: система охлаждения | 1 |
| КрАЗ | 255Л1 | Двигатель: система охлаждения | 1 |
| КрАЗ | 255Л1 | Двигатель: система охлаждения | 1 |
| КрАЗ | 256Б1 | Двигатель: система охлаждения | 1 |
| КрАЗ | 257Б1 | Двигатель: система охлаждения | 1 |
| КрАЗ | 257Б1А | Двигатель: система охлаждения | 1 |
| КрАЗ | 258Б1 | Двигатель: система охлаждения | 1 |
| КрАЗ | 260 | Двигатель: система охлаждения | 1 |
| КрАЗ | 260В | Двигатель: система охлаждения | 1 |
| КрАЗ | 260Г | Двигатель: система охлаждения | 1 |
| КрАЗ | 260Д | Двигатель: система охлаждения | 1 |
| МАЗ | 504В | Двигатель: система охлаждения | 1 |
| МАЗ | 509А | Двигатель: система охлаждения | 1 |
| МАЗ | 5322 | Двигатель: система охлаждения | 1 |
| МАЗ | 5334 | Двигатель: система охлаждения | 1 |
| МАЗ | 5335 | Двигатель: система охлаждения | 1 |
| МАЗ | 5336 | Двигатель: система охлаждения | - |
| МАЗ | 5336 | Двигатель: система охлаждения | 1 |
| МАЗ | 5338 | Двигатель: система охлаждения | 1 |
| МАЗ | 537 | Двигатель | 2 |
| МАЗ | 537Г | Двигатель | 2 |
| МАЗ | 538 | Двигатель | 2 |
| МАЗ | 5429 | Двигатель: система охлаждения | 1 |
| МАЗ | 543 | Двигатель | 2 |
| МАЗ | 5430 | Двигатель: система охлаждения | 1 |
| МАЗ | 54321 | Двигатель: система охлаждения | 1 |
| МАЗ | 54328 | Двигатель: система охлаждения | - |
| МАЗ | 5433 | Двигатель: система охлаждения | 1 |
| МАЗ | 5434 | Двигатель: система охлаждения | 2 |
| МАЗ | 5440 | Двигатель: система охлаждения | - |
| МАЗ | 547 | Двигатель | 2 |
| МАЗ | 5549 | Двигатель: система охлаждения | 1 |
| МАЗ | 5551 | Двигатель: система охлаждения | 1 |
| МАЗ | 55512 | Двигатель: система охлаждения | 1 |
| МАЗ | 55518 | Двигатель: система охлаждения | - |
| МАЗ | 5555 | Двигатель: система охлаждения | - |
| МАЗ | 5558 | Двигатель: система охлаждения | 1 |
| МАЗ | 5564 | Двигатель: система охлаждения | - |
| МАЗ | 6303 | Двигатель: система охлаждения | 1 |
| МАЗ | 6303 | Двигатель: система охлаждения | 1 |
| МАЗ | 6422 | Двигатель: система охлаждения | 1 |
| МАЗ | 6422 | Двигатель: система охлаждения | 1 |
| МАЗ | 64221 | Двигатель: система охлаждения | 1 |
| МАЗ | 64221 | Двигатель: система охлаждения | 1 |
| МАЗ | 64224 | Двигатель: система охлаждения | 1 |
| МАЗ | 64227 | Двигатель: система охлаждения | 1 |
| МАЗ | 64227 | Двигатель: система охлаждения | 1 |
| МАЗ | 64229 | Двигатель: система охлаждения | 1 |
| МАЗ | 64230 | Двигатель: система охлаждения | - |
| МАЗ | 64236 | Двигатель: система охлаждения | - |
| МАЗ | 642554 | Двигатель: система охлаждения | 1 |
| МАЗ | 7310 | Двигатель | 2 |
| МАЗ | 73101 | Двигатель | 2 |
| МАЗ | 7410 | Двигатель | 2 |
| МоАЗ | 546П-Д357П | Двигатель: система охлаждения | 1 |
| МоАЗ | 6401-9585 | Двигатель: система охлаждения | 1 |
| МоАЗ | 6507 | Двигатель: система охлаждения | 1 |
| МоАЗ | 7405-9586 | Двигатель: система охлаждения | 1 |
| Мототехника | Днепр-12 | Коробка передач: вал первичный | - |
| Мототехника | Днепр-16 | Коробка передач: вал первичный | - |
| Мототехника | МТ10-36 Днепр | Коробка передач: вал первичный | - |
| Мототехника | Ява-250 | Коробка передач: картер, половина левая | - |
| Мототехника | Ява-350 | Коробка передач: картер, половина левая | - |
| Трактор | Т-012 | Двигатель: регулятор карбюратора | - |
| Трактор | Т-16 | Управление рулевое: колонка | 1 |
| Трактор | Т-16 | Управление рулевое: колонка рулевая | 1 |
| Трактор | ТТ-4М | Насос топливный: вал регулятора | - |
| Трактор | ТТ-4М-01 | Насос топливный: вал регулятора | - |
| Трамвайный вагон | КТМ-5М3 | Генератор Г-108 | 1 |