Подшипники гост
Интернет-магазин
8-800-250-16-58
Обратный звонок

Заказ обратного звонка




Эл. почта:
info@amost.ru
Свои заказы Корзина пуста





Получать прайс-лист на email:

Чтобы отписаться от рассылки, введите e-mail, на который вы получаете наши письма:

 

Поиск подшипников

Масса и размеры

Внутренний диаметр d, мм

От  до 

Наружный диаметр D, мм

От  до 

Ширина b, мм

Применяемость

Раздел каталога

Подшипник шариковый радиальный однорядный основного конструктивного исполнения

304 Б 1002-90

Отечественный
Импортный
Цена: 42.00 руб

Производитель



под заказ
Обозначение 304 Б 1002-90
Цена импортная 32
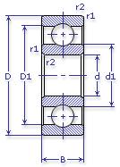
Внутренний диаметр, d (мм) 20
Наружный диаметр, D (мм) 52
Ширина, В (мм) 15
Масса, m (кг) 0.145
Грузоподъемность динамическая, C (kN) 15.9
Грузоподъемность статическая, Co (kN) 7.8
Ном. частота вращен. при пластич. смазке, n grease (1/min) 13000
Диаметр шарика, d шарика (мм) 9.525
Количество шариков, N шариков 7
Ном. частота вращен. при жидк. смазке, n oil (1/min) 16000
Диаметр борта наружного кольца, D1(mm) 41.7
Диаметр борта внутреннего кольца, d1 (mm) 30.3
Радиус фаски, r1, r2 min (мм) 1.1
304 Б 1002-90

Этот подшипник может быть заменен другими:

Подшипник 50304 — Условие отсутствует

Подшипник 60304 — При условии демонтажа одной защитной шайбы

Подшипник 160304 — При условии демонтажа одной защитной шайбы

Подшипник 150304 — При условии демонтажа одной защитной шайбы (п/ш с канавкой)

Подшипник 80304 — При условии демонтажа 2-х защитных шайб

Подшипник 180304 — При условии демонтажа 2-х защитных шайб

Подшипник 450304 — При условии демонтажа 2-х защитных шайб

Марка Модель Узел Кол-во на узел
Пункт картофелесортировальный с переборочными столами КСП-25 Бункер-накопитель 2-х секционный 3614010-12.000: мотор-барабан -
Пункт картофелесортировальный с переборочными столами КСП-25 Бункер-накопитель 3-х секционный 3614010-11.000: мотор-барабан -
Пункт картофелесортировальный с переборочными столами КСП-25 Транспортер основной ПСШ.03.000: мотор-барабан, блок шестерен -
Пункт картофелесортировальный с переборочными столами КСП-25 Транспортер переносной ПСШ.01.000: мотор-барабан, блок шестерен -
Пункт картофелесортировальный с переборочными столами КСП-25 Транспортер переносной ПСШ.18.000: мотор-барабан, блок шестерен -
БелАЗ 549(75т) Двигатель 4
БелАЗ 7509 Двигатель 4
БелАЗ 75091(75т) Двигатель 4
КрАЗ 214Б Двигатель: шкив вентилятора, опора передняя -
ЛиАЗ 5256 Двигатель: система охлаждения 1
ЛуАЗ 1302 Мост задний: вал приводной, опора средняя, валы ведущие редукторов колесных -
ЛуАЗ 969 Вал приводной 1
ЛуАЗ 969 Редуктор колесный 4
ЛуАЗ 969М Вал приводной 1
ЛуАЗ 969М Редуктор колесный 4
ЛуАЗ 969М Мост задний: вал приводной, опора средняя 1
ЛуАЗ 969М Редуктор колесный: вал ведущий, опора наружная 4
МАЗ 543 Двигатель: система охлаждения 2
МАЗ 547 Двигатель: система охлаждения 1
МАЗ 7310 Двигатель: система охлаждения 1
МАЗ 73101 Двигатель: система охлаждения 2
МАЗ 7410 Насос водяной 1
Мототехника Днепр-11 Коробка передач: вал вторичный -
Мототехника Днепр-12 Коробка передач: вал вторичный -
Мототехника Днепр-16 Коробка передач: вал вторичный -
Мототехника ИЖ-П Вал коленчатый: опора левая -
Мототехника ИЖ-П2 Вал коленчатый: опора левая -
Мототехника ИЖ-П3 Вал коленчатый: опора левая -
Мототехника ИЖ-П4 Вал коленчатый: опора левая -
Мототехника ИЖ-П5 Вал коленчатый: опора левая -
Мототехника ИЖ-ПС Вал коленчатый: опора левая -
Мототехника ИЖ-Ю Вал коленчатый: опора левая -
Мототехника ИЖ-Ю2 Вал коленчатый: опора левая -
Мототехника ИЖ-Ю3 Вал коленчатый: опора левая -
Мототехника ИЖ-Ю5 Вал коленчатый: опора левая -
Мототехника ИМЗ-8.103-10/40 Коробка передач: вал первичный -
Мототехника ИМЗ-8.107 Урал Коробка передач: вал первичный -
Мототехника ИМЗ-8.123-10 Коробка передач: вал первичный -
Мототехника М67-36 Урал Коробка передач: вал вторичный -
Мототехника МТ10-36 Днепр Коробка передач: вал вторичный -
Мототехника Муравей ТГ-200 Вал коленчатый: опора левая, наружный -
Мототехника Муравей ТМЗ-5-402/403 Вал коленчатый: опора левая, наружный -
Опрыскиватель малообъемный 3411040 Привод распылителя -
Трактор ДТ-75 Двигатель: насос водяной 1
Трактор ДТ-75МВ Двигатель: насос водяной 1
Трактор К-701 Коробка передач 1
Трактор К-701 Двигатель: устройство натяжное привода вентилятора 2
Трактор МТЗ-100 Дизель: опора задняя валика насоса водяного -
Трактор МТЗ-102 Дизель: опора задняя валика насоса водяного -
Трактор МТЗ-50 Коробка передач: вал первой передачи и заднего хода, опора передняя 1
Трактор МТЗ-50 Двигатель: привод вентилятора, опора задняя 2
Трактор МТЗ-50Л Коробка передач: вал первой передачи и заднего хода, опора передняя 1
Трактор МТЗ-50Л Двигатель: привод вентилятора, опора задняя 2
Трактор МТЗ-50ПЛ Коробка передач: вал первой передачи и заднего хода, опора передняя 2
Трактор МТЗ-52 Коробка передач: вал первой передачи и заднего хода, опора передняя 1
Трактор МТЗ-52 Двигатель: привод вентилятора, опора задняя 2
Трактор МТЗ-52Л Коробка передач: вал первой передачи и заднего хода, опора передняя 1
Трактор МТЗ-52Л Двигатель: привод вентилятора, опора задняя 2
Трактор МТЗ-80 Насос водяной 1
Трактор МТЗ-80Л Насос водяной 1
Трактор МТЗ-82 Насос водяной 1
Трактор МТЗ-82Л Насос водяной 1
Трактор Т-151К с двигателем СМД-62А/63А Двигатель: вал кулачковый насоса топливного -
Трактор Т-16 Передача главная: корпус 1
Трактор Т-25А Насос топливный: вал кулачковый -
Трактор Т-40 Управление рулевое: гидроусилитель 1
Трактор Т-40А Управление рулевое: гидроусилитель 1
Трактор Т-40АМ Управление рулевое: гидроусилитель -
Трактор Т-40АМ Система питания: насос топливораспределительный -
Трактор Т-40АНМ Управление рулевое: гидроусилитель -
Трактор Т-40АНМ Система питания: насос топливораспределительный -
Трактор Т-40М Управление рулевое: гидроусилитель -
Трактор Т-40М Система питания: насос топливораспределительный -
Трактор Т-4А Насос водяной -
Трактор Т-74 Насос водяной -
Трактор Т-75 с двигателем СМД-14Г Двигатель: насос водяной -
Трактор Т-75МВ с двигателем А-41 Двигатель: насос водяной -
Трактор ТТ-4М Насос водяной -
Трактор ТТ-4М-01 Насос водяной -
Бренд Обозначение
ГПЗ 304
SKF 6304
FAG 6304
NSK 6304
Товар добавлен в корзину
Перейти в корзину ×