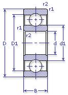
304 Р 1002-90
| Обозначение | 304 Р 1002-90 |
|---|---|
| Цена импортная | 32 |
| Внутренний диаметр, d (мм) | 20 |
| Наружный диаметр, D (мм) | 52 |
| Ширина, В (мм) | 15 |
| Масса, m (кг) | 0.145 |
| Грузоподъемность динамическая, C (kN) | 15.9 |
| Грузоподъемность статическая, Co (kN) | 7.8 |
| Ном. частота вращен. при пластич. смазке, n grease (1/min) | 13000 |
| Диаметр шарика, d шарика (мм) | 9.525 |
| Количество шариков, N шариков | 7 |
| Ном. частота вращен. при жидк. смазке, n oil (1/min) | 16000 |
| Диаметр борта наружного кольца, D1(mm) | 41.7 |
| Диаметр борта внутреннего кольца, d1 (mm) | 30.3 |
| Радиус фаски, r1, r2 min (мм) | 1.1 |
Этот подшипник может быть заменен другими:
Подшипник 50304 — Условие отсутствует
Подшипник 60304 — При условии демонтажа одной защитной шайбы
Подшипник 160304 — При условии демонтажа одной защитной шайбы
Подшипник 150304 — При условии демонтажа одной защитной шайбы (п/ш с канавкой)
Подшипник 80304 — При условии демонтажа 2-х защитных шайб
Подшипник 180304 — При условии демонтажа 2-х защитных шайб
Подшипник 450304 — При условии демонтажа 2-х защитных шайб
| Марка | Модель | Узел | Кол-во на узел |
|---|---|---|---|
| Пункт картофелесортировальный с переборочными столами | КСП-25 | Бункер-накопитель 2-х секционный 3614010-12.000: мотор-барабан | - |
| Пункт картофелесортировальный с переборочными столами | КСП-25 | Бункер-накопитель 3-х секционный 3614010-11.000: мотор-барабан | - |
| Пункт картофелесортировальный с переборочными столами | КСП-25 | Транспортер основной ПСШ.03.000: мотор-барабан, блок шестерен | - |
| Пункт картофелесортировальный с переборочными столами | КСП-25 | Транспортер переносной ПСШ.01.000: мотор-барабан, блок шестерен | - |
| Пункт картофелесортировальный с переборочными столами | КСП-25 | Транспортер переносной ПСШ.18.000: мотор-барабан, блок шестерен | - |
| БелАЗ | 549(75т) | Двигатель | 4 |
| БелАЗ | 7509 | Двигатель | 4 |
| БелАЗ | 75091(75т) | Двигатель | 4 |
| КрАЗ | 214Б | Двигатель: шкив вентилятора, опора передняя | - |
| ЛиАЗ | 5256 | Двигатель: система охлаждения | 1 |
| ЛуАЗ | 1302 | Мост задний: вал приводной, опора средняя, валы ведущие редукторов колесных | - |
| ЛуАЗ | 969 | Вал приводной | 1 |
| ЛуАЗ | 969 | Редуктор колесный | 4 |
| ЛуАЗ | 969М | Вал приводной | 1 |
| ЛуАЗ | 969М | Редуктор колесный | 4 |
| ЛуАЗ | 969М | Мост задний: вал приводной, опора средняя | 1 |
| ЛуАЗ | 969М | Редуктор колесный: вал ведущий, опора наружная | 4 |
| МАЗ | 543 | Двигатель: система охлаждения | 2 |
| МАЗ | 547 | Двигатель: система охлаждения | 1 |
| МАЗ | 7310 | Двигатель: система охлаждения | 1 |
| МАЗ | 73101 | Двигатель: система охлаждения | 2 |
| МАЗ | 7410 | Насос водяной | 1 |
| Мототехника | Днепр-11 | Коробка передач: вал вторичный | - |
| Мототехника | Днепр-12 | Коробка передач: вал вторичный | - |
| Мототехника | Днепр-16 | Коробка передач: вал вторичный | - |
| Мототехника | ИЖ-П | Вал коленчатый: опора левая | - |
| Мототехника | ИЖ-П2 | Вал коленчатый: опора левая | - |
| Мототехника | ИЖ-П3 | Вал коленчатый: опора левая | - |
| Мототехника | ИЖ-П4 | Вал коленчатый: опора левая | - |
| Мототехника | ИЖ-П5 | Вал коленчатый: опора левая | - |
| Мототехника | ИЖ-ПС | Вал коленчатый: опора левая | - |
| Мототехника | ИЖ-Ю | Вал коленчатый: опора левая | - |
| Мототехника | ИЖ-Ю2 | Вал коленчатый: опора левая | - |
| Мототехника | ИЖ-Ю3 | Вал коленчатый: опора левая | - |
| Мототехника | ИЖ-Ю5 | Вал коленчатый: опора левая | - |
| Мототехника | ИМЗ-8.103-10/40 | Коробка передач: вал первичный | - |
| Мототехника | ИМЗ-8.107 Урал | Коробка передач: вал первичный | - |
| Мототехника | ИМЗ-8.123-10 | Коробка передач: вал первичный | - |
| Мототехника | М67-36 Урал | Коробка передач: вал вторичный | - |
| Мототехника | МТ10-36 Днепр | Коробка передач: вал вторичный | - |
| Мототехника | Муравей ТГ-200 | Вал коленчатый: опора левая, наружный | - |
| Мототехника | Муравей ТМЗ-5-402/403 | Вал коленчатый: опора левая, наружный | - |
| Опрыскиватель малообъемный | 3411040 | Привод распылителя | - |
| Трактор | ДТ-75 | Двигатель: насос водяной | 1 |
| Трактор | ДТ-75МВ | Двигатель: насос водяной | 1 |
| Трактор | К-701 | Коробка передач | 1 |
| Трактор | К-701 | Двигатель: устройство натяжное привода вентилятора | 2 |
| Трактор | МТЗ-100 | Дизель: опора задняя валика насоса водяного | - |
| Трактор | МТЗ-102 | Дизель: опора задняя валика насоса водяного | - |
| Трактор | МТЗ-50 | Коробка передач: вал первой передачи и заднего хода, опора передняя | 1 |
| Трактор | МТЗ-50 | Двигатель: привод вентилятора, опора задняя | 2 |
| Трактор | МТЗ-50Л | Коробка передач: вал первой передачи и заднего хода, опора передняя | 1 |
| Трактор | МТЗ-50Л | Двигатель: привод вентилятора, опора задняя | 2 |
| Трактор | МТЗ-50ПЛ | Коробка передач: вал первой передачи и заднего хода, опора передняя | 2 |
| Трактор | МТЗ-52 | Коробка передач: вал первой передачи и заднего хода, опора передняя | 1 |
| Трактор | МТЗ-52 | Двигатель: привод вентилятора, опора задняя | 2 |
| Трактор | МТЗ-52Л | Коробка передач: вал первой передачи и заднего хода, опора передняя | 1 |
| Трактор | МТЗ-52Л | Двигатель: привод вентилятора, опора задняя | 2 |
| Трактор | МТЗ-80 | Насос водяной | 1 |
| Трактор | МТЗ-80Л | Насос водяной | 1 |
| Трактор | МТЗ-82 | Насос водяной | 1 |
| Трактор | МТЗ-82Л | Насос водяной | 1 |
| Трактор | Т-151К с двигателем СМД-62А/63А | Двигатель: вал кулачковый насоса топливного | - |
| Трактор | Т-16 | Передача главная: корпус | 1 |
| Трактор | Т-25А | Насос топливный: вал кулачковый | - |
| Трактор | Т-40 | Управление рулевое: гидроусилитель | 1 |
| Трактор | Т-40А | Управление рулевое: гидроусилитель | 1 |
| Трактор | Т-40АМ | Управление рулевое: гидроусилитель | - |
| Трактор | Т-40АМ | Система питания: насос топливораспределительный | - |
| Трактор | Т-40АНМ | Управление рулевое: гидроусилитель | - |
| Трактор | Т-40АНМ | Система питания: насос топливораспределительный | - |
| Трактор | Т-40М | Управление рулевое: гидроусилитель | - |
| Трактор | Т-40М | Система питания: насос топливораспределительный | - |
| Трактор | Т-4А | Насос водяной | - |
| Трактор | Т-74 | Насос водяной | - |
| Трактор | Т-75 с двигателем СМД-14Г | Двигатель: насос водяной | - |
| Трактор | Т-75МВ с двигателем А-41 | Двигатель: насос водяной | - |
| Трактор | ТТ-4М | Насос водяной | - |
| Трактор | ТТ-4М-01 | Насос водяной | - |