Подшипники гост
Интернет-магазин
8-800-250-16-58
Обратный звонок

Заказ обратного звонка




Эл. почта:
info@amost.ru
Свои заказы Корзина пуста





Получать прайс-лист на email:

Чтобы отписаться от рассылки, введите e-mail, на который вы получаете наши письма:

 

Поиск подшипников

Масса и размеры

Внутренний диаметр d, мм

От  до 

Наружный диаметр D, мм

От  до 

Ширина b, мм

Применяемость

Раздел каталога

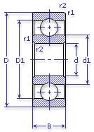
Подшипник шариковый радиальный однорядный основного конструктивного исполнения

120 АШ ГОСТ 520

Отечественный
Импортный

Производитель



уточнять наличие
Обозначение 120 АШ ГОСТ 520
Внутренний диаметр, d (мм) 100
Наружный диаметр, D (мм) 150
Ширина, В (мм) 24
Масса, m (кг) 1.27
Грузоподъемность динамическая, C (kN) 60.5
Грузоподъемность статическая, Co (kN) 41.5
Ном. частота вращен. при пластич. смазке, n grease (1/min) 4300
Марка стали, Материал ШХ-15
Диаметр шарика, d шарика (мм) 14.288
Количество шариков, N шариков 15
Ном. частота вращен. при жидк. смазке, n oil (1/min) 5000
120 АШ ГОСТ 520

Этот подшипник может быть заменен другими:

Подшипник 50120 — Условие отсутствует

Подшипник 60120 — При условии демонтажа одной защитной шайбы

Подшипник 80120 — При условии демонтажа 2-х защитных шайб

Подшипник 180120 — При условии демонтажа 2-х защитных шайб

Марка Модель Узел Кол-во на узел
КЗКТ Э538ДК Гидротрансформатор 3
КЗКТ Э538ДП Гидротрансформатор 3
МАЗ 537 Коробка передач планетарная 4
МАЗ 537Г Коробка передач планетарная 4
МАЗ 538 Коробка передач планетарная 4
МАЗ 543 Коробка передач планетарная 3
МАЗ 547 Коробка передач планетарная 3
МАЗ 7310 Коробка передач планетарная 3
МАЗ 73101 Коробка передач планетарная 3
МАЗ 7410 Коробка передач планетарная 3
Трактор К-701 Коробка передач 2
Трактор ЛХТ-55 Лебедка: ось барабана -
Трактор Т-25.01Я Коробка передач планетарная 1
Трактор Т-35.01 ЯБЛ Коробка передач планетарная 1
Трактор Т-35.01Я Коробка передач планетарная 1
Трактор ТДТ-55 Лебедка: ось барабана -
Трактор ТМ-25.01Я Коробка передач планетарная 1
Бренд Обозначение
ГПЗ 120
SKF 6020
FAG 6020
NSK 6020
Товар добавлен в корзину
Перейти в корзину ×