Подшипники гост
Интернет-магазин
8-800-250-16-58
Обратный звонок

Заказ обратного звонка




Эл. почта:
info@amost.ru
Свои заказы Корзина пуста





Получать прайс-лист на email:

Чтобы отписаться от рассылки, введите e-mail, на который вы получаете наши письма:

 

Поиск подшипников

Масса и размеры

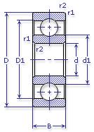
Внутренний диаметр d, мм

От  до 

Наружный диаметр D, мм

От  до 

Ширина b, мм

Применяемость

Раздел каталога

Подшипник шариковый радиальный однорядный основного конструктивного исполнения

305 ЕТУ ВНИПП.500

Отечественный
Импортный
Цена: 45.00 руб

Производитель



под заказ
Обозначение 305 ЕТУ ВНИПП.500
Цена импортная 40
Внутренний диаметр, d (мм) 25
Наружный диаметр, D (мм) 62
Ширина, В (мм) 17
Масса, m (кг) 0.23
Грузоподъемность динамическая, C (kN) 22.5
Грузоподъемность статическая, Co (kN) 11.4
Ном. частота вращен. при пластич. смазке, n grease (1/min) 11000
Диаметр шарика, d шарика (мм) 11.509
Количество шариков, N шариков 7
Ном. частота вращен. при жидк. смазке, n oil (1/min) 14000
Диаметр борта наружного кольца, D1(mm) 50.4
Диаметр борта внутреннего кольца, d1 (mm) 36.6
Радиус фаски, r1, r2 min (мм) 1.1
305 ЕТУ ВНИПП.500

Этот подшипник может быть заменен другими:

Подшипник 50305 — Условие отсутствует

Подшипник 60305 — При условии демонтажа одной защитной шайбы

Подшипник 160305 — При условии демонтажа одной защитной шайбы

Подшипник 150305 — При условии демонтажа одной защитной шайбы (п/ш с канавкой)

Подшипник 80305 — При условии демонтажа 2-х защитных шайб

Подшипник 180305 — При условии демонтажа 2-х защитных шайб

Подшипник 450305 — При условии демонтажа 2-х защитных шайб

Подшипник 750305 — При условии демонтажа 2-х защитных шайб

Марка Модель Узел Кол-во на узел
Автопогрузчик 4022 Сцепление 1
БелАЗ 540А(27т) Генератор 1
БелАЗ 540А(27т) Генератор: привод 1
БелАЗ 540А(27т) Насос топливный: шестерня 1
БелАЗ 540А(27т) Насос водяной 1
БелАЗ 548(40т) Генератор 1
БелАЗ 548(40т) Генератор: привод 1
БелАЗ 548(40т) Насос топливный: шестерня 1
БелАЗ 548(40т) Насос водяной 1
БелАЗ 549(75т) Генератор 1
БелАЗ 7420-9590 Генератор 1
БелАЗ 7509 Генератор 1
БелАЗ 75091(75т) Генератор 1
БелАЗ 7519 Генератор 1
БелАЗ 75191(110т) Генератор 1
БелАЗ 75211(180т) Генератор 1
БелАЗ 75211(180т) Генератор-дизель 1
БелАЗ 7522(30т) Генератор 1
БелАЗ 7522(30т) Генератор: привод 1
БелАЗ 7522(30т) Насос топливный: шестерня 1
БелАЗ 7522(30т) Насос водяной 1
БелАЗ 7523(40т) Генератор 1
БелАЗ 7523(40т) Генератор: привод 1
БелАЗ 7523(40т) Насос топливный: шестерня 1
БелАЗ 7523(40т) Насос водяной 1
БелАЗ 7548(42т) Генератор 1
БелАЗ 7548(42т) Генератор: привод 1
БелАЗ 7548(42т) Двигатель: система питания 1
БелАЗ 7548(42т) Муфта опережения впрыска 1
Подшипники ГАЗ 2121 Niva Мост задний: вал привода 1
Подшипники ГАЗ 2121 Niva Мост передний: вал привода 1
ЕрАЗ 3730 Коробка передач 1
ЕрАЗ 37301 Коробка передач 1
ЕрАЗ 37302 Коробка передач 1
ЕрАЗ 37304 Коробка передач 1
ЕрАЗ 37305 Коробка передач 1
Загрузчик автомобильный универсальный ЗАУ-3 Коробка отбора мощности -
Загрузчик автомобильный универсальный УЗСА-40 Коробка отбора мощности -
ЗАЗ 1102 Таврия Коробка передач: вал вторичный 1
ЗАЗ 110206 Коробка передач: шестерня ведущая главной передачи, опора задняя -
ЗАЗ 1103 Коробка передач: шестерня ведущая главной передачи, опора задняя -
ЗАЗ 1105 Коробка передач: шестерня ведущая главной передачи, опора задняя -
ЗАЗ 966 Передача главная 2
ЗАЗ 968А Передача главная 2
ЗАЗ 968Б Передача главная 2
ЗАЗ 968М Передача главная и дифференциал 2
ЗИЛ 133ВЯ Двигатель 1
ЗИЛ 133ВЯ Двигатель: система охлаждения 1
ЗИЛ 133Г1 Двигатель 1
ЗИЛ 133Г1 Управление рулевое 1
ЗИЛ 133ГЯ Двигатель 1
ЗИЛ 133ГЯ Двигатель: система охлаждения 1
ЗИУ 9 Генератор Г-263А 1
ЗИУ 9В(682В) Генератор 1
КАЗ 4540 Двигатель 4
КАЗ 4540 Двигатель 4
КАЗ 4540 Двигатель: система охлаждения 1
КАЗ 4540 Двигатель: система охлаждения 1
КАЗ 4540 Двигатель: система питания 2
КАЗ 4540 Двигатель: система питания 2
КамАЗ 4310 Двигатель 1
КамАЗ 4310 Двигатель 1
КамАЗ 4310 Двигатель: система охлаждения 1
КамАЗ 4310 Двигатель: система охлаждения 1
КамАЗ 4310 Управление рулевое 1
КамАЗ 4310 Управление рулевое 1
КамАЗ 43105 Двигатель 1
КамАЗ 43105 Двигатель 1
КамАЗ 43105 Двигатель: система охлаждения 1
КамАЗ 43105 Двигатель: система охлаждения 1
КамАЗ 43105 Управление рулевое 1
КамАЗ 43105 Управление рулевое 1
КамАЗ 5320 Двигатель 1
КамАЗ 5320 Двигатель: система охлаждения 1
КамАЗ 5320 Управление рулевое 1
КамАЗ 5320 Двигатель: вал ведомый гидромуфты вентилятора, опора передняя 1
КамАЗ 5320 Двигатель: вал колеса зубчатого привода насоса топливного, опора задняя 1
КамАЗ 5320 Управление рулевое: валик насоса гидроусилителя, опора задняя 1
КамАЗ 53211 Двигатель: вал ведомый гидромуфты вентилятора, опора передняя 1
КамАЗ 53211 Двигатель: вал колеса зубчатого привода насоса топливного, опора задняя 1
КамАЗ 53211 Управление рулевое: валик насоса гидроусилителя, опора задняя 1
КамАЗ 53212 Двигатель 1
КамАЗ 53212 Двигатель: система охлаждения 1
КамАЗ 53212 Коробка отбора мощности 2
КамАЗ 53212 Управление рулевое 1
КамАЗ 53212 Двигатель: вал ведомый гидромуфты вентилятора, опора передняя 1
КамАЗ 53212 Двигатель: вал колеса зубчатого привода насоса топливного, опора задняя 1
КамАЗ 53212 Управление рулевое: валик насоса гидроусилителя, опора задняя 1
КамАЗ 53213 Двигатель 1
КамАЗ 53213 Двигатель: система охлаждения 1
КамАЗ 53213 Коробка отбора мощности 2
КамАЗ 53213 Управление рулевое 1
КамАЗ 53213 Двигатель: вал ведомый гидромуфты вентилятора, опора передняя 1
КамАЗ 53213 Двигатель: вал колеса зубчатого привода насоса топливного, опора задняя 1
КамАЗ 53213 Управление рулевое: валик насоса гидроусилителя, опора задняя 1
КамАЗ 53222 Двигатель 1
КамАЗ 53222 Двигатель: система охлаждения 1
КамАЗ 53222 Коробка отбора мощности 2
КамАЗ 53222 Управление рулевое 1
КамАЗ 5325 Двигатель 1
КамАЗ 5325 Двигатель: система охлаждения 1
КамАЗ 5325 Управление рулевое 1
КамАЗ 5410 Двигатель 1
КамАЗ 5410 Двигатель: система охлаждения 1
КамАЗ 5410 Управление рулевое 1
КамАЗ 5410 Двигатель: вал ведомый гидромуфты вентилятора, опора передняя 1
КамАЗ 5410 Двигатель: вал колеса зубчатого привода насоса топливного, опора задняя 1
КамАЗ 5410 Управление рулевое: валик насоса гидроусилителя, опора задняя 1
КамАЗ 54112 Двигатель 1
КамАЗ 54112 Двигатель: система охлаждения 1
КамАЗ 54112 Коробка отбора мощности 2
КамАЗ 54112 Управление рулевое 1
КамАЗ 54112 Двигатель: вал ведомый гидромуфты вентилятора, опора передняя 1
КамАЗ 54112 Двигатель: вал колеса зубчатого привода насоса топливного, опора задняя 1
КамАЗ 54112 Управление рулевое: валик насоса гидроусилителя, опора задняя 1
КамАЗ 54122 Двигатель 1
КамАЗ 54122 Двигатель: система охлаждения 1
КамАЗ 54122 Коробка отбора мощности 2
КамАЗ 54122 Управление рулевое 1
КамАЗ 5425 Двигатель 1
КамАЗ 5425 Двигатель: система охлаждения 1
КамАЗ 5425 Управление рулевое 1
КамАЗ 55102 Двигатель 1
КамАЗ 55102 Двигатель: система охлаждения 1
КамАЗ 55102 Управление рулевое 1
КамАЗ 55102 Двигатель: вал ведомый гидромуфты вентилятора, опора передняя 1
КамАЗ 55102 Двигатель: вал колеса зубчатого привода насоса топливного, опора задняя 1
КамАЗ 55102 Управление рулевое: валик насоса гидроусилителя, опора задняя 1
КамАЗ 5511 Двигатель 1
КамАЗ 5511 Двигатель: система охлаждения 1
КамАЗ 5511 Коробка отбора мощности 2
КамАЗ 5511 Управление рулевое 1
КамАЗ 55111 Двигатель: вал ведомый гидромуфты вентилятора, опора передняя 1
КамАЗ 55111 Двигатель: вал колеса зубчатого привода насоса топливного, опора задняя 1
КамАЗ 55111 Управление рулевое: валик насоса гидроусилителя, опора задняя 1
КамАЗ 6410 Двигатель 1
КамАЗ 6410 Двигатель: система охлаждения 1
КамАЗ 6410 Управление рулевое 1
КЗКТ Э538ДК Двигатель 3
КЗКТ Э538ДП Двигатель 3
КрАЗ 250 Двигатель 1
КрАЗ 250 Двигатель 1
КрАЗ 255 Двигатель 1
КрАЗ 255 Двигатель 1
КрАЗ 255 Двигатель: система охлаждения 1
КрАЗ 255 Двигатель: система охлаждения 1
КрАЗ 255Б1 Двигатель 1
КрАЗ 255Б1 Двигатель 1
КрАЗ 255Б1 Двигатель: система охлаждения 1
КрАЗ 255Б1 Двигатель: система охлаждения 1
КрАЗ 255Б1А Двигатель 1
КрАЗ 255Б1А Двигатель 1
КрАЗ 255Б1А Двигатель: система охлаждения 1
КрАЗ 255Б1А Двигатель: система охлаждения 1
КрАЗ 255В1 Двигатель 1
КрАЗ 255В1 Двигатель 1
КрАЗ 255В1 Двигатель: система охлаждения 1
КрАЗ 255В1 Двигатель: система охлаждения 1
КрАЗ 255Л1 Двигатель 1
КрАЗ 255Л1 Двигатель 1
КрАЗ 255Л1 Двигатель: система охлаждения 1
КрАЗ 255Л1 Двигатель: система охлаждения 1
КрАЗ 256Б1 Двигатель 1
КрАЗ 256Б1 Двигатель 1
КрАЗ 256Б1 Двигатель: система охлаждения 1
КрАЗ 257Б1 Двигатель 1
КрАЗ 257Б1 Двигатель -
КрАЗ 257Б1 Двигатель: система охлаждения 1
КрАЗ 257Б1А Двигатель 1
КрАЗ 257Б1А Двигатель -
КрАЗ 257Б1А Двигатель: система охлаждения 1
КрАЗ 258Б1 Двигатель 1
КрАЗ 258Б1 Двигатель -
КрАЗ 258Б1 Двигатель: система охлаждения 1
КрАЗ 260 Двигатель 1
КрАЗ 260 Двигатель 1
КрАЗ 260А Двигатель 1
КрАЗ 260А Двигатель 1
КрАЗ 260В Двигатель 1
КрАЗ 260В Двигатель 1
КрАЗ 260Г Двигатель 1
КрАЗ 260Г Двигатель 1
КрАЗ 260Д Двигатель 1
КрАЗ 260Д Двигатель 1
КрАЗ 260С Двигатель 1
КрАЗ 260С Двигатель 1
ЛиАЗ 5256 Двигатель 1
ЛиАЗ 5256 Двигатель 1
ЛиАЗ 5256 Двигатель: система питания 1
ЛиАЗ 5256 Двигатель: система питания 1
ЛиАЗ 5256 Управление рулевое 1
ЛиАЗ 5256 Управление рулевое 1
ЛуАЗ 1302 Передача главная: редуктор колесный -
ЛуАЗ 969 Передача главная 1
ЛуАЗ 969 Редуктор колесный 4
ЛуАЗ 969М Передача главная 1
ЛуАЗ 969М Редуктор колесный 4
ЛуАЗ 969М Передача главная: редуктор колесный 5
МАЗ 504В Двигатель 1
МАЗ 509А Двигатель 1
МАЗ 5322 Двигатель 1
МАЗ 5334 Двигатель 1
МАЗ 5335 Двигатель 1
МАЗ 5336 Двигатель 1
МАЗ 5338 Двигатель 1
МАЗ 537 Двигатель 3
МАЗ 537Г Двигатель 3
МАЗ 538 Двигатель 3
МАЗ 5429 Двигатель 1
МАЗ 543 Двигатель 5
МАЗ 5430 Двигатель 1
МАЗ 54321 Двигатель 1
МАЗ 54325 Двигатель -
МАЗ 5433 Двигатель 1
МАЗ 5434 Двигатель 1
МАЗ 5437 Двигатель -
МАЗ 547 Двигатель 5
МАЗ 5549 Двигатель 1
МАЗ 5551 Двигатель 1
МАЗ 55512 Двигатель 1
МАЗ 55515 Двигатель -
МАЗ 5552 Двигатель -
МАЗ 5558 Двигатель 1
МАЗ 5561 Двигатель -
МАЗ 6303 Двигатель 1
МАЗ 6422 Двигатель 1
МАЗ 64221 Двигатель 1
МАЗ 64224 Двигатель 1
МАЗ 64227 Двигатель 1
МАЗ 64229 Двигатель 1
МАЗ 64233 Двигатель -
МАЗ 642554 Двигатель 1
МАЗ 7310 Двигатель 5
МАЗ 73101 Двигатель 5
МАЗ 7410 Двигатель 5
МАЗ 7410 Коробка раздаточная 2
МоАЗ 546П-Д357П Двигатель 1
МоАЗ 6401-9585 Двигатель 1
МоАЗ 6507 Двигатель 1
МоАЗ 7405-9586 Двигатель 1
Москвич 2136 Коробка передач: вал вторичный, опора средняя 1
Москвич 2138 Коробка передач: вал вторичный 1
Москвич 2138 Коробка передач: вал вторичный, опора средняя 1
Москвич 2733 Коробка передач: вал вторичный, опора средняя 1
Мототехника Ява-250 Двигатель: картер, половина левая -
Мототехника Ява-250 Двигатель: картер, половина правая -
Мототехника Ява-350 Двигатель: картер, половина левая -
Мототехника Ява-350 Двигатель: картер, половина правая -
Свеклопогрузчик навесной тракторный СНТ-2.1А Транспортер поперечный: вал промежуточный -
Свеклопогрузчик навесной тракторный СНТ-2.1А Элеватор: вал верхний -
Станкостроение Не указано Не указано -
Станкостроение Не указано Не указано -
Трактор ДТ-20 Вал скорости дополнительной 1
Трактор ДТ-20 Насос топливный: регулятор 1
Трактор ДТ-75 Двигатель: насос водяной 2
Трактор ДТ-75 Двигатель: регулятор двигателя пускового 2
Трактор ДТ-75МВ Двигатель: насос водяной 2
Трактор К-701 Двигатель: насос водяной 1
Трактор К-701 Двигатель: вал привода насоса топливного 1
Трактор МТЗ-100 Гидроходоуменьшитель: опора вала насоса НШ 10-Л-3 -
Трактор МТЗ-100 Гидроходоуменьшитель: опора передняя вала водила -
Трактор МТЗ-100 Корпус МС: опора передняя вала шестерен привода насосов НМШ-25 и ГСОМ -
Трактор МТЗ-102 Гидроходоуменьшитель: опора вала насоса НШ 10-Л-3 -
Трактор МТЗ-102 Гидроходоуменьшитель: опора передняя вала водила -
Трактор МТЗ-102 Корпус МС: опора передняя вала шестерен привода насосов НМШ-25 и ГСОМ -
Трактор МТЗ-50Л Двигатель пусковой ПД-10У: редуктор 1
Трактор МТЗ-52 Коробка раздаточная 1
Трактор МТЗ-52Л Коробка раздаточная 1
Трактор МТЗ-52Л Двигатель пусковой ПД-10У: редуктор 1
Трактор МТЗ-80 Муфта сцепления: привод насоса НШ 32-3 2
Трактор МТЗ-80Л Двигатель пусковой: редуктор 1
Трактор МТЗ-80Л Муфта сцепления: привод насоса НШ 32-3 2
Трактор МТЗ-82 Коробка раздаточная 1
Трактор МТЗ-82 Муфта сцепления: привод насоса НШ 32-3 2
Трактор МТЗ-82Л Коробка раздаточная 1
Трактор МТЗ-82Л Двигатель пусковой: редуктор 1
Трактор МТЗ-82Л Муфта сцепления: привод насоса НШ 32-3 2
Трактор Т 330 Гидротрансформатор 4
Трактор Т 330Г Гидротрансформатор 4
Трактор Т-012 Коробка передач: вал вторичный -
Трактор Т-012 Пара коническая: вал ведомый -
Трактор Т-150 Двигатель: вал редуктора двигателя пускового 1
Трактор Т-150 Двигатель: насос водяной 2
Трактор Т-150 Двигатель: привод в сборе 2
Трактор Т-150К Вал отбора мощности: вал привода 1
Трактор Т-150К Двигатель: вал редуктора двигателя пускового 1
Трактор Т-150К Двигатель: насос водяной 2
Трактор Т-150К Двигатель: привод в сборе 2
Трактор Т-150К Управление рулевое: вал привода насоса 2
Трактор Т-150К Насос навески: вал привода 2
Трактор Т-151К с двигателем СМД-62/63 Вал отбора мощности: вал привода -
Трактор Т-151К с двигателем СМД-62/63 Двигатель: насос водяной -
Трактор Т-151К с двигателем СМД-62/63 Двигатель: привод в сборе -
Трактор Т-151К с двигателем СМД-62/63 Управление рулевое: вал привода насоса -
Трактор Т-151К с двигателем СМД-62/63 Двигатель, пусковой двигатель: вал редуктора -
Трактор Т-151К с двигателем СМД-62/63 Навеска: вал привода насоса -
Трактор Т-151К с двигателем СМД-62А/63А Насос водяной -
Трактор Т-151К с двигателем СМД-62А/63А Вал отбора мощности: вал привода -
Трактор Т-151К с двигателем СМД-62А/63А Управление рулевое: вал привода насоса -
Трактор Т-151К с двигателем СМД-62А/63А Навеска: вал привода насоса -
Трактор Т-16 Ось шестерни хода заднего 2
Трактор Т-25 Передача главная 1
Трактор Т-25 Управление рулевое 1
Трактор Т-25А Передача главная -
Трактор Т-25А Управление рулевое -
Трактор Т-40 Вал отбора мощности: привод боковой 1
Трактор Т-40 Вал отбора мощности задний 1
Трактор Т-40 Коробка передач: вал передачи замедленной 2
Трактор Т-40 Коробка передач: шестерня промежуточная 2
Трактор Т-40 Двигатель пусковой: вал редуктора 1
Трактор Т-40А Вал отбора мощности: привод боковой 1
Трактор Т-40А Вал отбора мощности задний 1
Трактор Т-40А Коробка передач: вал передачи замедленной 1
Трактор Т-40А Коробка передач: шестерня промежуточная 2
Трактор Т-40А Двигатель пусковой: вал редуктора 1
Трактор Т-40АМ Коробка раздаточная -
Трактор Т-40АМ Вал отбора мощности боковой -
Трактор Т-40АМ Двигатель пусковой: редуктор -
Трактор Т-40АМ Коробка передач с дифференциалом -
Трактор Т-40АНМ Коробка раздаточная -
Трактор Т-40АНМ Вал отбора мощности боковой -
Трактор Т-40АНМ Коробка передач с дифференциалом -
Трактор Т-40М Вал отбора мощности боковой -
Трактор Т-40М Двигатель пусковой: редуктор -
Трактор Т-40М Коробка передач с дифференциалом -
Трактор Т-4А Двигатель: насос водяной -
Трактор Т-74 Насос водяной -
Трактор Т-74 Двигатель пусковой -
Трактор Т-75 Двигатель: привод вентилятора, опора передняя 1
Трактор Т-75 Двигатель: привод вентилятора, опора задняя 1
Трактор Т-75 с двигателем СМД-14Г Двигатель: насос водяной -
Трактор Т-75 с двигателем СМД-14Г Двигатель: регулятор двигателя пускового -
Трактор Т-75МВ с двигателем А-41 Двигатель: насос водяной -
Трактор Т13010 Коробка передач: шестерня ведущая главной передачи, опора задняя -
Трактор Т13110 Коробка передач: шестерня ведущая главной передачи, опора задняя -
Трактор Т13110-70 Коробка передач: шестерня ведущая главной передачи, опора задняя -
Трактор ТТ-4М Насос водяной -
Трактор ТТ-4М Двигатель пусковой: редуктор -
Трактор ТТ-4М-01 Насос водяной -
Трактор ТТ-4М-01 Двигатель пусковой: редуктор -
Трактор ХТЗ-120 Двигатель: насос водяной -
Трактор ХТЗ-120 Управление рулевое: вал привода насоса -
Трактор ХТЗ-120 Коробка раздаточная: вал -
Трактор ХТЗ-120 Коробка раздаточная: вал привода ВОМ -
Трактор ХТЗ-121 Двигатель: насос водяной -
Трактор ХТЗ-121 Управление рулевое: вал привода насоса -
Трактор ХТЗ-121 Коробка раздаточная: вал -
Трактор ХТЗ-121 Коробка раздаточная: вал привода ВОМ -
Трактор ХТЗ-16131 (кроме двигателя) Коробка раздаточная: вал привода ВОМ -
Трактор ХТЗ-16131 (кроме двигателя) Коробка раздаточная: вал привода насоса рулевого управления и навески -
Трактор ХТЗ-16131 (кроме двигателя) Коробка раздаточная: вал привода насосов гидросистемы навесного устройства -
УАЗ 2206 Коробка передач 1
УАЗ 2206 Коробка передач: вал промежуточный 1
УАЗ 3151 Коробка передач 1
УАЗ 31512 Коробка передач: вал промежуточный 1
УАЗ 31514 Коробка передач: вал промежуточный 1
УАЗ 3153 Коробка передач: вал промежуточный 1
УАЗ 3303 Коробка передач 1
УАЗ 3303 Коробка передач: вал промежуточный 1
УАЗ 33036 Коробка передач: вал промежуточный 1
УАЗ 3741 Коробка передач 1
УАЗ 3741 Коробка передач: вал промежуточный 1
УАЗ 3909 Коробка передач: вал промежуточный 1
УАЗ 3962 Коробка передач 1
УАЗ 3962 Коробка передач: вал промежуточный 1
УАЗ 451ДМ Коробка передач 1
УАЗ 451М Коробка передач 1
УАЗ 452 фургон Коробка передач 1
УАЗ 452А Коробка передач 1
УАЗ 452В Коробка передач 1
УАЗ 452Д Коробка передач 1
УАЗ 469 Коробка передач 1
УАЗ 469Б Коробка передач 1
УАЗ 469БГ Коробка передач 1
УАЗ 469М Коробка передач 1
УРАЛ 4320 Двигатель 2
УРАЛ 5557 Двигатель 2
УРАЛ 5920 Двигатель 2
Бренд Обозначение
ГПЗ 305
SKF 6305
FAG 6305
NSK 6305
Товар добавлен в корзину
Перейти в корзину ×