305 АК ТУ 002
| Обозначение | 305 АК ТУ 002 |
|---|---|
| Цена импортная | 40 |
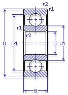
| Внутренний диаметр, d (мм) | 25 |
| Наружный диаметр, D (мм) | 62 |
| Ширина, В (мм) | 17 |
| Масса, m (кг) | 0.23 |
| Грузоподъемность динамическая, C (kN) | 22.5 |
| Грузоподъемность статическая, Co (kN) | 11.4 |
| Ном. частота вращен. при пластич. смазке, n grease (1/min) | 11000 |
| Диаметр шарика, d шарика (мм) | 11.509 |
| Количество шариков, N шариков | 7 |
| Ном. частота вращен. при жидк. смазке, n oil (1/min) | 14000 |
| Диаметр борта наружного кольца, D1(mm) | 50.4 |
| Диаметр борта внутреннего кольца, d1 (mm) | 36.6 |
| Радиус фаски, r1, r2 min (мм) | 1.1 |
Этот подшипник может быть заменен другими:
Подшипник 50305 — Условие отсутствует
Подшипник 60305 — При условии демонтажа одной защитной шайбы
Подшипник 160305 — При условии демонтажа одной защитной шайбы
Подшипник 150305 — При условии демонтажа одной защитной шайбы (п/ш с канавкой)
Подшипник 80305 — При условии демонтажа 2-х защитных шайб
Подшипник 180305 — При условии демонтажа 2-х защитных шайб
Подшипник 450305 — При условии демонтажа 2-х защитных шайб
Подшипник 750305 — При условии демонтажа 2-х защитных шайб
| Марка | Модель | Узел | Кол-во на узел |
|---|---|---|---|
| Автопогрузчик | 4022 | Сцепление | 1 |
| БелАЗ | 540А(27т) | Генератор | 1 |
| БелАЗ | 540А(27т) | Генератор: привод | 1 |
| БелАЗ | 540А(27т) | Насос топливный: шестерня | 1 |
| БелАЗ | 540А(27т) | Насос водяной | 1 |
| БелАЗ | 548(40т) | Генератор | 1 |
| БелАЗ | 548(40т) | Генератор: привод | 1 |
| БелАЗ | 548(40т) | Насос топливный: шестерня | 1 |
| БелАЗ | 548(40т) | Насос водяной | 1 |
| БелАЗ | 549(75т) | Генератор | 1 |
| БелАЗ | 7420-9590 | Генератор | 1 |
| БелАЗ | 7509 | Генератор | 1 |
| БелАЗ | 75091(75т) | Генератор | 1 |
| БелАЗ | 7519 | Генератор | 1 |
| БелАЗ | 75191(110т) | Генератор | 1 |
| БелАЗ | 75211(180т) | Генератор | 1 |
| БелАЗ | 75211(180т) | Генератор-дизель | 1 |
| БелАЗ | 7522(30т) | Генератор | 1 |
| БелАЗ | 7522(30т) | Генератор: привод | 1 |
| БелАЗ | 7522(30т) | Насос топливный: шестерня | 1 |
| БелАЗ | 7522(30т) | Насос водяной | 1 |
| БелАЗ | 7523(40т) | Генератор | 1 |
| БелАЗ | 7523(40т) | Генератор: привод | 1 |
| БелАЗ | 7523(40т) | Насос топливный: шестерня | 1 |
| БелАЗ | 7523(40т) | Насос водяной | 1 |
| БелАЗ | 7548(42т) | Генератор | 1 |
| БелАЗ | 7548(42т) | Генератор: привод | 1 |
| БелАЗ | 7548(42т) | Двигатель: система питания | 1 |
| БелАЗ | 7548(42т) | Муфта опережения впрыска | 1 |
| Подшипники ГАЗ | 2121 Niva | Мост задний: вал привода | 1 |
| Подшипники ГАЗ | 2121 Niva | Мост передний: вал привода | 1 |
| ЕрАЗ | 3730 | Коробка передач | 1 |
| ЕрАЗ | 37301 | Коробка передач | 1 |
| ЕрАЗ | 37302 | Коробка передач | 1 |
| ЕрАЗ | 37304 | Коробка передач | 1 |
| ЕрАЗ | 37305 | Коробка передач | 1 |
| Загрузчик автомобильный универсальный | ЗАУ-3 | Коробка отбора мощности | - |
| Загрузчик автомобильный универсальный | УЗСА-40 | Коробка отбора мощности | - |
| ЗАЗ | 1102 Таврия | Коробка передач: вал вторичный | 1 |
| ЗАЗ | 110206 | Коробка передач: шестерня ведущая главной передачи, опора задняя | - |
| ЗАЗ | 1103 | Коробка передач: шестерня ведущая главной передачи, опора задняя | - |
| ЗАЗ | 1105 | Коробка передач: шестерня ведущая главной передачи, опора задняя | - |
| ЗАЗ | 966 | Передача главная | 2 |
| ЗАЗ | 968А | Передача главная | 2 |
| ЗАЗ | 968Б | Передача главная | 2 |
| ЗАЗ | 968М | Передача главная и дифференциал | 2 |
| ЗИЛ | 133ВЯ | Двигатель | 1 |
| ЗИЛ | 133ВЯ | Двигатель: система охлаждения | 1 |
| ЗИЛ | 133Г1 | Двигатель | 1 |
| ЗИЛ | 133Г1 | Управление рулевое | 1 |
| ЗИЛ | 133ГЯ | Двигатель | 1 |
| ЗИЛ | 133ГЯ | Двигатель: система охлаждения | 1 |
| ЗИУ | 9 | Генератор Г-263А | 1 |
| ЗИУ | 9В(682В) | Генератор | 1 |
| КАЗ | 4540 | Двигатель | 4 |
| КАЗ | 4540 | Двигатель | 4 |
| КАЗ | 4540 | Двигатель: система охлаждения | 1 |
| КАЗ | 4540 | Двигатель: система охлаждения | 1 |
| КАЗ | 4540 | Двигатель: система питания | 2 |
| КАЗ | 4540 | Двигатель: система питания | 2 |
| КамАЗ | 4310 | Двигатель | 1 |
| КамАЗ | 4310 | Двигатель | 1 |
| КамАЗ | 4310 | Двигатель: система охлаждения | 1 |
| КамАЗ | 4310 | Двигатель: система охлаждения | 1 |
| КамАЗ | 4310 | Управление рулевое | 1 |
| КамАЗ | 4310 | Управление рулевое | 1 |
| КамАЗ | 43105 | Двигатель | 1 |
| КамАЗ | 43105 | Двигатель | 1 |
| КамАЗ | 43105 | Двигатель: система охлаждения | 1 |
| КамАЗ | 43105 | Двигатель: система охлаждения | 1 |
| КамАЗ | 43105 | Управление рулевое | 1 |
| КамАЗ | 43105 | Управление рулевое | 1 |
| КамАЗ | 5320 | Двигатель | 1 |
| КамАЗ | 5320 | Двигатель: система охлаждения | 1 |
| КамАЗ | 5320 | Управление рулевое | 1 |
| КамАЗ | 5320 | Двигатель: вал ведомый гидромуфты вентилятора, опора передняя | 1 |
| КамАЗ | 5320 | Двигатель: вал колеса зубчатого привода насоса топливного, опора задняя | 1 |
| КамАЗ | 5320 | Управление рулевое: валик насоса гидроусилителя, опора задняя | 1 |
| КамАЗ | 53211 | Двигатель: вал ведомый гидромуфты вентилятора, опора передняя | 1 |
| КамАЗ | 53211 | Двигатель: вал колеса зубчатого привода насоса топливного, опора задняя | 1 |
| КамАЗ | 53211 | Управление рулевое: валик насоса гидроусилителя, опора задняя | 1 |
| КамАЗ | 53212 | Двигатель | 1 |
| КамАЗ | 53212 | Двигатель: система охлаждения | 1 |
| КамАЗ | 53212 | Коробка отбора мощности | 2 |
| КамАЗ | 53212 | Управление рулевое | 1 |
| КамАЗ | 53212 | Двигатель: вал ведомый гидромуфты вентилятора, опора передняя | 1 |
| КамАЗ | 53212 | Двигатель: вал колеса зубчатого привода насоса топливного, опора задняя | 1 |
| КамАЗ | 53212 | Управление рулевое: валик насоса гидроусилителя, опора задняя | 1 |
| КамАЗ | 53213 | Двигатель | 1 |
| КамАЗ | 53213 | Двигатель: система охлаждения | 1 |
| КамАЗ | 53213 | Коробка отбора мощности | 2 |
| КамАЗ | 53213 | Управление рулевое | 1 |
| КамАЗ | 53213 | Двигатель: вал ведомый гидромуфты вентилятора, опора передняя | 1 |
| КамАЗ | 53213 | Двигатель: вал колеса зубчатого привода насоса топливного, опора задняя | 1 |
| КамАЗ | 53213 | Управление рулевое: валик насоса гидроусилителя, опора задняя | 1 |
| КамАЗ | 53222 | Двигатель | 1 |
| КамАЗ | 53222 | Двигатель: система охлаждения | 1 |
| КамАЗ | 53222 | Коробка отбора мощности | 2 |
| КамАЗ | 53222 | Управление рулевое | 1 |
| КамАЗ | 5325 | Двигатель | 1 |
| КамАЗ | 5325 | Двигатель: система охлаждения | 1 |
| КамАЗ | 5325 | Управление рулевое | 1 |
| КамАЗ | 5410 | Двигатель | 1 |
| КамАЗ | 5410 | Двигатель: система охлаждения | 1 |
| КамАЗ | 5410 | Управление рулевое | 1 |
| КамАЗ | 5410 | Двигатель: вал ведомый гидромуфты вентилятора, опора передняя | 1 |
| КамАЗ | 5410 | Двигатель: вал колеса зубчатого привода насоса топливного, опора задняя | 1 |
| КамАЗ | 5410 | Управление рулевое: валик насоса гидроусилителя, опора задняя | 1 |
| КамАЗ | 54112 | Двигатель | 1 |
| КамАЗ | 54112 | Двигатель: система охлаждения | 1 |
| КамАЗ | 54112 | Коробка отбора мощности | 2 |
| КамАЗ | 54112 | Управление рулевое | 1 |
| КамАЗ | 54112 | Двигатель: вал ведомый гидромуфты вентилятора, опора передняя | 1 |
| КамАЗ | 54112 | Двигатель: вал колеса зубчатого привода насоса топливного, опора задняя | 1 |
| КамАЗ | 54112 | Управление рулевое: валик насоса гидроусилителя, опора задняя | 1 |
| КамАЗ | 54122 | Двигатель | 1 |
| КамАЗ | 54122 | Двигатель: система охлаждения | 1 |
| КамАЗ | 54122 | Коробка отбора мощности | 2 |
| КамАЗ | 54122 | Управление рулевое | 1 |
| КамАЗ | 5425 | Двигатель | 1 |
| КамАЗ | 5425 | Двигатель: система охлаждения | 1 |
| КамАЗ | 5425 | Управление рулевое | 1 |
| КамАЗ | 55102 | Двигатель | 1 |
| КамАЗ | 55102 | Двигатель: система охлаждения | 1 |
| КамАЗ | 55102 | Управление рулевое | 1 |
| КамАЗ | 55102 | Двигатель: вал ведомый гидромуфты вентилятора, опора передняя | 1 |
| КамАЗ | 55102 | Двигатель: вал колеса зубчатого привода насоса топливного, опора задняя | 1 |
| КамАЗ | 55102 | Управление рулевое: валик насоса гидроусилителя, опора задняя | 1 |
| КамАЗ | 5511 | Двигатель | 1 |
| КамАЗ | 5511 | Двигатель: система охлаждения | 1 |
| КамАЗ | 5511 | Коробка отбора мощности | 2 |
| КамАЗ | 5511 | Управление рулевое | 1 |
| КамАЗ | 55111 | Двигатель: вал ведомый гидромуфты вентилятора, опора передняя | 1 |
| КамАЗ | 55111 | Двигатель: вал колеса зубчатого привода насоса топливного, опора задняя | 1 |
| КамАЗ | 55111 | Управление рулевое: валик насоса гидроусилителя, опора задняя | 1 |
| КамАЗ | 6410 | Двигатель | 1 |
| КамАЗ | 6410 | Двигатель: система охлаждения | 1 |
| КамАЗ | 6410 | Управление рулевое | 1 |
| КЗКТ | Э538ДК | Двигатель | 3 |
| КЗКТ | Э538ДП | Двигатель | 3 |
| КрАЗ | 250 | Двигатель | 1 |
| КрАЗ | 250 | Двигатель | 1 |
| КрАЗ | 255 | Двигатель | 1 |
| КрАЗ | 255 | Двигатель | 1 |
| КрАЗ | 255 | Двигатель: система охлаждения | 1 |
| КрАЗ | 255 | Двигатель: система охлаждения | 1 |
| КрАЗ | 255Б1 | Двигатель | 1 |
| КрАЗ | 255Б1 | Двигатель | 1 |
| КрАЗ | 255Б1 | Двигатель: система охлаждения | 1 |
| КрАЗ | 255Б1 | Двигатель: система охлаждения | 1 |
| КрАЗ | 255Б1А | Двигатель | 1 |
| КрАЗ | 255Б1А | Двигатель | 1 |
| КрАЗ | 255Б1А | Двигатель: система охлаждения | 1 |
| КрАЗ | 255Б1А | Двигатель: система охлаждения | 1 |
| КрАЗ | 255В1 | Двигатель | 1 |
| КрАЗ | 255В1 | Двигатель | 1 |
| КрАЗ | 255В1 | Двигатель: система охлаждения | 1 |
| КрАЗ | 255В1 | Двигатель: система охлаждения | 1 |
| КрАЗ | 255Л1 | Двигатель | 1 |
| КрАЗ | 255Л1 | Двигатель | 1 |
| КрАЗ | 255Л1 | Двигатель: система охлаждения | 1 |
| КрАЗ | 255Л1 | Двигатель: система охлаждения | 1 |
| КрАЗ | 256Б1 | Двигатель | 1 |
| КрАЗ | 256Б1 | Двигатель | 1 |
| КрАЗ | 256Б1 | Двигатель: система охлаждения | 1 |
| КрАЗ | 257Б1 | Двигатель | 1 |
| КрАЗ | 257Б1 | Двигатель | - |
| КрАЗ | 257Б1 | Двигатель: система охлаждения | 1 |
| КрАЗ | 257Б1А | Двигатель | 1 |
| КрАЗ | 257Б1А | Двигатель | - |
| КрАЗ | 257Б1А | Двигатель: система охлаждения | 1 |
| КрАЗ | 258Б1 | Двигатель | 1 |
| КрАЗ | 258Б1 | Двигатель | - |
| КрАЗ | 258Б1 | Двигатель: система охлаждения | 1 |
| КрАЗ | 260 | Двигатель | 1 |
| КрАЗ | 260 | Двигатель | 1 |
| КрАЗ | 260А | Двигатель | 1 |
| КрАЗ | 260А | Двигатель | 1 |
| КрАЗ | 260В | Двигатель | 1 |
| КрАЗ | 260В | Двигатель | 1 |
| КрАЗ | 260Г | Двигатель | 1 |
| КрАЗ | 260Г | Двигатель | 1 |
| КрАЗ | 260Д | Двигатель | 1 |
| КрАЗ | 260Д | Двигатель | 1 |
| КрАЗ | 260С | Двигатель | 1 |
| КрАЗ | 260С | Двигатель | 1 |
| ЛиАЗ | 5256 | Двигатель | 1 |
| ЛиАЗ | 5256 | Двигатель | 1 |
| ЛиАЗ | 5256 | Двигатель: система питания | 1 |
| ЛиАЗ | 5256 | Двигатель: система питания | 1 |
| ЛиАЗ | 5256 | Управление рулевое | 1 |
| ЛиАЗ | 5256 | Управление рулевое | 1 |
| ЛуАЗ | 1302 | Передача главная: редуктор колесный | - |
| ЛуАЗ | 969 | Передача главная | 1 |
| ЛуАЗ | 969 | Редуктор колесный | 4 |
| ЛуАЗ | 969М | Передача главная | 1 |
| ЛуАЗ | 969М | Редуктор колесный | 4 |
| ЛуАЗ | 969М | Передача главная: редуктор колесный | 5 |
| МАЗ | 504В | Двигатель | 1 |
| МАЗ | 509А | Двигатель | 1 |
| МАЗ | 5322 | Двигатель | 1 |
| МАЗ | 5334 | Двигатель | 1 |
| МАЗ | 5335 | Двигатель | 1 |
| МАЗ | 5336 | Двигатель | 1 |
| МАЗ | 5338 | Двигатель | 1 |
| МАЗ | 537 | Двигатель | 3 |
| МАЗ | 537Г | Двигатель | 3 |
| МАЗ | 538 | Двигатель | 3 |
| МАЗ | 5429 | Двигатель | 1 |
| МАЗ | 543 | Двигатель | 5 |
| МАЗ | 5430 | Двигатель | 1 |
| МАЗ | 54321 | Двигатель | 1 |
| МАЗ | 54325 | Двигатель | - |
| МАЗ | 5433 | Двигатель | 1 |
| МАЗ | 5434 | Двигатель | 1 |
| МАЗ | 5437 | Двигатель | - |
| МАЗ | 547 | Двигатель | 5 |
| МАЗ | 5549 | Двигатель | 1 |
| МАЗ | 5551 | Двигатель | 1 |
| МАЗ | 55512 | Двигатель | 1 |
| МАЗ | 55515 | Двигатель | - |
| МАЗ | 5552 | Двигатель | - |
| МАЗ | 5558 | Двигатель | 1 |
| МАЗ | 5561 | Двигатель | - |
| МАЗ | 6303 | Двигатель | 1 |
| МАЗ | 6422 | Двигатель | 1 |
| МАЗ | 64221 | Двигатель | 1 |
| МАЗ | 64224 | Двигатель | 1 |
| МАЗ | 64227 | Двигатель | 1 |
| МАЗ | 64229 | Двигатель | 1 |
| МАЗ | 64233 | Двигатель | - |
| МАЗ | 642554 | Двигатель | 1 |
| МАЗ | 7310 | Двигатель | 5 |
| МАЗ | 73101 | Двигатель | 5 |
| МАЗ | 7410 | Двигатель | 5 |
| МАЗ | 7410 | Коробка раздаточная | 2 |
| МоАЗ | 546П-Д357П | Двигатель | 1 |
| МоАЗ | 6401-9585 | Двигатель | 1 |
| МоАЗ | 6507 | Двигатель | 1 |
| МоАЗ | 7405-9586 | Двигатель | 1 |
| Москвич | 2136 | Коробка передач: вал вторичный, опора средняя | 1 |
| Москвич | 2138 | Коробка передач: вал вторичный | 1 |
| Москвич | 2138 | Коробка передач: вал вторичный, опора средняя | 1 |
| Москвич | 2733 | Коробка передач: вал вторичный, опора средняя | 1 |
| Мототехника | Ява-250 | Двигатель: картер, половина левая | - |
| Мототехника | Ява-250 | Двигатель: картер, половина правая | - |
| Мототехника | Ява-350 | Двигатель: картер, половина левая | - |
| Мототехника | Ява-350 | Двигатель: картер, половина правая | - |
| Свеклопогрузчик навесной тракторный | СНТ-2.1А | Транспортер поперечный: вал промежуточный | - |
| Свеклопогрузчик навесной тракторный | СНТ-2.1А | Элеватор: вал верхний | - |
| Станкостроение | Не указано | Не указано | - |
| Станкостроение | Не указано | Не указано | - |
| Трактор | ДТ-20 | Вал скорости дополнительной | 1 |
| Трактор | ДТ-20 | Насос топливный: регулятор | 1 |
| Трактор | ДТ-75 | Двигатель: насос водяной | 2 |
| Трактор | ДТ-75 | Двигатель: регулятор двигателя пускового | 2 |
| Трактор | ДТ-75МВ | Двигатель: насос водяной | 2 |
| Трактор | К-701 | Двигатель: насос водяной | 1 |
| Трактор | К-701 | Двигатель: вал привода насоса топливного | 1 |
| Трактор | МТЗ-100 | Гидроходоуменьшитель: опора вала насоса НШ 10-Л-3 | - |
| Трактор | МТЗ-100 | Гидроходоуменьшитель: опора передняя вала водила | - |
| Трактор | МТЗ-100 | Корпус МС: опора передняя вала шестерен привода насосов НМШ-25 и ГСОМ | - |
| Трактор | МТЗ-102 | Гидроходоуменьшитель: опора вала насоса НШ 10-Л-3 | - |
| Трактор | МТЗ-102 | Гидроходоуменьшитель: опора передняя вала водила | - |
| Трактор | МТЗ-102 | Корпус МС: опора передняя вала шестерен привода насосов НМШ-25 и ГСОМ | - |
| Трактор | МТЗ-50Л | Двигатель пусковой ПД-10У: редуктор | 1 |
| Трактор | МТЗ-52 | Коробка раздаточная | 1 |
| Трактор | МТЗ-52Л | Коробка раздаточная | 1 |
| Трактор | МТЗ-52Л | Двигатель пусковой ПД-10У: редуктор | 1 |
| Трактор | МТЗ-80 | Муфта сцепления: привод насоса НШ 32-3 | 2 |
| Трактор | МТЗ-80Л | Двигатель пусковой: редуктор | 1 |
| Трактор | МТЗ-80Л | Муфта сцепления: привод насоса НШ 32-3 | 2 |
| Трактор | МТЗ-82 | Коробка раздаточная | 1 |
| Трактор | МТЗ-82 | Муфта сцепления: привод насоса НШ 32-3 | 2 |
| Трактор | МТЗ-82Л | Коробка раздаточная | 1 |
| Трактор | МТЗ-82Л | Двигатель пусковой: редуктор | 1 |
| Трактор | МТЗ-82Л | Муфта сцепления: привод насоса НШ 32-3 | 2 |
| Трактор | Т 330 | Гидротрансформатор | 4 |
| Трактор | Т 330Г | Гидротрансформатор | 4 |
| Трактор | Т-012 | Коробка передач: вал вторичный | - |
| Трактор | Т-012 | Пара коническая: вал ведомый | - |
| Трактор | Т-150 | Двигатель: вал редуктора двигателя пускового | 1 |
| Трактор | Т-150 | Двигатель: насос водяной | 2 |
| Трактор | Т-150 | Двигатель: привод в сборе | 2 |
| Трактор | Т-150К | Вал отбора мощности: вал привода | 1 |
| Трактор | Т-150К | Двигатель: вал редуктора двигателя пускового | 1 |
| Трактор | Т-150К | Двигатель: насос водяной | 2 |
| Трактор | Т-150К | Двигатель: привод в сборе | 2 |
| Трактор | Т-150К | Управление рулевое: вал привода насоса | 2 |
| Трактор | Т-150К | Насос навески: вал привода | 2 |
| Трактор | Т-151К с двигателем СМД-62/63 | Вал отбора мощности: вал привода | - |
| Трактор | Т-151К с двигателем СМД-62/63 | Двигатель: насос водяной | - |
| Трактор | Т-151К с двигателем СМД-62/63 | Двигатель: привод в сборе | - |
| Трактор | Т-151К с двигателем СМД-62/63 | Управление рулевое: вал привода насоса | - |
| Трактор | Т-151К с двигателем СМД-62/63 | Двигатель, пусковой двигатель: вал редуктора | - |
| Трактор | Т-151К с двигателем СМД-62/63 | Навеска: вал привода насоса | - |
| Трактор | Т-151К с двигателем СМД-62А/63А | Насос водяной | - |
| Трактор | Т-151К с двигателем СМД-62А/63А | Вал отбора мощности: вал привода | - |
| Трактор | Т-151К с двигателем СМД-62А/63А | Управление рулевое: вал привода насоса | - |
| Трактор | Т-151К с двигателем СМД-62А/63А | Навеска: вал привода насоса | - |
| Трактор | Т-16 | Ось шестерни хода заднего | 2 |
| Трактор | Т-25 | Передача главная | 1 |
| Трактор | Т-25 | Управление рулевое | 1 |
| Трактор | Т-25А | Передача главная | - |
| Трактор | Т-25А | Управление рулевое | - |
| Трактор | Т-40 | Вал отбора мощности: привод боковой | 1 |
| Трактор | Т-40 | Вал отбора мощности задний | 1 |
| Трактор | Т-40 | Коробка передач: вал передачи замедленной | 2 |
| Трактор | Т-40 | Коробка передач: шестерня промежуточная | 2 |
| Трактор | Т-40 | Двигатель пусковой: вал редуктора | 1 |
| Трактор | Т-40А | Вал отбора мощности: привод боковой | 1 |
| Трактор | Т-40А | Вал отбора мощности задний | 1 |
| Трактор | Т-40А | Коробка передач: вал передачи замедленной | 1 |
| Трактор | Т-40А | Коробка передач: шестерня промежуточная | 2 |
| Трактор | Т-40А | Двигатель пусковой: вал редуктора | 1 |
| Трактор | Т-40АМ | Коробка раздаточная | - |
| Трактор | Т-40АМ | Вал отбора мощности боковой | - |
| Трактор | Т-40АМ | Двигатель пусковой: редуктор | - |
| Трактор | Т-40АМ | Коробка передач с дифференциалом | - |
| Трактор | Т-40АНМ | Коробка раздаточная | - |
| Трактор | Т-40АНМ | Вал отбора мощности боковой | - |
| Трактор | Т-40АНМ | Коробка передач с дифференциалом | - |
| Трактор | Т-40М | Вал отбора мощности боковой | - |
| Трактор | Т-40М | Двигатель пусковой: редуктор | - |
| Трактор | Т-40М | Коробка передач с дифференциалом | - |
| Трактор | Т-4А | Двигатель: насос водяной | - |
| Трактор | Т-74 | Насос водяной | - |
| Трактор | Т-74 | Двигатель пусковой | - |
| Трактор | Т-75 | Двигатель: привод вентилятора, опора передняя | 1 |
| Трактор | Т-75 | Двигатель: привод вентилятора, опора задняя | 1 |
| Трактор | Т-75 с двигателем СМД-14Г | Двигатель: насос водяной | - |
| Трактор | Т-75 с двигателем СМД-14Г | Двигатель: регулятор двигателя пускового | - |
| Трактор | Т-75МВ с двигателем А-41 | Двигатель: насос водяной | - |
| Трактор | Т13010 | Коробка передач: шестерня ведущая главной передачи, опора задняя | - |
| Трактор | Т13110 | Коробка передач: шестерня ведущая главной передачи, опора задняя | - |
| Трактор | Т13110-70 | Коробка передач: шестерня ведущая главной передачи, опора задняя | - |
| Трактор | ТТ-4М | Насос водяной | - |
| Трактор | ТТ-4М | Двигатель пусковой: редуктор | - |
| Трактор | ТТ-4М-01 | Насос водяной | - |
| Трактор | ТТ-4М-01 | Двигатель пусковой: редуктор | - |
| Трактор | ХТЗ-120 | Двигатель: насос водяной | - |
| Трактор | ХТЗ-120 | Управление рулевое: вал привода насоса | - |
| Трактор | ХТЗ-120 | Коробка раздаточная: вал | - |
| Трактор | ХТЗ-120 | Коробка раздаточная: вал привода ВОМ | - |
| Трактор | ХТЗ-121 | Двигатель: насос водяной | - |
| Трактор | ХТЗ-121 | Управление рулевое: вал привода насоса | - |
| Трактор | ХТЗ-121 | Коробка раздаточная: вал | - |
| Трактор | ХТЗ-121 | Коробка раздаточная: вал привода ВОМ | - |
| Трактор | ХТЗ-16131 (кроме двигателя) | Коробка раздаточная: вал привода ВОМ | - |
| Трактор | ХТЗ-16131 (кроме двигателя) | Коробка раздаточная: вал привода насоса рулевого управления и навески | - |
| Трактор | ХТЗ-16131 (кроме двигателя) | Коробка раздаточная: вал привода насосов гидросистемы навесного устройства | - |
| УАЗ | 2206 | Коробка передач | 1 |
| УАЗ | 2206 | Коробка передач: вал промежуточный | 1 |
| УАЗ | 3151 | Коробка передач | 1 |
| УАЗ | 31512 | Коробка передач: вал промежуточный | 1 |
| УАЗ | 31514 | Коробка передач: вал промежуточный | 1 |
| УАЗ | 3153 | Коробка передач: вал промежуточный | 1 |
| УАЗ | 3303 | Коробка передач | 1 |
| УАЗ | 3303 | Коробка передач: вал промежуточный | 1 |
| УАЗ | 33036 | Коробка передач: вал промежуточный | 1 |
| УАЗ | 3741 | Коробка передач | 1 |
| УАЗ | 3741 | Коробка передач: вал промежуточный | 1 |
| УАЗ | 3909 | Коробка передач: вал промежуточный | 1 |
| УАЗ | 3962 | Коробка передач | 1 |
| УАЗ | 3962 | Коробка передач: вал промежуточный | 1 |
| УАЗ | 451ДМ | Коробка передач | 1 |
| УАЗ | 451М | Коробка передач | 1 |
| УАЗ | 452 фургон | Коробка передач | 1 |
| УАЗ | 452А | Коробка передач | 1 |
| УАЗ | 452В | Коробка передач | 1 |
| УАЗ | 452Д | Коробка передач | 1 |
| УАЗ | 469 | Коробка передач | 1 |
| УАЗ | 469Б | Коробка передач | 1 |
| УАЗ | 469БГ | Коробка передач | 1 |
| УАЗ | 469М | Коробка передач | 1 |
| УРАЛ | 4320 | Двигатель | 2 |
| УРАЛ | 5557 | Двигатель | 2 |
| УРАЛ | 5920 | Двигатель | 2 |