Подшипники гост
Интернет-магазин
8-800-250-16-58
Обратный звонок

Заказ обратного звонка




Эл. почта:
info@amost.ru
Свои заказы Корзина пуста





Получать прайс-лист на email:

Чтобы отписаться от рассылки, введите e-mail, на который вы получаете наши письма:

 

Поиск подшипников

Масса и размеры

Внутренний диаметр d, мм

От  до 

Наружный диаметр D, мм

От  до 

Ширина b, мм

Применяемость

Раздел каталога

Подшипник шариковый радиальный однорядный основного конструктивного исполнения

1000932 Л ГОСТ 520

Отечественный
Импортный
Цена: 7 254.00 руб

Производитель



под заказ
Обозначение 1000932 Л ГОСТ 520
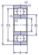
Внутренний диаметр, d (мм) 160
Наружный диаметр, D (мм) 220
Ширина, В (мм) 28
Масса, m (кг) 3.22
Грузоподъемность динамическая, C (kN) 80
Грузоподъемность статическая, Co (kN) 68
Ном. частота вращен. при пластич. смазке, n grease (1/min) 2400
Марка стали, Материал ШХ-15
Диаметр шарика, d шарика (мм) 17.462
Количество шариков, N шариков 18
Ном. частота вращен. при жидк. смазке, n oil (1/min) 2800
1000932 Л ГОСТ 520
Марка Модель Узел Кол-во на узел
Станкостроение Не указано Не указано -
Бренд Обозначение
ГПЗ 1000932
SKF 61932
FAG 61932
NSK 6932
Товар добавлен в корзину
Перейти в корзину ×