306 АК ГОСТ 520
| Обозначение | 306 АК ГОСТ 520 |
|---|---|
| Цена импортная | 58 |
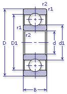
| Внутренний диаметр, d (мм) | 30 |
| Наружный диаметр, D (мм) | 72 |
| Ширина, В (мм) | 19 |
| Масса, m (кг) | 0.35 |
| Грузоподъемность динамическая, C (kN) | 28.1 |
| Грузоподъемность статическая, Co (kN) | 14.6 |
| Ном. частота вращен. при пластич. смазке, n grease (1/min) | 9000 |
| Диаметр шарика, d шарика (мм) | 12.303 |
| Количество шариков, N шариков | 8 |
| Ном. частота вращен. при жидк. смазке, n oil (1/min) | 11000 |
| Диаметр борта наружного кольца, D1(mm) | 59.9 |
| Диаметр борта внутреннего кольца, d1 (mm) | 44.6 |
| Радиус фаски, r1, r2 min (мм) | 1.1 |
Этот подшипник может быть заменен другими:
Подшипник 50306 — Условие отсутствует
Подшипник 60306 — При условии демонтажа одной защитной шайбы
Подшипник 160306 — При условии демонтажа одной защитной шайбы
Подшипник 150306 — При условии демонтажа одной защитной шайбы (п/ш с канавкой)
Подшипник 80306 — При условии демонтажа 2-х защитных шайб
Подшипник 180306 — При условии демонтажа 2-х защитных шайб
Подшипник 450306 — При условии демонтажа 2-х защитных шайб
Подшипник 750306 — При условии демонтажа 2-х защитных шайб
| Марка | Модель | Узел | Кол-во на узел |
|---|---|---|---|
| Пункт картофелесортировальный с переборочными столами | КСП-25 | Транспортер распределительный ПСШ.02.000-01: ролик верхний | - |
| Пункт картофелесортировальный с переборочными столами | КСП-25 | Транспортер загрузочный ПСШ.08.000-01: блок шестерен | - |
| Трактор | ХТЗ-16131 (кроме двигателя) | Коробка раздаточная: вал привода насоса рулевого управления и навески | - |
| Трактор | ХТЗ-16131 (кроме двигателя) | Коробка раздаточная: вал привода насосов гидросистемы навесного устройства | - |
| Автопогрузчик | 4022 | Мост передний ведущий | 1 |
| Автопогрузчик | 4065 | Мост передний ведущий | 1 |
| БелАЗ | 7420-9590 | Коробка отбора мощности | 2 |
| БелАЗ | 7519 | Коробка отбора мощности | 2 |
| БелАЗ | 75191(110т) | Коробка отбора мощности | 2 |
| БелАЗ | 75211(180т) | Коробка отбора мощности | 2 |
| БелАЗ | 7548(42т) | Двигатель: система питания | 1 |
| БелАЗ | 7548(42т) | Муфта опережения впрыска | 1 |
| Подшипники ГАЗ | 3301 | Коробка отбора мощности | 6 |
| ГАЗ | 66 | Коробка отбора мощности | 4 |
| ГАЗ | 66-02 | Коробка раздаточная: вал вторичный, вал промежуточный | 4 |
| ГАЗ | 66-05 | Коробка раздаточная: вал вторичный, вал промежуточный | 4 |
| ГАЗ | 66-11 | Коробка отбора мощности | 4 |
| ЗИУ | 9 | Генератор Г-732В | 1 |
| ЗИУ | 9 | Двигатель ДК-661Б | 2 |
| ЗИУ | 9В(682В) | Генератор | 2 |
| ЗИУ | 9В(682В) | Электрооборудование | 1 |
| Иж | 21251 | Коробка передач: вал вторичный | 1 |
| Иж | 2715-01 | Коробка передач: вал вторичный | 1 |
| Иж | 27151-01 | Коробка передач: вал вторичный | 1 |
| Иж | 27156 | Коробка передач: вал вторичный | 1 |
| Иж | 412 | Мост задний: полуось | 2 |
| Иж | 412 | Коробка передач: вал вторичный, опора средняя | 1 |
| Иж | 412ИЭ | Коробка передач: вал вторичный | 1 |
| Иж | 427 | Мост задний: полуось | 2 |
| Иж | 427 | Коробка передач: вал вторичный, опора средняя | 1 |
| Иж | 434 | Мост задний: полуось | 2 |
| Иж | 434 | Коробка передач: вал вторичный, опора средняя | 1 |
| КамАЗ | 5320 | Коробка отбора мощности: ось колеса зубчатого | 2 |
| КамАЗ | 53211 | Коробка отбора мощности: ось колеса зубчатого | 2 |
| КамАЗ | 53212 | Коробка отбора мощности: ось колеса зубчатого | 2 |
| КамАЗ | 53213 | Коробка отбора мощности: ось колеса зубчатого | 2 |
| КамАЗ | 5410 | Коробка отбора мощности: ось колеса зубчатого | 2 |
| КамАЗ | 54112 | Коробка отбора мощности: ось колеса зубчатого | 2 |
| КамАЗ | 55102 | Коробка отбора мощности: ось колеса зубчатого | 2 |
| КамАЗ | 55111 | Коробка отбора мощности: ось колеса зубчатого | 2 |
| КЗКТ | Э538ДК | Двигатель | 1 |
| КЗКТ | Э538ДК | Коробка дополнительная | 2 |
| КЗКТ | Э538ДП | Двигатель | 1 |
| КЗКТ | Э538ДП | Коробка дополнительная | 2 |
| Комбайн | Дон-1200 | Редуктор шнека загрузочного | 2 |
| Комбайн | Дон-1500 | Редуктор шнека загрузочного | 2 |
| Комбайн | Дон-1500А | Редуктор шнека загрузочного | 2 |
| Комбайн | Енисей-1200 | Коробка передач | - |
| Комбайн | КЗС-3 | Коробка диапазонов: шестерня промежуточная | - |
| Комбайн | КЗС-3 | Коробка диапазонов: вал промежуточный | - |
| Комбайн | Колос | Коробка передач | - |
| Комбайн | КОП-1.4 | Привод ножа | - |
| Комбайн | Нива | Коробка передач | 3 |
| МАЗ | 537 | Двигатель | 1 |
| МАЗ | 537Г | Двигатель | 1 |
| МАЗ | 538 | Двигатель | 1 |
| МАЗ | 543 | Генератор | 1 |
| МАЗ | 543 | Двигатель | 1 |
| МАЗ | 547 | Генератор | 1 |
| МАЗ | 547 | Двигатель | 1 |
| МАЗ | 7310 | Генератор | 1 |
| МАЗ | 7310 | Двигатель | 1 |
| МАЗ | 73101 | Генератор | 1 |
| МАЗ | 73101 | Двигатель | 1 |
| МАЗ | 7410 | Генератор | 1 |
| МАЗ | 7410 | Двигатель | 1 |
| Москвич | 2137 | Коробка передач: вал вторичный, опора средняя | 1 |
| Москвич | 2140 | Коробка передач: вал вторичный | 1 |
| Москвич | 2140 | Коробка передач: вал вторичный, опора средняя | 1 |
| Москвич | 2734 | Коробка передач: вал вторичный, опора средняя | - |
| Москвич | 2737 | Коробка передач: вал вторичный, опора средняя | 1 |
| Москвич | 412 | Мост задний: полуось | - |
| Москвич | 412ИЭ | Коробка передач: вал вторичный | - |
| Москвич | 427 | Мост задний: полуось | - |
| Москвич | 434 | Мост задний: полуось | - |
| Мототехника | Ява-350 | Вал коленчатый: шейка коренная средняя | - |
| Подборщик копнитель | ПК-1.6А | Рамка дна копнителя | - |
| Пункт картофелесортировальный с переборочными столами | КСП-25 | Транспортер загрузочный ПСШ.08.000: мотор-барабан | - |
| Станкостроение | Не указано | Не указано | - |
| Трактор | ДТ-20 | Передача главная: вал первичный | 1 |
| Трактор | ДТ-20 | Двигатель: вал распределительный | 1 |
| Трактор | МТЗ-5 | Ходоуменьшитель: вал первичный и вторичный, опора передняя | 2 |
| Трактор | МТЗ-52 | Коробка раздаточная | 3 |
| Трактор | МТЗ-52 | Привод карданный: опора промежуточная | 2 |
| Трактор | МТЗ-52Л | Коробка раздаточная | 3 |
| Трактор | МТЗ-52Л | Привод карданный: опора промежуточная | 2 |
| Трактор | МТЗ-5К | Ходоуменьшитель: вал первичный и вторичный, опора передняя | 2 |
| Трактор | МТЗ-80 | Коробка раздаточная | 1 |
| Трактор | МТЗ-80Л | Коробка раздаточная | 1 |
| Трактор | МТЗ-82 | Коробка раздаточная | 1 |
| Трактор | МТЗ-82Л | Коробка раздаточная | 1 |
| Трактор | Т-012 | Ступица задних колес | - |
| Трактор | Т-012 | Редуктор бортовой: полуось | - |
| Трактор | Т-151К с двигателем СМД-62/63 | Управление рулевое: вал привода насоса | - |
| Трактор | Т-151К с двигателем СМД-62/63 | Навеска: вал привода насоса | - |
| Трактор | Т-151К с двигателем СМД-62А/63А | Насос водяной | - |
| Трактор | Т-151К с двигателем СМД-62А/63А | Управление рулевое: вал привода насоса | - |
| Трактор | Т-151К с двигателем СМД-62А/63А | Навеска: вал привода насоса | - |
| Трактор | Т-16 | Передача главная: корпус | 1 |
| Трактор | Т-16 | Шкив приводной | 2 |
| Трактор | Т-25 | Передача главная | 1 |
| Трактор | Т-25А | Передача главная: вал первичный | - |
| Трактор | ХТЗ-120 | Двигатель: насос водяной | - |
| Трактор | ХТЗ-120 | Управление рулевое: вал привода насоса | - |
| Трактор | ХТЗ-120 | Коробка раздаточная: вал | - |
| Трактор | ХТЗ-121 | Двигатель: насос водяной | - |
| Трактор | ХТЗ-121 | Управление рулевое: вал привода насоса | - |
| Трактор | ХТЗ-121 | Коробка раздаточная: вал | - |
| Трактор | ЮМЗ-6АЛ | Система охлаждения: привод вентилятора | - |
| Трактор | ЮМЗ-6АМ | Система охлаждения: привод вентилятора | - |
| Трактор | ЮМЗ-6КМ | Система охлаждения: привод вентилятора | - |
| Трамвайный вагон | КТМ-5М3 | Генератор Г-731А | 1 |
| Трамвайный вагон | КТМ-5М3 | Генератор Г-731А | 1 |
| Трамвайный вагон | КТМ-5М3 | Двигатель ДК-661А | 2 |
| Трамвайный вагон | РВ3-6М2 | Электродвигатель ДК-660А | 2 |
| УАЗ | 2206 | Коробка раздаточная | 1 |
| УАЗ | 31512 | Коробка раздаточная | 1 |
| УАЗ | 31514 | Коробка раздаточная | 1 |
| УАЗ | 3153 | Коробка раздаточная | 1 |
| УАЗ | 3160 | Коробка раздаточная: вал привода моста переднего | - |
| УАЗ | 31601 | Коробка раздаточная: вал привода моста переднего | - |
| УАЗ | 31604 | Коробка раздаточная: вал привода моста переднего | - |
| УАЗ | 31605 | Коробка раздаточная: вал привода моста переднего | - |
| УАЗ | 3303 | Коробка раздаточная | 1 |
| УАЗ | 33036 | Коробка раздаточная | 1 |
| УАЗ | 3741 | Коробка раздаточная | 1 |
| УАЗ | 3909 | Коробка раздаточная | 1 |
| УАЗ | 39094 | Коробка раздаточная | - |
| УАЗ | 39095 | Коробка раздаточная | - |
| УАЗ | 3962 | Коробка раздаточная | 1 |